aof.sorular.net
Devre Analizi
Devre Analizi Deneme Sınavı
Devre Analizi Deneme Sınavı Sorusu #1242034
Devre Analizi Deneme Sınavı Sorusu #1242034
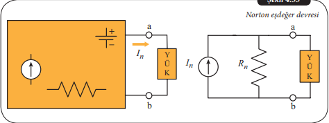
- Devredeki yük direnci çıkarılarak a ve b uçları kısa devre yapılır.
- a’dan b’ye akan akımın değeri devre analizi yöntemleri kullanılarak hesaplanır.
- Devrede bağımsız kaynaklardan sadece bir tanesi bırakılır ve diğer kaynakların
hepsi aynı anda çıkarılır. - Norton direnci Rn’yi bulmak için, Thevenin direnci Rth değeri hesaplanırken yapılan işlemler aynen tekrarlanır.
- Norton akım kaynağına, paralel olarak bağlanan Norton direnci ile Norton eşdeğer devresi çizilir.
Bir devrenin Norton eşdeğer devresi için yapılacak olan işlem basamakları arasında yukarıdaki maddelerden hangisi yer almaz?
|
I |
|
II |
|
III |
|
IV |
|
V |
Yanıt Açıklaması:
Bir devrenin Norton eşdeğer devresi için yapılacak olan işlem basamakları aşağıda sırasıyla verilmiştir. Bunlar;
1. Devredeki yük direnci çıkarılarak a ve b uçları kısa devre yapılır.
2. a’dan b’ye akan akımın değeri devre analizi yöntemleri kullanılarak hesaplanır.
3. Akımın değeri Norton eşdeğer devresindeki akım kaynağının (In) değerini verir.
4. Norton direnci Rn’yi bulmak için, Thevenin direnci Rth değeri hesaplanırken yapılan işlemler aynen tekrarlanır.
5. Norton akım kaynağına, paralel olarak bağlanan Norton direnci ile Norton eşdeğer devresi çizilir.
Yorumlar
- 0 Yorum