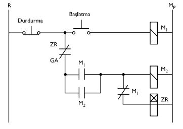
Elektromekanik Kumanda Sistemleri Deneme Sınavı Sorusu #876215

Verilen kumanda devresiyle ilgili aşağıdaki bilgilerden hangileri doğrudur?
I. Başlatma butonuna basılı olduğu sürece her iki motor da çalışacaktır.
II. Başlatma butonuna basıldığında birinci motor sürekli çalışırken ikinci motor kesintili çalışacaktır.
III. Başlatma butonu üzerindeki etki kalktığında, birinci motor hemen duracak ikinci motor ise 15 saniye daha çalışacak ve duracaktır.
IV. Durdurma butonuna basıldığında her iki motor da duracaktır.


I ve IV

II ve III

I, II ve IV

I, III ve IV

I, II ve III


Yanıt Açıklaması:

Verilen kumanda devresinin sağlayacağı özellikler şunlardır:
I. Başlatma butonuna basılı olduğu sürece her iki motorda çalışacaktır.
II. Başlatma butonu üzerindeki etki kalktığında, birinci motor hemen duracak ikinci motor ise 15 saniye daha çalışacak ve duracaktır.
III. Durdurma butonuna basıldığında her iki motorda duracaktır.
Doğru yanıt D seçeneğidir.

Yorumlar
  • 0 Yorum