Devre Analizi Ara 10. Deneme Sınavı
Toplam 16 Soru1.Soru
Aşağıdaki ifadelerden hangisi yanlıştır?
|
Elektrik akım birimi amperdir ve A ile gösterilir. |
|
Akımın şiddetini hesaplamak için elektrik yükünün zamana göre türevini almak gerekir. |
|
Akımın oluşmasında elektronların hareketi rol oynamasına rağmen, bir elektrik devresinde akım yönü pozitif yüklerin hareket yönü olan (+) dan (–) ye doğru kabul edilir. |
|
Akım, DA (doğru akım), AA (alternatif akım) ve TA (ters akım) olmak üzere üçe ayrılır. |
|
Zamanla yönü ve büyüklüğü değişen akım alternatif akımdır. |
Akım, DA (doğru akım) ve AA (alternatif akım) olmak üzere ikiye ayrılır. Diğer seçenekler doğru olarak verilmiştir.
2.Soru
Düğüm noktaları arasında kalan ve üzerinde devre elemanlarının yer aldığı devre parçası aşağıdakilerden hangisidir?
|
Kol |
|
Göz |
|
Çevre |
|
Düğüm |
|
Loop |
Her bir devre elemanının üzerinde yer aldığı devre parçasıdır. Bir başka şekilde ifade edilirse, düğüm noktaları arasında kalan ve üzerinde devre elemanlarının yer aldığı devre parçasına kol denir.
3.Soru
Aşağıdakilerden hangisi devre çözüm yöntemlerinin temelini oluşturmaktadır?
|
Thevenin teoremi |
|
Kirchhoff’un akım ve gerilim yasaları |
|
Norton teoremi |
|
Süperpozisyon teoremi’dir. |
|
Düğüm noktası yöntemi |
Kirchhoff’un akım ve gerilim yasaları, devre çözüm yöntemlerinin temelini oluşturmaktadır.
4.Soru
Kapalı bir elektrik devresinde akımın geçerek devresini tamamladığı yol aşağıdakilerden hangisidir?
|
Devre |
|
Göz |
|
Kol |
|
Çevre |
|
Göz akımı |
Çevre: Kapalı bir elektrik devresinde akımın geçerek devresini tamamladığı yoldur.
5.Soru
Şekildeki devrede R1 = 1 ?, R2 = 4 ?, R3 = 2 ?, gerilim kaynağı değeri V =10 V ve akım kaynağının değeri I = 4 A olarak verilmiştir. Verilen devrede R3 üzerindeki gerilimin değeri kaçtır?
|
2 V |
|
3 V |
|
4 V |
|
5 V |
|
6 V |
Buradan VA = 12 V olarak bulunur. R3 üzerindeki akım;
olarak bulunur.
R3 üzerindeki gerilim = 1A x 2 ? = 2 V’tur.
6.Soru
Şekildeki devreden geçen akım kaç A’dir?
|
0,5 A |
|
1 A |
|
1,5 A |
|
2 A |
|
5 A |
Kirchhoff’un gerilim yasası kullanılarak devreden geçen akım hesaplanır.
VR1+ VR2 + V1 + VR 3 + VR 4 +V2 + VR 5 + VR 6 + VR 7 – V3 = 0
I.R1 + I. R2 + 16 + I. R3 + I. R4 +28 + I. R5 + I. R6 + I. R7 – 64 = 0
I. 2+ I. 4+ 16 + I. 4+ I. 2+ 28 + I. 2 + I.4 + I. 2 – 64 = 0
20.I + 44 - 64 = 0
20I = 20
I=1 A bulunur.
7.Soru
Şekil 3’te R1 =10 ? , R2 =5 ?, R3 =5 ? ve kaynak gerilimi (V) 40 Volt’tur. VAB (A ve B noktaları arasındaki) gerilimi kaçtır?
|
5 V |
|
10 V |
|
15 V |
|
20 V |
|
25 V |
A ve B noktaları arasındaki gerilim R1 direnci üzerindeki gerilime eşittir. Akım 6. soruda 2 A olarak bulunmuştur. Bu durumda;
VAB= R1.I= 10.2=20 V’tur.
8.Soru
Şekildeki devrede R1=9? , R2=3? , R3=6? kaynak gerilimi V1=44 volt ise devreden çekilen akım kaç A ’dir.
|
1A |
|
2A |
|
3A |
|
4A |
|
5A |
Khirchhoff’un akım yasasına göre; Gelen Akımlar = Giden Akımlar
Bu durumda, I = I1 + I2 yazılır.
I = I1 + I2 ? -I + I1 + I2 =0
olarak bulunur.Doğru cevap D seçeneğidir.
9.Soru
Bir kapalı devrede kollar tarafından kesilmeden oluşturulan en küçük devreye ne ad verilir?
|
Göz |
|
Mini devre |
|
Kol |
|
Düğüm noktası |
|
Referans noktası |
Bir kapalı devrede kollar tarafından kesilmeden oluşturulan en küçük devreye göz denir.
10.Soru
Üç kaynaklı bir devrede süperpozisyon teoremi kullanılarak bir dirençten geçen akımın bulunması istenmektedir. Devrede her bir kaynak ile yapılan çözümler sonucu elde edilen akım değerleri ve yönleri yandaki şekilde verilmektedir. Buna göre dirençten geçen akımın değerin kaç Amper’dir?
|
2 |
|
4 |
|
6 |
|
8 |
|
10 |
Süperpozisyon teoremi kullanılarak yapılan devre çözümünde, her kaynak için bulunan sonuçlar akım yönleri dikkate alınarak toplanır. Burada I1 ve I3 aynı yönde, I2 ters yön olduğundan,
(I1 + I3) – I2 = (4 + 12) – 8 = 8 A sonucu elde edilir.
11.Soru
Kapalı bir elektrik devresinde elektronlar elektriksel kuvvetin etkisiyle hangi yöne hareket ederler?
|
Elektronlar her zaman sağ yönlü hareket eder. |
|
Elektronlar her zaman sol yönlü hareket eder. |
|
Elektronlar hareket etmezler. |
|
Enerjisi düşük olan noktadan enerjisi fazla olan noktaya hareket ederler. |
|
Enerjisi fazla olan noktadan enerjisi düşük olan noktaya hareket ederler. |
Bu iki uç arasındaki enerji farkı potansiyel farkı belirtir, bu elektron akışı iki uç arasındaki enerji eşit oluncaya kadar devam eder, fark sıfır olunca elektron akışı durur.
12.Soru
Verilen devrede süperpozisyon teoremini kullanarak 12 ?’luk direçten geçen akım kaç Amperdir?
|
-2 |
|
-1 |
|
1 |
|
2 |
|
6 |
18 V’luk gerilim kaynağı devrede, 6 A’lik akım kaynağı açık devre yapılır ve 12 ?’dan geçen akım çevre akımları yöntemi (veya Ohm kanunu) ile hesaplanır.
–18 + 6 . I + 12 . I = 0 denklemi çözüldüğünde I = 1 A elde edilir.
12 ?’dan geçen akım, I akımının değerine eşittir. I12? = I A
6 A’lik akım kaynağı devrede, 18 V’luk gerilim kaynağı kısa devre yapılır ve 12 ?’dan geçen akım düğüm noktası yöntemi ile hesaplanır.
V1/6 - 6 + V1/12 = 0
V1 = 24 V
I 12? = V1/12 = 2 A
Verilen devrede akımın değeri, iki kaynak için iki farklı yöntemle hesaplanmıştır. Akım kaynağı açık devre (I. Adım) olduğunda kullanılan Ç.A.Y’de (Çevre Akımları Yöntemi) seçilen akımın yönü ve gerilim kaynağı kısa devre (II. Adım) olduğunda kullanılan D.N.Y’de (Düğüm Noktası Yöntemi) akım yönü aynı olduğundan her iki akımının cebirsel olarak toplamı sonuca ulaşmamızı sağlar.
13.Soru
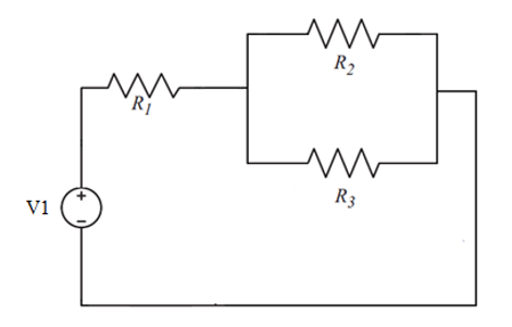
Aşağıdaki devreye göre R1=2?, R2= 8? ve R3=8? ve I=1A olarak verildiğine göre V1 gerilim değeri aşağıdakilerden hangisidir?
|
6V |
|
9V |
|
12V |
|
3V |
|
1V |
R3 ve R2 dirençleri birbirine paralel R1 direnci ise seri bağlıdır. Eşdeğer direnç 6? olarak hesaplanır. V=IxR formülüne göre V1= 6V olarak hesaplanır.
14.Soru
Bir elektrik devresinde ikiden fazla ucun birleştiği yere ne denmektedir?
|
Düğüm |
|
Çevre |
|
Kol |
|
Göz |
|
Çevre akımı |
Düğüm noktası yöntemindeki en önemli olgu, ele alınan devrenin düğüm noktalarının yerlerinin ve sayısının doğru olarak belirlenmesidir. Bir elektrik devresinde ikiden fazla ucun birleştiği yere düğüm veya düğüm noktası denir.
15.Soru
Aşağıdakilerden hangisi yanlıştır?
|
Bir elektrik devresinde aktif devre elemanları, iletken tel ve pasif devre elemanları bulunmalıdır. |
|
Kimyasal enerjiyi elektrik enerjisine çeviren devre elemanları üreteçlerdir. |
|
Direnç değerleri ve toleransları üzerindeki renklerle belirlenir. |
|
Elektronların kaynakta üretilen enerji dolayısı ile hareket etmesi sırasında iletkenin buna karşı uyguladığı zorluğa direnç denir. |
|
Direnç aynı zamanda iletkenliktir. |
Direncin tersi iletkenliktir.
16.Soru
Aşağıdaki devre için Kirchhoff’un Gerilim yasası aşağıdakilerden hangisinde doğru olarak verilmiştir?
|
-E+V1+V2+V3=0 |
|
E+V1+V2+V3=0 |
|
E-V1+V2+V3=0 |
|
-E-V1-V2-V3=0 |
|
-E+V1+V2-V3=0 |
Devre şemasında verilen akım yönüne göre Kirchhoff’un Gerilim yasası uygulandığında-E+V1+V2+V3=0 denklemi elde edilir.