Devre Analizi Ara 11. Deneme Sınavı
Toplam 18 Soru1.Soru
Şekildeki devrede R1 = 3 ?, R2 = 5 ?, R3 = 4 ?, R4 = 2 ?, gerilim kaynağının değeri V = 2 V ve akım kaynağının değeri I=10 A olarak verilmiştir. R1 üzerinden geçen akımın değeri nedir?
|
4 A |
|
6 A |
|
9 A |
|
10 A |
|
12 A |
Öncelikle düğüm noktasındaki gerilim (VA) bulunur.
I = I1 + I2 › -I + I1 + I2 = 0
-I+(VA/R2)+((VA-V)/R1)=0
-10+(VA/5)+((VA-2)/3)=0
3.VA-10+5.VA=150
8.VA=160
VA= 20 V
R1 üzerinden geçen akım I2;
I2= (VA-V)/R1=(20-2)/3=9 A
2.Soru
R3 direnci üzerine düşen gerilim kaç V'dur?
|
2 |
|
3 |
|
5 |
|
7 |
|
10 |
R3 direnci üzerine (Va-0) gerilim düşmektedir. Va=7 V olduğundan cevap 7 V'dur.
3.Soru
Verilen devrede verilen E=36 Volt, R1 =3 ?, R2 =5 ? ve R3= 4 ? olarak verilmiştir. Devreden geçen akım aşağıdakilerden hangisidir?
|
3 |
|
4 |
|
5 |
|
6 |
|
7 |
Kirchhoff’un gerilim yasasının uygulanabilmesi için tüm dirençler üzerindeki gerilimlerin Ohm Yasası kullanılarak bulunması gerekir.
Ohm Yasasına göre, V = I . R olduğuna göre;
R1 direnci üzerinde düşen gerilim;
VR1 = I . R1 = I . 3 = 3 . I Volt R2 direnci üzerinde düşen gerilim;
VR2 = I . R2 = I . 5 = 5 . I Volt R3 direnci üzerinde düşen gerilim;
VR3 = I . R3 = I . 4 = 4 . I Volt olarak hesaplanır.
Kirchhoff’un gerilim yasası ile tüm gerilim düşümleri ve kaynak gerilimi toplandığında devreden geçen I akımı şu şekilde hesaplanır. –E +3 . I + 5 . I + 4 . I = 0?– 36 + 12. I = 0
12 . I = 36? I = 36/ 12= 3 Amper
4.Soru
Her devrede mutlaka bulunan referans düğüm noktası devre şeması üzerinde gösterilmese bile hesaplamalar referans düğüm noktası dikkate alınarak yapılır. Bu referans düğüm noktasının gerilim değeri kaç Volttur?
|
4 |
|
3 |
|
2 |
|
1 |
|
0 |
Gerilim değeri 0 Volt olan referans düğüm noktası, her devrede mutlaka bulunur. Devre şeması üzerinde gösterilmese bile hesaplamalar referans düğüm noktası dikkate alınarak yapılır.
5.Soru
Her bir devre elemanının üzerinde yer aldığı devre parçasına ne ad verilir?
|
Kol |
|
Düğüm |
|
Göz |
|
Çevre |
|
Direnç |
Her bir devre elemanının üzerinde yer aldığı devre parçasına kol denir
6.Soru
Yukarıdaki devrede R2 direncinin üzerine düşen gerilim değeri kaç volttur?
|
5 |
|
6 |
|
3 |
|
2 |
|
2.5 |
Referans noktamız olan topra ucunu olarak voltaj kaynağının negatif ucunu belirlersek, ve orayı sıfır volt olarak değer verirsek
Voltaj kaynağının diğer ucunu da 6 volt olarak yazabiliriz. Budurumda devrenin üst kısmı 6v iken alt kısmı ise 0 volttur.
Bizden istenilen R2 üzerindeki gerilim düşümü değerini bulmak için R2 direncinin iki ucu arasıdaki gerilim değerlerinin farkı almamız gerek 6-0 = 6 volt olarak sonucu bulabiliriz.
7.Soru
Bir kapalı devrede kollar tarafından kesilmeden oluşturulan en küçük çevre aşağıdakilerden hangisidir?
|
Mesh |
|
Düğüm noktası |
|
Kol |
|
Temel Düğüm Noktası |
|
Göz |
Bir kapalı devrede kollar tarafından kesilmeden oluşturulan en küçük çevreye göz denir. Her göz bir çevredir fakat her çevre bir göz değildir
8.Soru
Akım kaynağına paralel bağlı dirence kaynak dönüşümü uygulanırken ilk önce Ohm kanunu kullanılarak aşağıdakilerden hangisinin değeri bulunur?
|
Direnç değeri |
|
Gerilim değeri |
|
Akım değeri |
|
Kaynak değeri |
|
Güç değeri |
Akım kaynağına paralel bağlı dirence kaynak dönüşümü uygulanırken ilk önce Ohm kanunu kullanılarak gerilim kaynağının
değeri bulunur.
9.Soru
Sıcaklık değişim katsayısı 0,0036 olan iletkenin 15°C deki direnci 15 ? ise 45°C deki direnç değeri ne olur ?
|
0,108 |
|
1,108 |
|
16,62 |
|
17,62 |
|
18,62 |
Formül aşağıdaki gibidir
O halde
R1=15.[1+0,0036.(45-15)]
R1=16,62 ? bulunur.
10.Soru
Yukarıdaki devreye göre kaynak dönüşümü yapılmış devre şemalarından hangisi doğrudur?
|
|
|
|
|
|
|
|
|
|
11.Soru
Devre analizi terminolojisinde kullanılan temel kavramların birim ve kısaltmaları verilmiştir. Bunlardan hangisi doğrudur?
|
Enerji-Joule-Jo |
|
Frekans-Hertz-Hz |
|
Endüktans-Farad-F |
|
Kapasitans-Henry-H |
|
Güç-Watt-V |
Enerji-Joule-J, Güç-Watt-W, Endüktans-Henry-H ve Kapasitans-Farad-F diğer şıkların düzeltilmiş halleridir. Frekans-Hertz-Hz doğru olarak verilmiştir.
12.Soru
Elektronların kaynakta üretilen enerji dolayısı ile hareket etmesi sırasında iletkenin buna karşı uyguladığı zorluğa ne ad verilir?
|
Kaynak |
|
Güç |
|
Gerilim |
|
Akım |
|
Direnç |
Elektronların kaynakta üretilen enerji dolayısı ile hareket etmesi sırasında iletkenin buna karşı uyguladığı zorluğa direnç denir.
13.Soru
32 ?, 16 ?, 8 ? ve 4 ?'luk 4 direnç paralel bağlıdır ve 128 V'luk bir gerilim kaynağına bağlıdır. Eşdeğer direncin üzerinden geçen akım kaç amperdir ?
|
48 |
|
35.5 |
|
60 |
|
54.5 |
|
24 |
1 / R = (1 / 32) + (1 / 16) + (1 / 8) + (1 / 4) = (15 / 32) ; R = 32 / 15 ; I = 128 / (32 / 15) = 60 A. sf. 12. Doğru cevap C'dir.
14.Soru
Şekildeki devrede A-B noktaları arasındaki gerilim (VAB) kaç Volt'tur?
|
12 Volt |
|
14 Volt |
|
16 Volt |
|
26 Volt |
|
44 Volt |
Kirchhoff’un gerilim yasası kullanılarak devreden geçen akım hesaplanır.
VR1+ VR2 + V1 + VR3 + VR4 +V2 + VR5 + VR6 + VR7 – V3 = 0
I. R1 + I. R2 + 16 + I. R3 + I. R4 +28 + I. R5 + I. R6 + I. R7 – 64 = 0
I.2 + I. 4 + 16 + I. 4 + I. 2+ 28 + I. 2 + I.4 + I. 2 – 64 = 0
20.I = 20 ise I=1 A bulunur.
A-B noktaları arasındaki gerilimi bulabilmek için bu iki nokta arasında kalan elemanlar üzerindeki gerilimler A noktasından başlayarak B noktasına ulaşana kadar toplanır. A-B noktaları arasında R2, R3, R 4 dirençleri ve V1 üreteci yer almaktadır. Bu nedenle; VAB = VR2 + V1 + VR3 + VR4 olarak yazılır.
VAB = I. R 2 + 16 + I. R 3 + I. R 4
VAB= 1. 4 + 16 + 1. 4 + 1. 2
VAB = 26 Volt bulunur.
15.Soru
Verilen devrede çevre akımları yöntemini kullanıldığında 4 ?’luk direncin harcadığı güç kaç W’dir?
|
12 |
|
20 |
|
28 |
|
32 |
|
36 |
–7 + 3 . IA – 14 + 4 . IA = 0
7 . IA = 21
IA = 3 A 14 + 5 . I B + 2 . IB = 0
7 . IB = –14
IB = –2 A elde edilir.
Devredeki bütün dirençlerden geçen akımlar sırasıyla;
3 ?’dan geçen akım I3? = IA = 3 A
4 ?’dan geçen akım I4? = Ib = 3 A 2 ?’dan geçen akım
I2? = IB = –2 A 5 ?’dan geçen akım
I5? = Ib = –2 A 4 ?’luk direncin harcadığı güç,
P4? = I2 4? . R = 32 . 4 = 36 W olarak bulunur.
16.Soru
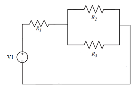
Şekildeki devrede R1=9? , R2= 3? , R3=6? kaynak gerilimi V1=44 volt olduğuna göre kaynağın gücü kaç Watt'tır?
|
22 Watt |
|
44 Watt |
|
88 Watt |
|
132 Watt |
|
176 Watt |
Khirchhoff’un akım yasasına göre; Gelen Akımlar = Giden Akımlar
Bu durumda, I = I1 + I2 yazılır.
I = I1 + I2 ? -I + I1 + I2 =0
P= I.V1 P= 4. 44 P= 176 Watt olarak bulunur.
17.Soru
Akım bölümünün gerçekleşeceği şekilde üç ya da daha fazla elemanın bağlı olduğu düğüm noktalarına ne denmektedir?
|
Çevre |
|
Kol |
|
Göz |
|
Temel düğüm noktası |
|
Düğüm |
Akım bölümünün gerçekleşeceği şekilde üç ya da daha fazla elemanın bağlı olduğu düğüm noktalarına temel düğüm noktası denir.
18.Soru
İki düğüm arasında kalan ve aynı akımın geçtiği devre parçasına ne ad verilir?
|
Kol |
|
Çevre |
|
Düğüm |
|
Göz |
|
Akım |
Kol: İki düğüm arasında kalan ve aynı akımın geçtiği devre parçasıdır.
-
- 1.SORU ÇÖZÜLMEDİ
- 2.SORU ÇÖZÜLMEDİ
- 3.SORU ÇÖZÜLMEDİ
- 4.SORU ÇÖZÜLMEDİ
- 5.SORU ÇÖZÜLMEDİ
- 6.SORU ÇÖZÜLMEDİ
- 7.SORU ÇÖZÜLMEDİ
- 8.SORU ÇÖZÜLMEDİ
- 9.SORU ÇÖZÜLMEDİ
- 10.SORU ÇÖZÜLMEDİ
- 11.SORU ÇÖZÜLMEDİ
- 12.SORU ÇÖZÜLMEDİ
- 13.SORU ÇÖZÜLMEDİ
- 14.SORU ÇÖZÜLMEDİ
- 15.SORU ÇÖZÜLMEDİ
- 16.SORU ÇÖZÜLMEDİ
- 17.SORU ÇÖZÜLMEDİ
- 18.SORU ÇÖZÜLMEDİ