Devre Analizi Ara 12. Deneme Sınavı
Toplam 20 Soru1.Soru
Gerilim ile ilgili verilen bilgilerden hangisi veya hangileri doğrudur?
I. Bir üretecin iki ucu arasındaki potansiyel farktır.
II. Voltmetre ile ölçülür.
III. Birim yük başına yapılan iştir.
IV. Birimi volttur.
V. Güç ile ters orantılıdır.
|
Yalnız I |
|
I ve II |
|
II ve III |
|
I, II, III ve IV |
|
I, II, III, IV ve V |
Diğer verilenler doğrudur ancak bir elektrik devresinde güç gerilim ile doğru orantılıdır.
2.Soru
Üç kaynaklı bir devrede süperpozisyon teoremi kullanılarak bir dirençten geçen akımın bulunması istenmektedir. Devrede her bir kaynak ile yapılan çözümler sonucu elde edilen akım değerleri ve yönleri yandaki şekilde verilmektedir. Buna göre dirençten geçen akımın değerin kaç Amper’dir ve hangi yöne doğrudur?
|
3 Amper Aşağı |
|
3 Amper Yukarı |
|
4 Amper Yukarı |
|
4 Amper Aşağı |
|
7 Amper Yukarı |
Süperpozisyon teoremi kullanılarak yapılan devre çözümünde, her kaynak için bulunan sonuçlar akım yönleri dikkate alınarak toplanır. Burada I1 ve I3 aynı yönde, I2 ters yön olduğundan,
(I1 + I3) – I2 = (1 + 4) – 2 = 3 A sonucu elde edilir.
Akımın yönü ise I1 ve I3 ile aynı yöndedir (aşağıya doğru).
3.Soru
3 renk bantlı bir dirençte tolerans kaç olarak alınmalıdır?
|
%5 |
|
%10 |
|
%15 |
|
%20 |
|
%25 |
3 renk bantlı bir direnç olduğu için toleransının her zaman %20 olarak alınması gerekmektedir.
4.Soru
Renk kodu 3 bantlı olan dirençlerde tolerans % kaçtır ?
|
1 |
|
5 |
|
10 |
|
20 |
|
15 |
% 20. sf. 8. Doğru cevap D'dir.
5.Soru
Süperpozisyon teoremine göre iki gerilim kaynağı ve bir akım kaynağı bulunan bir devrede devre kaç kere analiz edilir?
|
1 |
|
2 |
|
3 |
|
4 |
|
5 |
Süperpozisyon teoremin tek bir dezavantajı vardır o da devredeki kaynak sayısı kadar devrenin analizinin yapılacak olmasıdır. Örneğin iki gerilim kaynağı ve bir akım kaynağı bulunan bir devrede, devre her kaynak için ayrı ayrı çözüleceğinden devre üç kere analiz edilecektir.
6.Soru
Tek uçları birbirine bağlı olan dirençler ne olarak adlandırılır?
|
Paralel bağlı dirençler |
|
Seri bağlı dirençler |
|
Karışık bağlı dirençler |
|
Kontakt bağlı dirençler |
|
Direkt bağlı dirençler |
Ayrıca seri bağlı dirençlerde Eşdeğer direnç (Reş) tüm dirençlerin toplanması ile bulunur, seri bağlı dirençlerden geçen akımlar aynıdır. Dirençlerin üzerindeki gerilimlerin toplamı ise kaynak gerilimine eşittir.
7.Soru
Verilen devrede R1 direnci üzerinden geçen akımın değeri nedir?
|
0,5 A |
|
1 A |
|
1,5 A |
|
2 A |
|
3 A |
8.Soru
1,2,3,4 ve 5. sorular yukarıda verilen elektrik devresi kullanılarak cevaplanacaktır.
1. R1 direnci üzerinden geçen akım kaç A'dir?
|
0,5 |
|
1 |
|
2 |
|
4 |
|
5 |
Aşağıda görüldüğü gibi, 3 direncin de birleştiği düğüm noktasında Va gerilimi oluştuğunu varsayarak ve akım yönlerini R1 ve R2 dirençleri için Va'ya doğru (düğüm noktasına gelecek şekilde) R3 direnci için ise düğüm noktasından uzaklaşacak şekilde seçersek;
i3=i1+i2 olacaktır. Buna göre;
(Va-0)/2=(9-Va)/4+(10-Va)/1 olur ve buradan da7 Va=49 bulunur. Va=7 V olur.
R1 direnci üzerinden geçen i1 akımı ise (9-Va)/4 olur yani (9-7)/4=0,5 A'dir.
9.Soru
Aşağıdakilerden hangisi doğrudur?
|
Elektrik akımının kullanılması ve devre analizi ile ilgili kurallar yeni oluşturulmuştur. |
|
Bu kurallar dünyanın her yerinde farklı şekilde kullanılmaktadır. (aynı) |
|
Kullanılan birimler standart (Fransızca: Système International d’unités, kısaca SI) olarak belirlenmiştir. |
|
Elektrik ve elektronik teknolojisi kuralları belirsiz bir sistemdir. (kesin |
|
Devre analizinin temelini manyetik alan teorisi oluşturur. (ohm kanunu) |
Elektrik akımının kullanılması ve devre analizi ile ilgili kurallar yıllar önce oluşturulmuş, dünyanın her yerinde aynı şekilde kullanılan kurallardır; elektrik ve elektronik teknolojisi kuralları kesin bir sistemdir ve devre analizinin temelini Ohm Kanunu oluşturur.
10.Soru
I. Devrenin çözümü için gerekli olan düğüm noktaları belirlenir.
II. Düğüm noktalarına V1, V2 …. Vn şeklinde düğüm gerilimi isimleri verilir. Bu işlem sırasında, devrede toprak belirlenmiş ise bu düğüm noktasına göre veya aksi durumda seçilen sıfır referans gerilimine sahip düğüm noktasına göre düğüm gerilimleri ifade edilir.
III. Düğüm gerilimleri ve Ohm Kanunu kullanılarak akım denklemleri yazılır.
IV. Düğüm denklemlerinin sayısı düğüm sayısının bir eksiğidir.
V. Denklemler çözülerek düğüm noktalarına ait gerilim değerleri bulunur.
Düğüm noktası yöntemi ile devrelerin analizi yapılırken işlem basamaklarının doğru sırası aşağıdakilerden hangisinde verilmiştir?
|
I-II-III-IV-V |
|
I-III-II-IV-V |
|
I-V-III-IV-II |
|
IV-II-III-I-V |
|
I-II-III-IV-V |
Düğüm noktası yöntemi ile devrelerin analizi yapılırken aşağıdaki işlem basamakları
sırasıyla uygulanmaktadır:
• Devrenin çözümü için gerekli olan düğüm noktaları belirlenir.
• Düğüm noktalarına V1, V2 …. Vn şeklinde düğüm gerilimi isimleri verilir. Bu işlem sırasında, devrede toprak belirlenmiş ise bu düğüm noktasına göre veya aksi
durumda seçilen sıfır referans gerilimine sahip düğüm noktasına göre düğüm gerilimleri ifade edilir.
• Düğüm gerilimleri ve Ohm Kanunu kullanılarak akım denklemleri yazılır.
• Düğüm denklemlerinin sayısı düğüm sayısının bir eksiğidir.
• Denklemler çözülerek düğüm noktalarına ait gerilim değerleri bulunur.
11.Soru
Şekil 4’te R1 =8 ? , R2 =4 ?, R3 =4 ?’dur. R1 üzerinden geçen akım değeri kaçtır?
|
0,5 A |
|
1 A |
|
1,5 A |
|
2 A |
|
3 A |
Düğüm noktasındaki gerilimi VA olarak adlandırırsak, VA geriliminin değeri voltaj kaynağının gerilimine eşittir. I=VA/(R1+R2) = 36/12 = 3 A’dir.
12.Soru
Şekildeki devrede R1 =10 ohm , R2 =5 ohm, R3 =5 ohm ve kaynak gerilimi (V) 40 Volt’tur. VBC (B ve C noktaları arasındaki) gerilimi kaçtır?
|
10 |
|
15 |
|
20 |
|
25 |
|
30 |
VBC=V1= R2I+ R3I = 5.2+5.2 =20V’tur.
13.Soru
Norton teoreminde eşdeğer devre aşağıdakilerden hangileriyle oluşur?
|
Gerilim kaynağı ve ona seri bağlı direnç |
|
Direnç kaynağı ve ona paralel bağlı direnç |
|
Akım kaynağı ve ona seri bağlı direnç |
|
Gerilim kaynağı ve ona paralel bağlı direnç |
|
Akım kaynağı ve ona paralel bağlı direnç |
Norton teoreminde, eşdeğer devre akım kaynağı ve ona paralel bağlı dirençten oluşmaktadır.
14.Soru
Yukarıdaki şekle göre 3 Ohm dan geçen akım kaçtır?
|
1 A |
|
2 A |
|
3 A |
|
4 A |
|
5 A |
15.Soru
Aşağıdakilerden hangisi kapalı bir elektrik devresinde devreye uygulanan gerilim
ile seri bağlı dirençlerin üzerindeki gerilim düşümlerinin toplamının sıfıra eşit olduğunu ifade etmektedir?
|
Kirşof gerilim yasası |
|
Kirşof akım kanunu |
|
Gerilim kaynağı |
|
Ohm kanunu |
|
Manyetik indüksiyon |
Kirşof gerilimler yasası, kapalı bir elektrik devresinde devreye uygulanan gerilim
ile seri bağlı dirençlerin üzerindeki gerilim düşümlerinin toplamının sıfıra eşit olduğunu ifade etmektedir.
16.Soru
Bir elektrik devresinde ikiden fazla ucun birleştiği yere verilen isim nedir?
|
Düğüm noktası |
|
Olgu |
|
Elektrik devresi |
|
Gerilim |
|
Akım yasası |
Düğüm noktası yöntemindeki en önemli olgu, ele alınan devrenin düğüm noktalarının
yerlerinin ve sayısının doğru olarak belirlenmesidir. Bir elektrik devresinde ikiden fazla
ucun birleştiği yere düğüm veya düğüm noktası denir.
17.Soru
Düğüm noktaları arasında kalan ve üzerinde devre elemanlarının yer aldığı devre parçasına ne denmektedir?
|
Çevre |
|
Kol |
|
Devre |
|
Göz |
|
Devre elemanı |
Her bir devre elemanının üzerinde yer aldığı devre parçasıdır. Bir başka şekilde ifade edilirse, düğüm noktaları arasında kalan ve üzerinde devre elemanlarının yer aldığı devre parçasına kol denir.
18.Soru
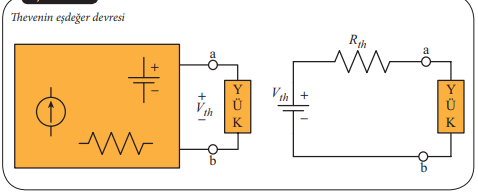
Thevenin eşdeğer devresi görselinde Rth simgesi nasıl açıklanır?
|
a b uçları arasındaki Thevenin direnci |
|
a ve b uçları arasındaki Thevenin gerilim kaynağı |
|
a ve b uçları arasındaki Norton akım kaynağı |
|
a ve b uçları arasındaki Norton direnci |
|
Thevenin-Norton bileşik direnci |
Rth: a ve b uçları arasındaki Thevenin direnci
Vth: a ve b uçları arasındaki Thevenin gerilim kaynağı şeklinde tanımlanır.
19.Soru
Devrede düğüm noktası yöntemini kullanarak 6 ?’luk direncin harcadığı güç nedir?
|
3 W |
|
6 W |
|
4 W |
|
2 W |
|
8 W |
Devrede, ikiden fazla ucun birleştiği yer düğüm noktası olarak seçilir. Devrede bu şekilde tek bir düğüm noktası vardır ve bu düğüm noktasına ait gerilim V1 olarak
belirlenir. Ayrıca, toprak noktası da kolların birleştiği alt düğüm noktası olarak belirlenir.
Şekilde görüldüğü gibi, düğüm noktasından giden akım seçilmiştir. Kirchhoff akım yasasına göre bu ortak düğüm noktasındaki akımların cebirsel toplamı sıfırdır.
20.Soru
I. Elektrik akımı: Yüklerin hareketi sonucu elektrik akımı oluşur.
II. Alternatif akım ise zamanla yönü ve büyüklüğü değişen akımdır.
III. Gerilim (elektromotor kuvvet, potansiyel fark), bir üretecin iki ucu arasındaki potansiyel farktır.
IV. Güç: Birim zamanda yapılan işe güç denir.
Yukarıda verilen tanımlardan hangileri doğrudur?
|
Yalnız I |
|
I ve II |
|
II ve III |
|
III ve IV |
|
I, II, III, IV |
Elektrik akımı: Yüklerin hareketi sonucu elektrik akımı oluşur.
Alternatif akım ise zamanla yönü ve büyüklüğü değişen akımdır.
Gerilim (elektromotor kuvvet, potansiyel fark), bir üretecin iki ucu arasındaki potansiyel farktır.
Güç: Birim zamanda yapılan işe güç denir.
-
- 1.SORU ÇÖZÜLMEDİ
- 2.SORU ÇÖZÜLMEDİ
- 3.SORU ÇÖZÜLMEDİ
- 4.SORU ÇÖZÜLMEDİ
- 5.SORU ÇÖZÜLMEDİ
- 6.SORU ÇÖZÜLMEDİ
- 7.SORU ÇÖZÜLMEDİ
- 8.SORU ÇÖZÜLMEDİ
- 9.SORU ÇÖZÜLMEDİ
- 10.SORU ÇÖZÜLMEDİ
- 11.SORU ÇÖZÜLMEDİ
- 12.SORU ÇÖZÜLMEDİ
- 13.SORU ÇÖZÜLMEDİ
- 14.SORU ÇÖZÜLMEDİ
- 15.SORU ÇÖZÜLMEDİ
- 16.SORU ÇÖZÜLMEDİ
- 17.SORU ÇÖZÜLMEDİ
- 18.SORU ÇÖZÜLMEDİ
- 19.SORU ÇÖZÜLMEDİ
- 20.SORU ÇÖZÜLMEDİ