Devre Analizi Ara 3. Deneme Sınavı
Toplam 19 Soru1.Soru
I. Düğüm gerilimleri ve Ohm Kanunu kullanılarak akım denklemleri yazılır. II.Devrenin çözümü için gerekli olan düğüm noktaları belirlenir. III. Denklemler çözülerek düğüm noktalarına ait gerilim değerleri bulunur.
IV. Düğüm noktalarına V1, V2 …. Vn şeklinde düğüm gerilimi isimleri verilir. Bu işlem sırasında, devrede toprak belirlenmiş ise bu düğüm noktasına göre veya aksi durumda seçilen sıfır referans gerilimine sahip düğüm noktasına göre düğüm gerilimleri ifade edilir.
V. Düğüm denklemlerinin sayısı düğüm sayısının bir eksiğidir.
Düğüm noktası yöntemi ile devrelerin analizi yapılırken yukarıdaki işlem basamakları hangi sırayla uygulanmalıdır?
|
I-II-III-IV-V |
|
II-IV-I-V-III |
|
II-V-I-IV-III |
|
III-IV-I-V-II |
|
I-IV-II-V-III |
Düğüm noktası yöntemi ile devrelerin analizi yapılırken aşağıdaki işlem basamakları sırasıyla uygulanmaktadır:
• Devrenin çözümü için gerekli olan düğüm noktaları belirlenir.
• Düğüm noktalarına V1, V2 …. Vn şeklinde düğüm gerilimi isimleri verilir. Bu işlem sırasında, devrede toprak belirlenmiş ise bu düğüm noktasına göre veya aksi durumda seçilen sıfır referans gerilimine sahip düğüm noktasına göre düğüm gerilimleri ifade edilir.
• Düğüm gerilimleri ve Ohm Kanunu kullanılarak akım denklemleri yazılır.
• Düğüm denklemlerinin sayısı düğüm sayısının bir eksiğidir.
• Denklemler çözülerek düğüm noktalarına ait gerilim değerleri bulunur.
2.Soru
Seri bağlı olan R1=9 Ω ve R2=6 Ω dirençleri ile bunlara paralel R3=10 Ω direncinin oluşturduğu devrede, Reş kaçtır?
|
4 Ω |
|
10 Ω |
|
8 Ω |
|
6 Ω |
|
5 Ω |
R1 ve R2 dirençleri seri bağlı olduğu için eşdeğer direnç değeri, değerleri toplanarak elde edilebilir. Reş1=R1+R2=9+6=15 Ω. Devrenin eşdeğer direnç değeri ise, Reş=(Reş1.R3)/( Reş1+R3)=(15.10)/(15+10)=150/25=6 Ω.
3.Soru
"...................., bir devrenin karmaşıklığını basitleştirmenin en iyi yöntemidir. Bu dönüşüm aynı zamanda Thevenin ve Norton teoremleri için de bir temel teşkil etmektedir."
Metinde boş bırakılan yere aşağıdakilerden hangisi getirilmelidir?
|
Kaynak dönüşümü |
|
Gerilim kaynağı |
|
Bağlı direnç |
|
Seri direnç |
|
Elektrik devresi |
Kaynak dönüşümü bir devrenin karmaşıklığını basitleştirmenin en iyi yöntemidir. Bu dönüşüm aynı zamanda ünitenin ilerleyen konularında bahsedilecek olan Thevenin ve Norton teoremleri için de bir temel teşkil etmektedir.
4.Soru
Devre gerimi V=120 volt, R1=8 ? , R2=3 ? , R3=6 ? dur. Buna göre R3 direnci üzerinden geçen akım kaç amperdir?
|
2 A |
|
4 A |
|
8 A |
|
12 A |
|
24 A |
Reş = (R2 . R3) / (R2 + R3) olarak hesaplanır.
Reş1= (3.6) / (3+6) Reş1=18 / 9
Reş1=2 ?
Reş= R1+Reş1 Reş=8 + 2
Reş=10 ?
I= V/ Reş I=120 / 10
I= 12 A
R3 direnci üzerinden geçen akımı bulabilmek için; IR3 = I.R2 / (R3 + R2) eşitliği kullanılır.
IR3= 12.3 / (3 + 6 )
IR3= 4 A
Sorunun doğru cevabı B seçeneğidir.
5.Soru
Akım bölümünün gerçekleşeceği üç ya da daha fazla elemanın bağlı olduğu düğüm noktalarına ne ad verilir?
|
Temel düğüm noktası |
|
Devre elemanı |
|
Düğüm noktası |
|
kol |
|
çevre |
Akım bölümünün gerçekleşeceği üç ya da daha fazla elemanın bağlı olduğu düğüm noktalarına temel düğüm noktası denir.
6.Soru
Görselde verilen kaynak dönüşümünün gerçekleştiği direnç türü aşağıdakilerden hangisidir?
|
Gerilim kaynağına seri direnç |
|
Akım kaynağına paralel direnç |
|
Gerilim kaynağına kaynak dönüşümü |
|
Akım kaynağına kaynak dönüşümü |
|
Seri kaynağa dönüşümlü direnç |
7.Soru
Renk kodları okunurken üç bantlı dirençlerde tolerans her zaman yüzde kaçtır?
|
%50 |
|
%40 |
|
%30 |
|
%20 |
|
%10 |
Direnç değerleri ve toleransları üzerindeki renklerle belirlenir. Çizgiler direncin hangi
ucuna yakın ise o uçtan başlamak suretiyle renk bantları okunur. Dirençler 3, 4, 5 renk
bantlı olarak üretilebilir. 3 renk bantlı bir dirençte tolerans sabittir ve %20’dir. 4 ve 5 bantlı
dirençlerde ise son bant toleransı belirtir. Renk kodları okunurken üç bantlı dirençlerde toleransın her zaman %20 olduğu gözden kaçırılmamalıdır.
8.Soru
Yukarıda verilen şekilde aşağıdakilerden hangisi gösterilmektedir?
|
Gerilim kaynağına kaynak dönüşümü uygulanması. |
|
Akım kaynağına kaynak dönüşümü uygulanması |
|
Direnç kaynağına kaynak dönüşümü uygulanması |
|
Güç kaynağına kaynak dönüşümü uygulanması |
|
Norton eşdevresine kaynak dönüşümü uygulanması |
Şekilde görünen gerilim kaynağına kaynak dönüşümü uygulanmasıdır.
9.Soru
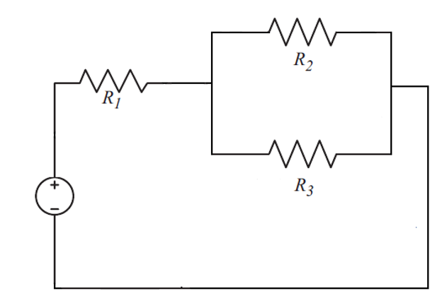
Yukarıda verilen elektrik devresinde dirençlerin bağlanma şekli nasıl adlandırılır?
|
Paralel bağlı |
|
Seri bağlı |
|
Ters bağlı |
|
Düz bağlı |
|
Karışık bağlı |
10.Soru
Elektrik akımı ile ilgili aşağıda verilen ifadelerden hangisi ya da hangileri doğrudur? I- Bir elektrik devresinde akım yönü pozitif yüklerin hareket yönü olan (+) dan (–) ye doğru kabul edilir. II- Birim zamanda, yer değiştiren elektrik yükü miktarı attıkça akım şiddeti azalır. III- Alternatif akım, zamanla yönü ve büyüklüğü değişen akımdır.
|
Yalnız I |
|
I, II |
|
I, III |
|
II, III |
|
I, II, III |
Akımın oluşmasında elektronların hareketi rol oynamasına rağmen, bir elektrik devresinde akım yönü pozitif yüklerin hareket yönü olan (+) dan (–) ye doğru kabul edilir. Elektrik akımı birim zamanda yer değiştiren yük miktarına göre belirlenir. Q elektrik yükü (Coulomb) ve t, zaman(saniye) olmak üzere I akımının şiddeti; I=dq/dt olarak elde edilir. Buna göre elektrik yükü arttıkça akım şiddeti de artar. Akım, DA (doğru akım) ve AA (alternatif akım) olmak üzere ikiye ayrılır. Doğru akım zamanla yönü ve büyüklüğü değişmeyen akımdır. Alternatif akım ise zamanla yönü ve büyüklüğü değişen akımdır. I ve III ifadeleri doğru, II ifadesi yanlıştır. Sorunun doğru cevabı C seçeneğidir.
11.Soru
Verilen devrede R3 direnci üzerinden geçen akım kaç A’dir?
|
3,2 A |
|
3,5 A |
|
4 A |
|
4,2 A |
|
5,4 A |
12.Soru
Devre analizi terminolojisinde kullanılan temel kavramların birim ve kısaltmaları verilmiştir. Bunlardan hangisi doğrudur?
|
Enerji-Joule-Jo |
|
Frekans-Hertz-Hz |
|
Endüktans-Farad-F |
|
Kapasitans-Henry-H |
|
Güç-Watt-V |
Enerji-Joule-J, Güç-Watt-W, Endüktans-Henry-H ve Kapasitans-Farad-F diğer şıkların düzeltilmiş halleridir. Frekans-Hertz-Hz doğru olarak verilmiştir.
13.Soru
Şekildeki devrede R1=2? , R2= 6? , R3=5? kaynak gerilimleri ise V1=36 V, V2=40 V olarak verilmiştir. Buna göre 5?’luk direnç üzerindeki gerilim kaç Volt’tur?
|
5 Volt |
|
10 Volt |
|
15 Volt |
|
20 Volt |
|
25 Volt |
I2=I1+I3
VR5?= I3.R3
VR5? = 2.5
VR5? =10 Volt bulunur.
14.Soru
Yukarıdaki şekle göre 3. çevre elemanları hangi elemanlardan oluşmaktadır?
|
V1 , R1 , R5 ve R4 |
|
R1 , R5 ve R4 |
|
R2 , R3 ve R5 |
|
V1 , R1 , R2 , R3 ve R4 |
|
V1 , R1 , R2 , R3 , R4 ve R5 |
3. Çevre: V1 , R1 , R2 , R3 ve R4 elemanlarından oluşmaktadır.
15.Soru
Yukarıdaki devreye göre V1 kaç voltur?
|
1 V |
|
5 V |
|
7 V |
|
8 V |
|
10 V |
16.Soru
İki direnç paralel bağlı olduğunda devrede, eşdeğer direnç nasıl bulunmaktadır?
|
R1, R2 çarpımı R1, R2 toplamına bölünerek |
|
R1, R2 toplamı R1, R2 çarpımına bölünerek |
|
R1 ve R2 toplanarak |
|
R1 ve R2 çarpılarak |
|
R2 R1’e bölünerek |
Formül bu seçenekte doğru olarak verilmiştir.
17.Soru
Şekildeki devrede R1 = 1 ?, R2 = 4 ?, R3 = 2 ?, gerilim kaynağı değeri V =10 V ve akım kaynağının değeri I = 4 A olarak verilmiştir. Verilen devrede R2 direncinin üzerinden geçen akımın değeri nedir?
|
1 A |
|
1,5 A |
|
2 A |
|
2,5 A |
|
3 A |
Buradan VA = 12 V olarak bulunur. R2 üzerindeki akım;
olarak bulunur.
18.Soru
"Bazı atomların son yörüngesindeki elektron sayısı 4’ten fazla olduğu için dışarıdan elektron alma eğilimindedirler ve ............ olarak adlandırılırlar."
Tanımda verilen boşluğa aşağıdakilerden hangisi gelmelidir?
|
İletken |
|
Yarı iletken |
|
Yalıtkan |
|
Akım |
|
Direnç |
Bazı atomların son yörüngesindeki elektron sayısı 4’ten fazla olduğu için dışarıdan
elektron alma eğilimindedirler ve yalıtkan olarak adlandırılırlar.
19.Soru
24 ?, 10 ? ve 8 ?'luk 3 direnç paralel bağlıdır. Eşdeğer direnç kaç ?'dur ?
|
3.75 |
|
4 |
|
4.25 |
|
4.5 |
|
5 |
1 / R = (1 / 24) + (1 / 10) + (1 / 8) = 32 / 120 ; R = 3.75. sf. 12. Doğru cevap A'dır.
-
- 1.SORU ÇÖZÜLMEDİ
- 2.SORU ÇÖZÜLMEDİ
- 3.SORU ÇÖZÜLMEDİ
- 4.SORU ÇÖZÜLMEDİ
- 5.SORU ÇÖZÜLMEDİ
- 6.SORU ÇÖZÜLMEDİ
- 7.SORU ÇÖZÜLMEDİ
- 8.SORU ÇÖZÜLMEDİ
- 9.SORU ÇÖZÜLMEDİ
- 10.SORU ÇÖZÜLMEDİ
- 11.SORU ÇÖZÜLMEDİ
- 12.SORU ÇÖZÜLMEDİ
- 13.SORU ÇÖZÜLMEDİ
- 14.SORU ÇÖZÜLMEDİ
- 15.SORU ÇÖZÜLMEDİ
- 16.SORU ÇÖZÜLMEDİ
- 17.SORU ÇÖZÜLMEDİ
- 18.SORU ÇÖZÜLMEDİ
- 19.SORU ÇÖZÜLMEDİ