Devre Analizi Final 10. Deneme Sınavı
Toplam 20 Soru1.Soru
C1=2uF ve C2=8uF olan iki kondansatör seri olarak bağlanmıştır. Eşdeğer sığa aşağıdakilerden hangisinde verilmiştir?
|
1 uF |
|
1,6uF |
|
4,8uF |
|
8uF |
|
10 uF |
Seri bağlı kondansatörlerde eşdeğer sığa;
Ceş=C1.C2/(C1+C2) olacağından Ceş=2.8/10=1,6uF olur.
2.Soru
Şekildeki devrede eşdeğer sığa ile C1 ve C2 kondansatörlerinin yük değerleri nedir?
|
C =3.10-6 F , Q1 = 48.10-6 Coulomb , Q2 =24.10-6 Coulomb |
|
C =3.10-6 F , Q1 = 38.10-6 Coulomb , Q2 =48.10-6 Coulomb |
|
C =6.10-6 F , Q1 = 18.10-6 Coulomb , Q2 =24.10-6 Coulomb |
|
C =6.10-6 F , Q1 = 24.10-6 Coulomb , Q2 =36.10-6 Coulomb |
|
C =3.10-6 F , Q1 = 15.10-6 Coulomb , Q2 =36.10-6 Coulomb |
3.Soru
Bir devrenin empedansının mutlak değeri 36 ? , faz açısı 45° ise bu devrenin reaktansı kaç ?’dur?
|
12,44 |
|
25,46 |
|
17,96 |
|
22,4 |
|
27,64 |
|Z|=36 ve arctan(X/R)=45° iseX/R=1 olur. Yani X=R olur.
|Z|=kök(X²+R²)=36 olduğundan 1296=2X²
X=25,46 ?
4.Soru
- Devrenin çözümü için gerekli olan gözler belirlenir.
- Her bir göze Kirchhoff’un gerilim yasası uygulanarak göz sayısı kadar denklem yazılır.
- Her bir göz için bir göz akımı atanır ve isimlendirilir.
- Göz denklemleri yazılırken bir başlangıç noktası seçilerek, tekrar o noktaya gelindiğinde denklemin yazılımı sonlandırılmalıdır.
- Çözümü istenen devrede eğer göz akımlarının yönleri belirtilmemiş ise keyfi olarak seçilir. Genel olarak akım yönünün saat yönünde olması tercih edilir.
Çevre akımları yöntemi ile devrelerin analizi yapılırken yukarıdaki işlem basamakları hangi sırayla uygulanmalıdır?
|
II-I- V- IV- III |
|
I- III- V- II- IV |
|
III- V- I- II- IV |
|
IV- V- II- III- I |
|
I- II- III- IV- V |
Çevre akımları yöntemi ile devrelerin analizi yapılırken aşağıdaki işlem basamakları sırasıyla uygulanmaktadır:
• Devrenin çözümü için gerekli olan gözler belirlenir.
• Her bir göz için bir göz akımı atanır ve isimlendirilir.
• Çözümü istenen devrede eğer göz akımlarının yönleri belirtilmemiş ise keyfi olarak seçilir. Genel olarak akım yönünün saat yönünde olması tercih edilir.
• Her bir göze Kirchhoff’un gerilim yasası uygulanarak göz sayısı kadar denklem yazılır.
• Göz denklemleri yazılırken bir başlangıç noktası seçilerek, tekrar o noktaya gelindiğinde denklemin yazılımı sonlandırılmalıdır.
5.Soru
Yukarıdaki devrede V1 ve V2 gerilimlerini düğüm noktası yöntemiyle bulunacak olursa aşağıdakilerden hangisi doğru olur?
|
V1 = 2,37 ∠ 105,63° V V2= 2,69 ∠ 151,64° V |
|
V1 = 2,36 ∠ 105,63° V V2= 2,68 ∠ 151,64° V |
|
V1 = 2,37 ∠ 105,63° V V2= 2,72 ∠ 151,64° V |
|
V1 = 3,37 ∠ 105,63° V V2= 3,69 ∠ 151,64° V |
|
V1 = 1,37 ∠ 105,63° V V2= 1,69 ∠ 151,64° V |
6.Soru
Üretim aşamasında kutuplanmamış ve devreye bağlanma yönü önem taşımayan kondansatör türüne verilen isim aşağıdakilerden hangisidir?
|
Ayarlanabilir kondansatörler |
|
Sabit değerlikli kondansatörler |
|
Kutuplu kondansatörler |
|
Kutupsuz kondansatörler |
|
Varyabl kondansatörler |
Kutupsuz kondansatörler: Üretim aşamasında kutuplanmamış ve devreye bağlanma yönü önem taşımayan kondansatör türüdür. Kutupsuz kondansatörler hem DA hem de AA devrelerinde kullanılabilir.
7.Soru
Aşağıda verilen işlemlerden hangisi ya da hangileri bobin endüktansını artırır? I- Bobinin nüve kesit yarıçapının artırılması II- Sarım sayısının azaltılması III- Sargıda kullanılan telin uzunluğunun azaltılması IV- Manyetik geçirgenliği daha yüksek bir nüve kullanılması
|
I, III |
|
II, III |
|
I, II, IV |
|
I, III, IV |
|
I, II, III, IV |
Bir bobinin endüktansı,
Formülü ile hesaplanır. Burada, L bobinin endüktansını (H), μ manyetik geçirgenliği (H/m veya H/cm), N sarım sayısını, A nüve kesit alanını (cm2 ) ve l tel uzunluğunu, (cm) ifade eder. Buna göre; Bobinin endüktansı sargıda kullanılan telin uzunluğu ile ters, sarım sayısının karesi ile doğru orantılıdır. Dolayısıyla sargı tipi, sarım aralığı, sargı katı sayısı, sargı tipi gibi faktörler bobin endüktansını etkiler. Bobinin endüktansı bobinin kesit alanı ile doğru orantılıdır. Bobinin endüktansı nüvenin manyetik geçirgenliği ile doğru orantılıdır. Bu durum kullanılan nüvenin cinsinin de endüktans değerinde etkili olduğunu gösterir. Buna göre I, III ve IV ifadeleri doğru, II ifadesi yanlıştır. Sorunun doğru cevabı D seçeneğidir.
8.Soru
I. Devrenin çözümü için gerekli olan düğüm noktaları belirlenir.
II.Düğüm gerilimleri ve Ohm Kanunu kullanılarak akım denklemleri yazılır.
III. Denklemler çözülerek düğüm noktalarına ait gerilim değerleri bulunur.
IV. Düğüm noktalarına V1, V2 …. Vn şeklinde düğüm gerilimi isimleri verilir. Bu işlem sırasında, devrede toprak belirlenmiş ise bu düğüm noktasına göre veya aksi durumda seçilen sıfır referans gerilimine sahip düğüm noktasına göre düğüm gerilimleri ifade edilir.
V. Düğüm denklemlerinin sayısı düğüm sayısının bir eksiğidir.
Düğüm noktası yöntemi ile devrelerin analizi yapılırken yukarıdaki işlem basamakları
hangi sırayla uygulanmalıdır?
|
I-II-III-V-IV |
|
II-V-IV-III-I |
|
I-IV-II-V-III |
|
III-I-II-V-IV |
|
V-I-III-IV-II |
I. Devrenin çözümü için gerekli olan düğüm noktaları belirlenir.
IV. Düğüm noktalarına V1, V2 …. Vn şeklinde düğüm gerilimi isimleri verilir. Bu işlem sırasında, devrede toprak belirlenmiş ise bu düğüm noktasına göre veya aksi
durumda seçilen sıfır referans gerilimine sahip düğüm noktasına göre düğüm gerilimleri ifade edilir.
II. Düğüm gerilimleri ve Ohm Kanunu kullanılarak akım denklemleri yazılır.
V. Düğüm denklemlerinin sayısı düğüm sayısının bir eksiğidir.
III. Denklemler çözülerek düğüm noktalarına ait gerilim değerleri bulunur
9.Soru
Görünür güç hangi gücün mutlak değeridir?
|
Reaktif güç |
|
Ortalama güç |
|
Kompleks güç |
|
Anlık güç |
|
Gerçek güç |
Görünür güç kompleks gücün mutlak değeridir.
10.Soru
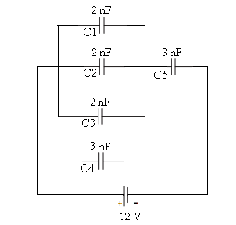
Şekildeki devrenin eşdeğer sığası aşağıdakilerden hangisidir?
|
3 nF |
|
4 nF |
|
5 nF |
|
6 nF |
|
8 nF |
Devrede C1, C2, C3 kondansatörleri paraleldir.
Ceş1=C1+ C2+C3
Ces1=2+2+2
Ces1=6 nF
Ceş1 ve C5 kondansatörleri seri bağlıdır.
Ceş2=(Ceş1.C5) / (Ceş1+ C5)
Ceş2=(6.3) / (6+3)
Ceş2=18/9
Ceş2=2 nF
Ceş2 ve C4 paralel dir.
Ces= Ceş2+C4
Ceş= 2+3
Ceş= 5 nF
Buna göre sorunun doğru cevabı C seçeneğidir.
11.Soru
İçerisinde hareketli veya sabit bir nüve bulunan mandren üzerine, dışı izole edilmiş iletken telin sarılmasıyla elde edilen devre elemanına verilen isim aşağıdakilerden hangisidir?
|
Bağlama |
|
Kondansatör |
|
Bobin |
|
Seramik |
|
Enerji |
İçerisinde hareketli veya sabit bir nüve bulunan mandren üzerine, dışı izole edilmiş
iletken telin sarılmasıyla elde edilen devre elemanına bobin denir.
12.Soru
Empedansın r Z =5∠60°Ω ve gerilimin değerinin v(t) = 2 . cos(5000t) V olduğu bir devrede harcanan reaktif güc kaçtır ?
|
0,1 |
|
0,25 |
|
0,3 |
|
0,35 |
|
0,4 |
13.Soru
Aşağıdakilerden hangisinde kondansatörlerle ilgili doğru bilgi verilmiştir?
|
Kondansatörün kapasitesi plakalarının yüzey alanı ile ters orantılıdır. |
|
Kondansatörün kapasitesi plakaları arasındaki mesafeyle doğru orantılıdır. |
|
Kondansatörün kapasitesi, levhalar arasındaki dielektrik madde ile doğrudan ilgilidir. |
|
Plaka sayısının değiştirilebildiği kondansatörlerde kapasite plaka sayısı ile de ters orantılı olarak değişir. |
|
Bir maddenin dielektrik katsayısı ne kadar küçük ise o madde o kadar iyi |
Kondansatörün kapasitesi, levhalar arasındaki dielektrik madde ile doğrudan ilgilidir. Bir maddenin dielektrik katsayısı ne kadar büyük ise o madde o kadar iyi
yalıtkan demektir. Dolayısıyla kondansatörlerin kapasitesi de kullanılan yalıtkan
maddenin dielektrik katsayısı ile doğru orantılıdır.
14.Soru
Y1,Y2,Y3 admittansları paralel bağlanıyor. Frekans sabit olmak üzere S,
S,
S'dir. Buna göre devrenin eşdeğer empedansı aşağıdakilerden hangisidir?
|
|
|
|
|
|
|
|
|
|
Eşdeğer admitans S olmaktadır. Admitansı kutupsal formda gösterebilmek için faz açısı
olarak bulunur. Ayrıca Admitansın büyüklüğü ise
S olmaktadır. Kutupsal formda admitans
olmaktadır. Eşdeğer empedans ise
olmaktadır. Doğru cevap D'dir.
15.Soru
Sadece direnç ve kondansatörden oluşan kaynaksız bir RC devresinde kondansatörün t= 0 anındaki gerilim değeri VC(0) = 10V, devredeki direnç 5Ω ve kondansatör 0,1F olarak verilmiştir. t=200ms için kondansatör gerilimi kaç V olur?
|
13,4V |
|
2,7V |
|
6,3V |
|
6,7V |
|
3,6V |
VC(t)= 10.e-2t V formülünde t =200 ms olarak yazılırsa:
VC(200ms)= 10.e-0,4 = 6,7 V olarak bulunur.
16.Soru
Bir devrede R=5?, C=60mF ve vs(t)=2u(t) olan direnç, kondansatör ve gerilim kaynağı birbirine seri bağlanmıştır. Kondansatör üzerindeki başlangıç gerilimi vc(0)=0 olduğuna göre t=150msn iken vc(t) değeri aşağıdakilerden hangisidir?
|
0,8 V |
|
3 V |
|
0,5 V |
|
5 V |
|
8 V |
Gerilim kaynağı birim basamak fonksiyonu ile tanımlandığından t?0 için vs(t)=0, t?0 için vs(t)=2V olacaktır. Buna göre t sonsuza giderken kondansatör açık devre, vc(?)=2V, RTH=5? ve zaman sabiti ?=RTH.C=0,3sn olacaktır. vc(t)=K1+K2.e-t/? ifadesinden t=150msn sonra kondansatör gerilimi vc(t)=2+(0-2). e-0,15/0,3=0,8V bulunur.
17.Soru
Süperpozisyon teoremi ile devre çözerken uygulanan işlemlerden hangisi yanlış verilmiştir?
|
Devrede bağımsız kaynaklardan sadece bir tanesi bırakılır. |
|
Gerilim kaynakları devreden çıkartılırken gerilim kaynağının bulunduğu yer “kısa devre” yapılır. |
|
Akım kaynakları devreden çıkartılırken akım kaynaklarının bulunduğu yer açık bırakılarak “kapalı devre” yapılır. |
|
Devredeki kaynak sayısı kadar, devre çözümü yapılır. |
|
Her kaynak için tek tek bulunan akım ve gerilim değerleri cebirsel olarak toplanır. |
Süperpozisyon teoremi ile devre çözerken aşağıdaki işlem basamakları sırasıyla uygulanmaktadır. Bunlar;
• Ele alınan devrede aynı anda hem akım hem de gerilim kaynağı olabilir.
• Devrede bağımsız kaynaklardan sadece bir tanesi bırakılır ve diğer kaynakların hepsi aynı anda çıkarılır (öldürülür). Gerilim kaynakları devreden çıkartılırken gerilim kaynağının bulunduğu yer “kısa devre” yapılır (Şekil 4.15). Akım kaynakları devreden çıkartılırken akım kaynaklarının bulunduğu yer ise açık bırakılarak “açık devre” yapılır.
• Eğer devrede bağımlı kaynak bulunuyorsa, bu bağımlı kaynak hiçbir zaman diğer akım ve gerilim kaynakları gibi devre dışına alınmaz. Bağımlı kaynak devrede kalmak şartıyla biri dışında diğer bütün bağımsız kaynaklar devreden çıkarılır.
• Devre analiz yöntemleri kullanılarak, her kaynak için istenilen akım ve gerilim gibi büyüklükler ayrı ayrı hesaplanır.
• Devredeki kaynak sayısı kadar, devre çözümü yapılır.
• Son olarak her kaynak için tek tek bulunan akım ve gerilim değerleri cebirsel olarak toplanır.
18.Soru
AA devrelerinde devre veya devre elemanının direncini veya bir başka deyişle üzerindeki gerilimin üzerinden geçen akıma oranını frekans ve faza bağlı olarak açıklayan kavrama ne denir?
|
Bobin |
|
Admitans |
|
Empedans |
|
Kondansatör |
|
Faz |
Empedans, AA devrelerinde devre veya devre elemanının direncini veya bir başka deyişle üzerindeki gerilimin üzerinden geçen akıma oranını frekans ve faza bağlı olarak açıklayan kavramdır. Bu tür devrelerde direnç dışında kondansatör ve bobin de kullanıldığı için ger ilim ile akım arasında bir faz farkı oluşabilmektedir. Empedans sayesinde gerilim ile açı arasındaki mutlak oran ölçülebildiği gibi faz farkı da ölçülebilmektedir. Empedans Z ile gösterilir. Birimi dirençle aynı olan Ohm’dur.
19.Soru
- Yalıtkan malzemesi olarak titanyum veya baryum kullanılır.
- Kapasite değerleri çok küçüktür.
- Sıcaklık değişiminden çok kolay etkilenirler.
- Kutupsuz olarak imal edilir.
- Enerji kayıpları azdır ve bu sayede yüksek frekanslı devrelerde kullanılabilirler.
Yukarıda özellikleri verilen kullanılan yalıtkana göre kondansatör türü aşağıdakilerden hangisidir?
|
Seramik |
|
Kağıtlı |
|
Mikalı |
|
Plastik |
|
Elektrolitik |
Yalıtkan malzemesi olarak titanyum veya baryum kullanılan seramik kondansatörlerin kapasite değerleri çok küçüktür ve sıcaklık değişiminden çok kolay etkilenirler. Kutupsuz olarak imal edilen seramik kondansatörlerin enerji kayıpları azdır ve bu sayede yüksek frekanslı devrelerde kullanılabilirler. Sorunun doğru cevabı A seçeneğidir.
20.Soru
Aşağıdakilerden hangisi alternatif akım formlarından sinüs akıma aittir?
|
|
|
|
|
|
|
|
|
|
AA formları sinüs akım aşağıdaki gibidir:
-
- 1.SORU ÇÖZÜLMEDİ
- 2.SORU ÇÖZÜLMEDİ
- 3.SORU ÇÖZÜLMEDİ
- 4.SORU ÇÖZÜLMEDİ
- 5.SORU ÇÖZÜLMEDİ
- 6.SORU ÇÖZÜLMEDİ
- 7.SORU ÇÖZÜLMEDİ
- 8.SORU ÇÖZÜLMEDİ
- 9.SORU ÇÖZÜLMEDİ
- 10.SORU ÇÖZÜLMEDİ
- 11.SORU ÇÖZÜLMEDİ
- 12.SORU ÇÖZÜLMEDİ
- 13.SORU ÇÖZÜLMEDİ
- 14.SORU ÇÖZÜLMEDİ
- 15.SORU ÇÖZÜLMEDİ
- 16.SORU ÇÖZÜLMEDİ
- 17.SORU ÇÖZÜLMEDİ
- 18.SORU ÇÖZÜLMEDİ
- 19.SORU ÇÖZÜLMEDİ
- 20.SORU ÇÖZÜLMEDİ