Devre Analizi Final 3. Deneme Sınavı
Toplam 20 Soru1.Soru
Görünür gücü 45 VA faz açısı 30° olan bir devre elemanının reaktif gücü kaçtır?
|
15 |
|
20 |
|
22,5 |
|
25 |
|
27,5 |
| S | = 45 VA, α = 30°
Reaktif güç: Q = | S | . sin(α) = 45 . sin(30°) = 22,5 VAR
2.Soru
Bir alternatif akım devresinde 50 mF kondansatör 1 ?'luk dirence seri bağlıdır. Devreye uygulanan gerilimin açısal frekansı 200 rad/sn olduğuna göre bu devredeki eşdeğer admitansın kutupsal gösterimi aşağıdakilerden hangisidir?
|
|
|
|
|
|
|
|
|
|
Kondansatörün reaktansı olmaktadır. Eşdeğer empedans ise
olmaktadır. Empedansın büyüklüğü
, faz açısı
ve kutupsal gösterimi
olmaktadır. Empedans dikkate alınarak admitans ise
olmaktadır. Doğru cevap E'dir.
3.Soru
I. Paralel bağlı devrelerde, devredeki empedansların toplamı devrenin eşdeğer empedansını verir.
II. Seri bağlı devrelerde, devredeki admitansların toplamı devrenin eşdeğer admitansını verir.
III. Fazör diyagramlar yardımıyla birden fazla akım ve gerilimin birbiriyle olan açısal ve
genlik farkları tek bir gösterimle verilir.
Yukarıda verilen bilgilerden hangisi/hangileri doğrudur?
|
Yalnız I |
|
Yalnız II |
|
Yalnız III |
|
I ve II |
|
I, II ve III |
Sadece "Fazör diyagramlar yardımıyla birden fazla akım ve gerilimin birbiriyle olan açısal ve
genlik farkları tek bir gösterimle verilir." bilgisi doğrudur. Paralel bağlı devrelerde değil seri bağlı devrelerde, devredeki empedansların toplamı devrenin eşdeğer empedansını verir. Seri bağlı devrelerde değil paralel bağlı devrelerde devredeki admitansların toplamı devrenin eşdeğer admitansını verir.
4.Soru
Sıcaklık değişim katsayısı 0,05 olan iletkenin 20 °C’deki direnci 30 Ω ise 32 °C’deki direnç değeri kaçtır?
|
36 Ω |
|
40 Ω |
|
44 Ω |
|
46 Ω |
|
48 Ω |
R0, t0 anındaki direnç ve α sıcaklıkla değişim katsayısı olmak üzere t1 anındaki direnç R1, R1 = R0.[1+ α . (t1 − t0)] formülü kullanılarak bulunabilir. Bu durumda, R1=30.[1+ 0,05 . (32 – 20)]=48 Ω olarak bulunur.
5.Soru
Aşağıdakilerden hangisi güç faktörü kavramı için söylenebilir?
|
Güç faktörü devrenin belirli bir frekansta girdiği özel bir durumdur. |
|
Güç faktörü frekansında devredeki güç kazancı en büyüktür. |
|
Güç faktörü frekansının konumuna göre, kalite çarpanına göre devrenin karakteristikleri belirlenir. |
|
Güç faktörü kompleks güç kavramını oluşturur. |
|
Güç faktörü bize oluşan ortalama güç ve reaktif güç arasındaki ilişkiyi anlatmaktadır. |
Güç faktörü bize oluşan ortalama güç ve reaktif güç arasındaki ilişkiyi anlatmaktadır. seçeneği güç faktörü kavramı için söylenebilmektedir.
6.Soru
Zamana bağlı gerilim ifadesi V(t)=7sin(200t) olan bir AA gerilim kaynağına 20nF'lık bir kondansatör bağlanmıştır. Bu kondansatörün reaktansı aşağıdakilerin hangisinde verilmiştir?
|
11,98 kΩ |
|
32,6 kΩ |
|
51,51 kΩ |
|
66,14 kΩ |
|
79,62 kΩ |
Xc=1/wC ise Xc=1/(200.3,14.20.10-9 F)
Xc=79,618 kΩ
7.Soru
Bobinin devre sembolü aşağıdakilerden hangisidir?
|
|
|
|
|
|
|
|
|
|
Kondasatörün devre sembollü dir.
8.Soru
Renk kodları yeşil-mavi-kahverengi-gümüş olarak verilen direncin minimum ve maksimum direnç değerleri aşağıdakilerden hangisidir?
|
Rmin=50,4Ω , Rmax=61,6Ω |
|
Rmin=405Ω , Rmax=495Ω |
|
Rmin=427,5Ω , Rmax=472,5Ω |
|
Rmin=504Ω , Rmax=616Ω |
|
Rmin=532Ω , Rmax=588Ω |
4 renk bantlı direncin büyüklüğü;
R= AB. 10 C ±T
R= 56.101
R= 560 ±%10 Ω= 560.10/ 100
Rmin= 560-56=504Ω
Rmax= 560+56=616Ω
Sorunun doğru cevabı D seçeneğidir.
9.Soru
Bir seri RLC devresinde direnç 4 ? , kondansatör 20 mF, bobin 8 µH ise rezonans frekansı kaç rad/sn’dir?
|
1 Krad/sn |
|
1,5 Krad/sn |
|
2,5 Krad/sn |
|
3,5 Krad/sn |
|
5 Krad/sn |
10.Soru
Yüzey alanı 4 cm2 ve plakaları arası 2 mm olan hava aralıklı kondansatörün kapasitesi kaç pF’dir?
|
1,7 |
|
2,5 |
|
3,4 |
|
4,2 |
|
5,6 |
11.Soru
Tepeden tepeye genlik değeri 10 V olan bir sinüzoidal AA sinyalin etkin genlik değeri aşağıdakilerden hangisidir?
|
1,76 V |
|
3,53 V |
|
7,07 V |
|
10,6 V |
|
14,14 V |
Sadece sıfır ortalamalı sinüzoidal AA akım ve gerilimler için etkin genlik tepe genliğin 1 / 2 ’sine eşittir. olarak bulunmaktadır.
12.Soru
Aşağıdakilerden hangisi frekansın doğru tanımıdır?
|
Rotorun bir tur dönüsü sonucu üretilen AA gerilimi veya AA akımına denir |
|
Bir devirlik AA akımı veya gerilimi oluşurken geçen süreye denir |
|
AA akım veya gerilimin belirli bir anda aldığı değere denir. |
|
Birim zamanda tekrar eden ortalama devir sayısına denir. |
|
Alternatif akımın aldığı en büyük değere denir. |
Rotorun bir tur dönüsü sonucu üretilen AA gerilimi veya AA akımına devir denir Bir devirlik AA akımı veya gerilimi oluşurken geçen süreye periyot denir AA akım veya gerilimin belirli bir anda aldığı değere anlık değer denir alternatif akımın aldığı en büyük değere tepe genlik denir birim zamanda tekrar eden ortalama devir sayısına frekans denir.
13.Soru
Bir paralel RLC devresinde direnç 12 ?, kapasitör 16 mili F, indüktör 4 nano H ; rezonans frekansı kaç rad/sn’dir ?
|
0.125 mega |
|
1.5 mega |
|
0.25 kilo |
|
0.375 kilo |
|
1.75 kilo |
w = 1 / (L C)1/2 = 1 / (4 . 10-9 . 16 . 10-3)1/2 = (1 / (8 . 10-6)) = 0.125 . 106 . sf. 205. Doğru cevap A'dır.
14.Soru
C1=8nF, C2=4nF ve C3=7nF kapasite değerlerine sahip olan 3 adet kondansatör paralel olarak bağlanmıştır. Eşdeğer sığa aşağıdakilerden hangisinde verilmiştir?
|
8nF |
|
12nF |
|
19nF |
|
29nF |
|
58nF |
paralel bağlı kondansatörlerde eşdeğer sığa;
Ceş=C1+C2+C3 olacağından
Ceş=8+4+7=19nF olur.
15.Soru
AA akımı veya AA gerilimi yaygın olarak alternatörler sayesinde üretilir. Alternatörler ----------- enerjiyi ----------- enerjiye çevirir. Yukarıdaki boşluklara sırasıyla aşağıdakilerden hangisi gelmelidir?
|
Kimyasal-fiziksel |
|
Elektriksel-kimyasal |
|
Elektriksel-fiziksel |
|
Kimyasal-elektriksel |
|
Fiziksel-elektriksel |
Alternatörler fiziksel enerjiyi elektriksel enerjiye dönüştürürler.
16.Soru
Şekildeki devrede t<0 süresince kapalı olan anahtar, t=0 anında açıldıgına göre t?0 için ic(t) ifadesi aşağıdakilerden hangisidir?
|
3e-5t A |
|
6e-0,5t A |
|
6e-5t A |
|
0,6e-0,5t A |
|
0,6e-5t A |
t<0 nında bu devrede yukarıdaki şekildeki durum söz konusu olmaktadır. Kondansatör gerilimi V olmaktadır. Bu devrede dikkat edilmesi gereken 6 ?'luk ve 9 ?'luk dirençlerin birbirine seri olduğudur. Bu nedenle 15 V'luk gerilim dirençler oranında paylaşılacaktır. Kondansatör voltajının ani değişim göstermediği bilindiğine göre
olmaktadır. Anahtar açıldıktan sonra devre aşağıdaki şekildeki gibi olmaktadır.
Bu devreye göre zaman sabiti sn olmaktadır. Vc(t) ifadesinin zamana göre ifadesi
V olmaktadır. Gerilim ve akım arasındaki bağıntı kullanılarak akım
A olmaktadır. Doğru cevap E'dir.
17.Soru
R=6? olan bir direnç ile C=5µF olan bir kondansatör paralel bağlanmıştır. Aynı şekilde V=10V değerindeki doğru gerilim kaynağı da bir anahtar ile bu iki elemana paralel bağlıdır. Anahtar açıldıktan 60µsn sonra kondansatör üzerindeki gerilim değeri kaç Volt olur?
|
1,35V |
|
3,55V |
|
12,47V |
|
8,33V |
|
4,65V |
Anahtar ilk açıldığı anda vc(0)=10V olur. Devrenin zaman sabiti: ?=R.C=30µsn (6x5x10-6) olduğuna göre vc(t)= vc(0).e-t/? ifadesinden t=60 µsn sonra vc(t) gerilimi 1,35V (10. e-60/30=1,35V) bulunur.
18.Soru
Paralel bağlı kapasitör (Z = - j 2 Ω) ve indüktansa (Z = j 3 Ω) direnç (R = 6 Ω) seri bağlıdır. Alternatif akım gerilim kaynağının (6∠0° V) + ucuna direnç, - ucuna kapasitörle indüktans bağlandığında direnç üzerinden geçen akım kaç Amper'dir ?
|
(3)1/2 ∠ -45o |
|
(2)1/2 ∠ 45o |
|
2 (2)1/2 ∠ 135o |
|
3 (3)1/2 ∠ -135o |
|
2 (3)1/2 ∠ 135o |
Z1 = (j 3 . (-j 2)) / ( j 3 – j 2) = 6 / j ; Z2 = 6 + (6 / j) = 6 – 6 j = 6 (2)1/2 ∠ -45° ; I = (6∠0°) / (6 (2)1/2 ∠ -45°) = (2)1/2 ∠ 45° . sf. 190. Doğru cevap B'dir.
19.Soru
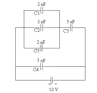
Şekildeki devrede C5 kondansatörünün plakaları arasındaki potansiyel fark kaç Volt’tur?
|
3 Volt |
|
6 Volt |
|
8 Volt |
|
12 Volt |
|
24 Volt |
Devrede C1, C2, C3 kondansatörleri paraleldir.
Ceş1=C1+ C2+C3
Ces1=2+2+2
Ces1=6 nF
Ceş1 ve C5 kondansatörleri seri bağlıdır.
Ceş2=(Ceş1.C5) / (Ceş1+ C5)
Ceş2=(6.3) / (6+3)
Ceş2=18/9
Ceş2=2 nF
Paralel devrede voltajlar eşittir ;V= 12
Q= V. Ceş2
Coulomb
V5= 8 Volt bulunur.
Seri devrede yükler eşittir. Sorunun doğru cevabı C seçeneğidir.
20.Soru
Kompleks sayılarla işlem yaparken aşağıdaki ifadelerden hangisi doğrudur?
|
Çarpma ve bölme işlemlerinde sadece kutupsal gösterim kullanılır |
|
Toplama ve çıkarma işlemlerinde kartezyen gösterimi kullanılır. |
|
Çarpma ve bölme işlemlerinde sadece kartezyen gösterim kullanılır |
|
Toplama ve çıkarma işlemlerinde kutupsal gösterimi kullanılır. |
|
Toplama ve çıkarma işlemlerinde hem kartezyen hem de kutupsal gösterimi kullanılır. |
Kompleks sayılarla işlem yaparken toplama ve çıkarma işlemlerinde kartezyen gösterimi kullanılır. Çarpma ve bölme işlemlerinde hem kartezyen hem kutupsal gösterim kullanılabilir; fakat kutupsal gösterim daha kolay çözüm imkanları sunar.
-
- 1.SORU ÇÖZÜLMEDİ
- 2.SORU ÇÖZÜLMEDİ
- 3.SORU ÇÖZÜLMEDİ
- 4.SORU ÇÖZÜLMEDİ
- 5.SORU ÇÖZÜLMEDİ
- 6.SORU ÇÖZÜLMEDİ
- 7.SORU ÇÖZÜLMEDİ
- 8.SORU ÇÖZÜLMEDİ
- 9.SORU ÇÖZÜLMEDİ
- 10.SORU ÇÖZÜLMEDİ
- 11.SORU ÇÖZÜLMEDİ
- 12.SORU ÇÖZÜLMEDİ
- 13.SORU ÇÖZÜLMEDİ
- 14.SORU ÇÖZÜLMEDİ
- 15.SORU ÇÖZÜLMEDİ
- 16.SORU ÇÖZÜLMEDİ
- 17.SORU ÇÖZÜLMEDİ
- 18.SORU ÇÖZÜLMEDİ
- 19.SORU ÇÖZÜLMEDİ
- 20.SORU ÇÖZÜLMEDİ