Elektrik Makinaları Final 1. Deneme Sınavı
Toplam 20 Soru1.Soru
Ana kutup üzerine sarılan ve makinanın çalışması için gerekli olan manyetik alanı meydana getiren sargılara ne ad verilir?
|
Kollektör |
|
Endüvi sargıları |
|
Ana kutup sargısı |
|
Gövde |
|
Boyunduruk |
Ana kutup sargısı ana kutup üzerine sarılan ve makinanın çalışması için gerekli olan manyetik alanı meydana getiren sargılardır. Bu sargıya alan sargısı veya uyartım sargısı da denir.
2.Soru
Bir senkron makinanın 5A’lik uyarma akımı için endüklenen gerilim değeri 200V, kısa devre akımı 300A okunmuştur. Bir faz senkron reaktans değeri kaç ohm(?)dur?
|
0.67
|
|
42125
|
|
42131
|
|
40
|
|
60
|
3.Soru
50 Hz frekanslı 6 kutuplu senkron makinanın döner alan (senkron) hızı nedir?
|
500 |
|
1000 |
|
1500 |
|
1800 |
|
3600 |
2p kutuplu, stator sargılarına f frekanslı gerilimler uygulanmış bir statorda elde edilen senkron hız (döner alan hızı) şu şekilde hesaplanır:
Senkron hız = f * 60 / p
Buna göre senkron hız = 50 * 60 / 3 = 1000
4.Soru
Aşağıdakilerden hangisi yarı iletken doğrultucularda ana eleman olarak sayılamaz?
|
Diyot
|
|
Konvansiyonel tristör
|
|
Triak
|
|
Bipolar güç transistörü
|
|
Transformatör
|
5.Soru
Özellikle AC besleme uygulamalarında tetikleme devresinin üreteceği darbe beslemenin fazına göre belirlenebilmeli ve yeri değiştirilebilmelidir. Bu darbeye tipik örnek aşağıdakilerden hangisidir?
|
2µs’de 8V’luk kaynaktan 1A akıma ulaşabilecek bir darbedir |
|
1µs’de 12V’luk kaynaktan 2A akıma ulaşabilecek bir darbedir |
|
1µs’de 10V’luk kaynaktan 1A akıma ulaşabilecek bir darbedir |
|
4µs’de 8V’luk kaynaktan 2A akıma ulaşabilecek bir darbedir |
|
1µs’de 9V’luk kaynaktan 3A akıma ulaşabilecek bir darbedir |
Bu darbeye tipik örnek 1µs’de 10V’luk kaynaktan 1A akıma ulaşabilecek bir darbedir. Doğru cevap C’dir.
6.Soru
Aşağıdaki koşulların hangisinde generatör bağlı olduğu şebekeye veya yüke reaktif güç vermektedir?
|
Aşırı uyarılma
|
|
Normal uyarılma
|
|
Zatıf uyarılma
|
|
Omik çalışma
|
|
Kapasitif çalışma
|
7.Soru
4 kutuplu bir alternatif akım makinasının bir sarımında endüklenen gerilim sinusoidal ve 50 Hz olmaktadır. Buna göre bu makinanın senkron devis sayısı (ns) aşağıdakilerden hangisidir?
|
500 d/d |
|
750 d/d |
|
1000 d/d |
|
1500 d/d |
|
3000 d/d |
Makinanın kutup sayısı 2p=4 ise çift kutup sayısı p=2 olmaktadır. Soruda verilenler yerine konulduğunda senkron hız d/d olarak bulunur. Doğru cevap D'dir.
8.Soru
Aşağıdaki hangisi tek başına çalışmada generatörün davranışlarından biri değildir?
|
Generatörümüz üzerindeki iki kontrolümüz olan uyarma akımı ve mekanik giriş gücü değerlerimiz yüke bağlıdır. Uç gerilimini ve frekansı nominal değerlerinde tutabilmek için, yükün durumuna göre uyarma akımı ve mekanik giriş güç değerleri ayarlanır. |
|
Endüktif yüklü bir generatörün uç geriliminde belirgin bir düşme olur. |
|
Yük değişimi sonucunda etkilenen uç gerilimin tekrar eski değerine getirilmelidir. |
|
Omik yüklerde de uç geriliminde bir miktar gerilim düşümü görülür. |
|
Kapasitif yüklerde ise belli bir güç açısına kadar gerilim düşümü oluşur. Belli bir kapasitif yüke ait güç açısında uç gerilimi ile endükelenen gerilim birbirine eşit olur. Bu açıdan sonra ise uç geriliminde artış oluşur. |
Tek başına çalışmada generatörün davranışını özetleyelim:
1.Generatörümüz üzerindeki iki kontrolümüz olan uyarma akımı ve mekanik giriş gücü değerlerimiz yüke bağlıdır. Uç gerilimini ve frekansı nominal değerlerinde tutabilmek için, yükün durumuna göre uyarma akımı ve mekanik giriş güç değerleri ayarlanır.
2.Endüktif yüklü bir generatörün uç geriliminde belirgin bir düşme olur.
3.Omik yüklerde de uç geriliminde bir miktar gerilim düşümü görülür.
4.Kapasitif yüklerde ise belli bir güç açısına kadar gerilim düşümü oluşur. Belli bir kapasitif yüke ait güç açısında uç gerilimi ile endükelenen gerilim birbirine eşit olur. Bu açıdan sonra ise uç geriliminde artış oluşur.
9.Soru
Aşağıdaki ifadelerden hangisi tetikleme devrelerinin sağlaması gereken şartlardan biri değildir?
|
Tetikleme devresi art arda darbeler üretebilmelidir. |
|
Bazı uygulamalarda katodları farklı potansiyele sahip iki tristör aynı anda tetiklenmelidir. |
|
Ters yönde darbe uygulamasından kaçınılmalıdır. |
|
AC besleme uygulamalarında tetikleme devresinin üreteceği darbe, beslemenin fazına göre belirlenebilmeli ve yeri değiştirilebilmelidir. |
|
Bir tristörü iletime geçirmek için kapı akımının çok yavaş yükselme zamanına sahip olması gerekir. |
Bir tristörü iletime geçirmek için kapı akımının çok hızlı yükselme zamanına sahip olması gerekir. Bu; anot akımının kilitleme seviyesine ulaşabileceği uzunlukta hızlı yükselme zamanına sahip darbe üretebilen tetikleme devreleriyle elde edilir.
Özellikle AC besleme uygulamalarında tetikleme devresinin üreteceği darbe beslemenin fazına göre belirlenebilmeli ve yeri değiştirilebilmelidir. Tetikleme devresi art arda darbeler üretebilmelidir. Bazı uygulamalarda katodları farklı potansiyele sahip iki tristör aynı anda tetiklenmelidir. Bu durumda devre iki veya daha çok izole çıkışı olan trafo içermelidir. Ters yönde darbe uygulamasından kaçınılmalıdır, yoksa daha çok güç harcanır. Ayrıca tristör ters kutupluyken kapı akımı uygulanırsa bu kaçak akımı artırır. Doğru cevap E'dir.
10.Soru
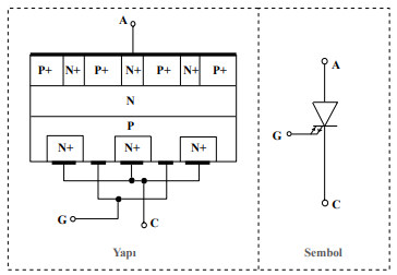
Yukarıda görülen yapı ve sembol hangi elemana aittir ?
|
IGBT |
|
GTO |
|
Güç MOSFERi |
|
Triyak |
|
Tristör |
Görülen şekil bir GTO'ya aittir.
11.Soru
DC motorların konverter kontrolü ile ilgili olarak aşağıdaki ifadelerden hangisi yanlıştır?
|
Sabit frekanstaki şebeke gerilimini değişken frekansta ayarlanabilir gerilime dönüştürürler. |
|
Faz kontrollü bir tristör (SCR) konverter aracılığıyla değişken DC gerilim elde edilir. |
|
Küçük güçlerde tek fazlı bir konverter yani doğrultucu kullanılırken, büyük güçlerde üç fazlı konverterlerden yararlanılır. |
|
Üç kablo girişli ve dört kablo çıkışlı sistemlerdir. |
|
Uygulanan gerilim nominal değerine ulaştığında motor nominal hızına ulaşır. |
Bir DC motorun hız kontrolü armatür terminallerine uygulanan DC gerilimi aracılığıyla kontrol edilir. Faz kontrollü bir tristör (SCR) konverter aracılığıyla değişken DC gerilim elde edilir. Küçük güçlerde tek fazlı bir konverter yani doğrultucu kullanılırken, büyük güçlerde üç fazlı konverterlerden yararlanılır.
Uygulanan gerilim nominal değerine ulaştığında motor nominal hızına ulaşır. Bu durumda tristörlerin tetikleme açısı sıfır olur. Doğru cevap A'dır.
12.Soru
DA motorları boşta çalıştırıldığında aşağıdaki durumlardan hangisi olur?
|
Hız yüksek değerlere çıkar |
|
Hız zamanla düşer |
|
Motor durur |
|
Motor sıcaklığı zamanla düşer |
|
Motor çalışmaz |
Motor boşta çalıştırıldığı zaman moment çok küçük değerli olacaktır. Moment çok küçük değerli olduğundan dolayı hız oldukça yüksek değerlere çıkabilir. Bundan dolayı seri
DA motorları boşta çalıştırılmamalıdır. Doğru cevap A'dır.
13.Soru
- Boş Çalışma Deneyi
- Stator sargısı DC deneyi
- Kilitli Rotor Deneyi
Bir asenkron motorun eşdeğer devre parametreleri yukarıdaki deneylerden hangisi ya da hangileri ile belirlenir?
|
Yalnız II |
|
Yalnız III |
|
I ve III |
|
II ve III |
|
I, II ve III |
Bir asenkron motorun eşdeğer devre parametreleri deneysel olarak belirlenir. Stator sargı direnci, stator sargılarına bir DA kaynağı bağlanarak deneysel olarak hesaplanır. Buna ilaveten asenkron motorun boş çalışma ve kilitli rotor deneyleri gerçekleştirilerek eşdeğer devrenin bütün parametreleri belirlenir. Doğru cevap E'dir.
14.Soru
Asenkron motorların yapıları göz önüne alındığında, motorun şebekeye bağlanan parçası aşağıdakilerden hangisidir?
|
Stator sargıları |
|
Rotor |
|
Kablo giriş rakoru |
|
Dış segman |
|
Flanş |
Asenkron motorların dönen kısmı rotor, duran kısmı ise stator olarak adlandırılır. Asenkron motorunsargıları statorun iç yüzeyinde açılan açılan oluklara yerleştirilir. Stator sargıları direkt şebekeye bağlanır. Doğru cevap A'dır.
15.Soru
100 Hz frekanslı 2 kutuplu senkron makinanın döner alan (senkron) hızı nedir?
|
3000 d/d
|
|
1500 d/d
|
|
1000 d/d
|
|
750 d/d
|
|
500 d/d
|
16.Soru
120 kW, 240 V, bir şönt DA generatörünün ayarlı direnç dahil uyartım devresi toplam direnci 60 ? ise, generatörün tam yükteki çıkış akımı ve uyartım akımı sırasıyla kaç A olur?
|
500 A - 4 A |
|
480 A - 3 A |
|
450 A - 4 A |
|
420 A - 5 A |
|
400 A - 2 A |
Tam yükteki çıkış akımı: P/V = 120000/240 = 500 A
Uyartım akımı: V/R = 240/60 = 4 A
Doğru cevap A'dır.
17.Soru
150 V’luk gerilimle beslenen bir DA motoru tam yük altında şebekeden 15 A akım çekmektedir. Motorun endüvi direnci 0.5 ?’dur. Motorun endüvisinde endüklenen güç kaç wattır?
|
1255.5
|
|
1867.0
|
|
2137.5
|
|
2250.0
|
|
2480.5
|
18.Soru
150 Hz girişe sahip 3 darbeli devrenin çıkış frekansı kaç hertzdir?
|
50
|
|
100
|
|
150
|
|
300
|
|
450
|
19.Soru
Gerilim fazör diyagramlarında "Stator akımı" ve "Statörün bir fazında endüklenen gerilim" büyüklükleri arasında kalan açıya ne ad verilir?
|
Stator bir faz direnci
|
|
Uç gerilimi
|
|
Güç açısı
|
|
İç güç açısı
|
|
Yük açısı
|
20.Soru
Sadece diyot içerip AC besleme gerilimiyle orantılı sabit DC gerilim sağlayan doğrultucu devreleri aşağıdakilerden hangisidir?
|
Yarım Dalga Devreleri |
|
Tam Dalga Devreleri |
|
Tam Kontrollü Doğrultucu Devreleri |
|
Yarım Kontrollü Devreler |
|
Kontrolsüz Doğrultucu Devreleri |
Kontrolsüz Doğrultucu Devreleri : Sadece diyot içerirler, AC besleme gerilimiyle orantılı sabit DC
gerilim sağlarlar.
-
- 1.SORU ÇÖZÜLMEDİ
- 2.SORU ÇÖZÜLMEDİ
- 3.SORU ÇÖZÜLMEDİ
- 4.SORU ÇÖZÜLMEDİ
- 5.SORU ÇÖZÜLMEDİ
- 6.SORU ÇÖZÜLMEDİ
- 7.SORU ÇÖZÜLMEDİ
- 8.SORU ÇÖZÜLMEDİ
- 9.SORU ÇÖZÜLMEDİ
- 10.SORU ÇÖZÜLMEDİ
- 11.SORU ÇÖZÜLMEDİ
- 12.SORU ÇÖZÜLMEDİ
- 13.SORU ÇÖZÜLMEDİ
- 14.SORU ÇÖZÜLMEDİ
- 15.SORU ÇÖZÜLMEDİ
- 16.SORU ÇÖZÜLMEDİ
- 17.SORU ÇÖZÜLMEDİ
- 18.SORU ÇÖZÜLMEDİ
- 19.SORU ÇÖZÜLMEDİ
- 20.SORU ÇÖZÜLMEDİ