Elektrik Makinaları Final 5. Deneme Sınavı
Toplam 20 Soru1.Soru
Bir senkron generatör sonsuz büyük bir sisteme paralel bağlandıktan sonra, devir sayısı aşağıdakilerden hangisi tarafından belirlenir?
|
Sistemin frekansı |
|
Faz sırası |
|
Uç gerilimi |
|
Reaktif güç |
|
Bağlama grubu |
Bir senkron generatör sonsuz büyük bir sisteme paralel bağlandıktan sonra, devir sayısı sistemin frekansı tarafından belirlenir. Sistemin frekansı, frekans-aktif güç karakteristiğine göre sabittir. Paralel bağlanan senkron generatör sabit senkron hızda çalışmasına devam edecektir. Mesela bu durumda, tahrik makinasından devir sayısını arttırma yönünde bir işlem yapılırsa, devir sayısı değişmez. Doğru cevap A'dır.
2.Soru
Düşük güç ve gerilimlerde kullanılan invertörlerin anahtarlama elemanları aşağıdakilerden hangisidir?
|
GTO |
|
SIT |
|
SITH |
|
MOSFET |
|
IGBT |
Düşük güç ve gerilimlerde kullanılan invertörlerin anahtarlama elemanları MOSFET’lerdir. Doğru cevap D’dir.
3.Soru
Eskiden motor olarak dinamik kompazizasyon işlemlerinde oldukça yaygın kullanılan hatta sadece bu işlev için kullanıldıklarından mili bulunmayan motor aşağıdakilerden hangisidir?
|
Eşdeğer devre |
|
Transistör |
|
Kondansatör |
|
Reaktif |
|
Kör motor |
Omik çalışmada yine reaktif güç alış-verişi olmaz. Zayıf uyarmada ise şebekeden reaktif güç almaktadır. Aşırı uyarılan motorda şebekeye verilen reaktif gücün ayarlanabileceği durumunu çıkarttığımıza göre, kapasite değeri ayarlanabilen bir kondansatör elde edilmiş demektir. Eskiden bu makinalar motor olarak dinamik kompazizasyon işlemlerinde oldukça yaygın olarak kullanılmışlardır. Hatta sadece bu işlev için kullanıldıklarından motorun mili bulunmamakta idi (yani mekanik güç almak hedeflenmemişti). Milin dışarıya çıkartılmamış olması sebiyle böyle motorlara kör motor adı verilmiştir.
4.Soru
Güç elektroniği devrelerinde elemanlar anahtar olarak kullanılır. Bu duruma göre bir anahtarda aşağıdaki özelliklerden hangisi aranmaz?
|
Sınırsız gerilim ve akım değerleri |
|
Ani açma-kapama zamanları |
|
Yüksek maliyet |
|
Sıfır iletim ve anahtarlama kayıpları |
|
Sıfır kaçak akım |
Güç elektroniği devrelerinde elemanlar anahtar olarak kullanılır. İdealde bir anahtarda ; Sınırsız gerilim ve akım değerleri, Ani açma – kapama zamanları, Sıfır kaçak akım, Sıfır iletim ve anahtarlama kayıpları, Sıfır kapı tetikleme gücü şartı, Aşırı akım ve gerilimlere dayanabilme kabiliyeti, Kısa devrelere karşı koruma kolaylığı, Düşük maliyet ve montaj kolaylığı gibi özellikler aranır. Doğru cevap C'dir.
5.Soru
Bir elektromekanik sistemde kullanılan bobinin boyu 0,2m yarıçapı 0,05m ve sarım sayısı 250’dür. Bobinde toplam 5Nmlik moment üretmek için 1A’lik akım kullanıldığına göre manyetik alanın büyüklüğü kaç T dır?
|
1
|
|
2
|
|
3
|
|
4
|
|
5
|
6.Soru
Manyetik malzemelerin mıknatıslanma karakteristiklerini gösteren B-H karakteristiklerindeki B ve H aşağıdaki seçeneklerden hangisinde doğru şekilde verilmiştir?
|
Manyetik akı yoğunluğu - Manyetik alan şiddeti |
|
Manyetik alan şiddeti - Manyetik geçirgenlik |
|
Manyetik geçirgenlik - Manyetik akı yoğunluğu |
|
Manyetik alınganlık - Manyetik alan şiddeti |
|
Manyetik alınganlık - Manyetik akı yoğunluğu |
Kısaca B-H karakteristiği olarak adlandırılan mıknatıslanma karakteristikleri, kısaltılmış adından da anlaşılacağı üzere, malzemede elde edilen B manyetik akı yoğunluğu değerinin, uygulanan manyetik alan şiddeti değeri H ile değişimini verir.
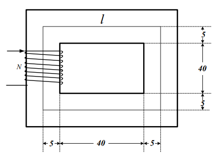
7.Soru
Şekilde verilen manyetik devrenin ortalama akı yolunun uzunluğu kaç metredir? Ölçüler cm olarak verilmiştir.
|
1.8 |
|
2 |
|
2.2 |
|
2.4 |
|
2.6 |
Manyetik devrelerde akının, nüvenin tam ortasından aktığı varsayılır. Böylece akı yolu için verilen
ölçülerden ortalama yol hesaplanır.
l = 2 x (40+5+5) + 2 x (40+5+5) = 200 cm = 2 m
8.Soru
Bir senkron makinanın 5 A’lik uyarma akımı için endüklenen gerilim değeri 400 V, kısa devre akımı 200 A okunmuştur. Bir faz senkron reaktans değeri aşağıdakilerden hangisidir?
|
2 |
|
1,75 |
|
1,5 |
|
1,25 |
|
1 |
Büyük makinalarda Xs>>Rs olduğundan, boşta çalışma ve kısa devre karakteristiklerini kullanarak, stator reaktansı yaklaşık olarak aşağıdaki gibi hesaplanır.
Xs = Ef / Is
Burada Ef = endüklenen gerilim
Is = kısa devre akımı
9.Soru
DC motor sürücüleri için aşağıda verilen bilgilerden hangisi doğrudur?
|
Değişken-frekanslı sürücülerdir. |
|
Üç kablo girişli ve dört kablo çıkışlı sistemlerdir. |
|
Konverterin sadece diyotlardan oluşması mümkündür. |
|
Endüstride yaygın kullanılan asenkron (endüksiyon) motorlarıdır. |
|
Faz ve besleme kabloları bulunmaz. |
DC motor sürücüleri, üç kablo girişli ve dört kablo çıkışlı sistemlerdir.
10.Soru
Giriş gücü 20 kW olarak ölçülen bir transformatörün sekonder tarafındaki güç 18 kW olarak ölçülmüştür. Transformatörün verimi aşağıdakilerden hangisidir?
|
%80
|
|
%85
|
|
%90
|
|
%99.5
|
|
%100
|
11.Soru
Tristörün iletime kesin olarak geçebilmesi için genellikle hangi kapı akımı (Ig) ve gerilimi (Vg) değerleri uygulanır?
|
Ig= 0.1-0.5 Amper; Vg= 1-5 Volt
|
|
Ig= 0.5-1 Amper; Vg= 5-10 Volt
|
|
Ig= 1-5 Amper; Vg= 1-5 Volt
|
|
Ig= 0.5-1 Amper; Vg= 1-5 Volt
|
|
Ig= 1-5 Amper; Vg= 5-10 Volt
|
12.Soru
Gerilim fazör diyagramında "Statorun bir fazında endüklenen gerilim" ile "Uç gerilimi" arasında tanımlanan açıya ne ad verilir?
|
Güç açısı
|
|
İç güç açısı
|
|
Yük açısı
|
|
Tahrik açısı
|
|
Dış güç açısı
|
13.Soru
Beş katmanlı, her iki yönde de P-N-P-N yoluna sahip ve dolayısıyla iki yönde de iletebilen devre elemanına ne ad verilir?
|
Diyot
|
|
Tristör
|
|
Triyak
|
|
Bipolar güç transistörü
|
|
Güç MOSFET'i
|
14.Soru
Kompunt DA generatörlerinde endüvi akımı aşağıdaki formüllerin hangisi ile hesaplanır?
|
Ia = If + IL |
|
Ia = If - IL |
|
Ia = If + IV |
|
Ia = If - IV |
|
Ia = If2+ IL |
Endüvi akımı ise yük akımı ile uyartım akımının toplamına eşit olup aşağıdaki gibi hesaplanır.
Ia = If + IL
Doğru cevap A'dır.
15.Soru
220V, 50Hz, ve 50BG (beygir gücü) değerinde iki kutuplu, üç fazlı bir asenkron motor 0.65 geri güç faktöründe şebekeden 100 A akım çekmektedir Stator bakır kayıpları 1kW ve demir kayıpları 1000W
|
19863.1
|
|
21763.1
|
|
22896.1
|
|
23784.1
|
|
25658.1
|
16.Soru
Uyartım sargısının endüvi devresinden bağımsız olarak dışarıdan bir kaynak ile beslendiği DA generatörüne ne ad verilir?
|
Paralel generatör |
|
Şönt generatör |
|
Yabancı uyartımlı generatör |
|
Seri generatör |
|
Kompunt generatör |
Yabancı uyartımlı bir DA generatörünün uyartım sargısı endüvi devresinden bağımsız ayarlı bir DA gerilim kaynağı ile beslenir. Bu kaynak akü, başka bir DA generatörü ya da yarı iletken bir DA kaynağı olabilir. Doğru cevap C'dir.
17.Soru
Endüktif yüklü generatörlerde genaratör nasıl çalışıyor denilebilir?
|
Aşırı uyarmada |
|
Zayıf uyarmada |
|
Normal uyarmada |
|
Reaktif uyarmada |
|
Kapasatif uyarmada |
Endüktif yüklü generatör: Gerilim fazör diyagramına göre, Ef, V’den büyüktür. O halde
endüklediğimiz gerilimi uç geriliminden büyük olacak şekilde uyarma akımını ayarlamalıyız. Bu
durumda generatör aşırı uyaramada çalışıyor denir.
18.Soru
Paralel bağlama şartlarından hangisi yanlıştır?
|
Paralel bağlanacak generatörlerin uç gerilimleri eşit olmalıdır |
|
Generatörlerin faz sırası aynı olmalıdır |
|
Paralel bağlama esnasında fazlar arasında faz farkı olmamalıdır |
|
Generatörlerin frekansları eşit olmalıdır |
|
Paralel bağlanacak generatörlerin frekansları farklı olmalıdır. |
Paralel bağlanacak generatörlerin uç gerilimleri eşit olmalıdır. Uç gerilimleri eşitlenmeden
paralel bağlama gerçekleştirilecek olursa, paralel bağlanan generatörün, paralel bağlama
gerçekleştiğinde üzerine reaktif güç almasına sebep olur. Bu ise ani yüklenme sonucunu
doğurur.
2. Generatörlerin faz sırası aynı olmalıdır. Başka bir deyişle faz sıralarının gösterdikleri dönüş
yönleri aynı olmalıdır. Aksi takdirde kısa devre meydana gelecektir. Paralel bağlamada en çok
dikkat edilmesi gereken şart budur.
3. Paralel bağlama esnasında fazlar arasında faz farkı olmamalıdır. Paralel bağlama mümkün
olduğunca her iki sistemin fazları arasında faz farkı sıfırken yapılmalıdır.
4. Generatörlerin frekansları eşit olmalıdır. Paralel bağlanacak generatörün frekansı bir miktar
sistemin frekansından büyük dahi olabilir. Frekanlar arasında büyük fark olursa, paralel
bağlanan generatör ani olarak üzerine aktif güç alabilir veya motor çalışmaya geçebilir.
19.Soru
Aşağıdakilerden hangisi sabit mıknatıslı senkron makinalarından biri değildir?
|
Yuvarlak rotorlu senkron makinalar
|
|
Sabit mıknatıslı senkron motorlar
|
|
Relüktans motorları
|
|
Adım motorları
|
|
Histerezis motorları
|
20.Soru
Doğrultucularda tetikleme açısı arttıkça çıkış gerilimi nasıl değişir?
|
Düzgün artar.
|
|
Düzgün azalır.
|
|
Değişmez.
|
|
Karesiyle orantılı artar.
|
|
Aralarında ilgi yoktur.
|
-
- 1.SORU ÇÖZÜLMEDİ
- 2.SORU ÇÖZÜLMEDİ
- 3.SORU ÇÖZÜLMEDİ
- 4.SORU ÇÖZÜLMEDİ
- 5.SORU ÇÖZÜLMEDİ
- 6.SORU ÇÖZÜLMEDİ
- 7.SORU ÇÖZÜLMEDİ
- 8.SORU ÇÖZÜLMEDİ
- 9.SORU ÇÖZÜLMEDİ
- 10.SORU ÇÖZÜLMEDİ
- 11.SORU ÇÖZÜLMEDİ
- 12.SORU ÇÖZÜLMEDİ
- 13.SORU ÇÖZÜLMEDİ
- 14.SORU ÇÖZÜLMEDİ
- 15.SORU ÇÖZÜLMEDİ
- 16.SORU ÇÖZÜLMEDİ
- 17.SORU ÇÖZÜLMEDİ
- 18.SORU ÇÖZÜLMEDİ
- 19.SORU ÇÖZÜLMEDİ
- 20.SORU ÇÖZÜLMEDİ