Elektromekanik Kumanda Sistemleri Ara 2. Deneme Sınavı
Toplam 20 Soru1.Soru
Aşağıdakilerden hangisi yada hangileri sınır anahtarları için doğrudur? I. Yapılarına göre mekanik ve manyetik olmak üzere iki kısma ayrılırlar.II. Mekanik sınır anahtarları makaralı ve pimli olmak üzere iki çeşittir.III. Manyetik sınır anahtarları, sabit mıknatıs ve kontak bloğu olmak üzere iki kısımdan oluşur.IV. Yapılarına göre ani temaslı ve kalıcı tipte olabilir.V. Endüstride asansörler, vinçler, takım tezgahları ve bant sistemleri gibi hareketli sistemlerde kullanılırlar.
|
I, II, IV, V
|
|
I, II, III, V
|
|
I, III, IV, V
|
|
I, II, III, IV
|
|
Hepsi
|
2.Soru
Rotora yerleştirilen sargılar yıldız veya üçgen bağlandıktan sonra çıkarılan üç uçu, motor mili üzerinde bulunan ve milden yalıtılmış bileziklere bağlanan bilezikli rotorun diğer adı nedir?
|
Seri rotor
|
|
Sargılı rotor
|
|
Sincap kafesli rotor
|
|
Kısa devreli rotor
|
|
Düz rotor
|
3.Soru
Motorun duran kısmına ne ad verilir?
|
Oluklu sac |
|
Sargı |
|
Stator |
|
Rotor |
|
Klemens |
Motorun duran kısmına stator adı verilir. Doğru yanıt C seçeneğidir.
4.Soru
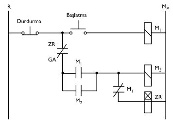
Aşağıdaki seçeneklerden hangisi verilen devreyi tanımlar?
|
Motoru sürekli çalıştıran ani temaslı butonla kumanda devresidir. |
|
Motoru kesik çalıştıran kalıcı butonla kumanda devresidir. |
|
Motoru sürekli çalıştıran kalıcı butonla kumanda devresidir. |
|
Motoru kesik çalıştıran şalterle kumanda devresidir. |
|
Motoru sürekli çalıştıran şalterle kumanda devresidir. |
Üç fazlı asenkron motoru sürekli çalıştıran bir kumanda devresi verilmiştir. Bu devrede, Başlatma butonuna basıldığında bu buton ve mekanik bağlantı nedeniyle Durdurma butonu kapanır. M kontaktörü enerjilenir ve paletini çeker. Paletin çekilmesiyle, M kontaktörünün kontakları konum değiştirir. Güç devresindeki M kontakları kapanır ve motor çalışmaya başlar. Kalıcı buton üzerindeki etki kalksa bile, buton normal konumuna dönmez ve motor çalışmaya devam eder. Ancak, ters yöndeki başka bir etki, kalıcı butonun normal konumuna dönmesini sağlayabilir. Dolayısıyla, motoru durdurmak için Durdurma butonuna basılması gerekir. Doğru yanıt C seçeneğidir.
5.Soru
Dört set üç faz sargısı olan bir asenkron motorda toplam kaç kutup vardır?
|
2
|
|
4
|
|
6
|
|
8
|
|
12
|
6.Soru
Aşağıdaki butonlardan hangilerine basılınca hem kapalı olan kontak açılır hem de açık olan kontak kapanır? I. Başlatma ButonuII. Kalıcı ButonIII. Çift Yollu ButonIV. Jog Buton
|
Yalnız I
|
|
Yalnız II
|
|
I ve II
|
|
III ve IV
|
|
Yalnız IV
|
7.Soru
Aşağıdakilerden hangisi iç yapılarına göre zaman rölelerinden biri değildir?
|
Pistonlu zaman rölesi
|
|
Motorlu zaman rölesi
|
|
Doğru akım zaman rölesi
|
|
Termik zaman rölesi
|
|
Düz zaman rölesi
|
8.Soru
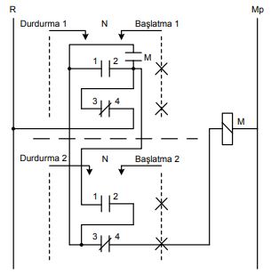
Yukarıda verilen devre aşağıdaki çalıştırma şekillerinden hangisinde kullanılır?
|
Sürekli çalıştırma uzaktan kumanda devresi |
|
Tek kontaktörlü kesik ve sürekli çalıştırma uzaktan kumanda devresi |
|
Yardımcı röleli kesik ve sürekli çalıştırma uzaktan kumanda devresi |
|
Yaylı paket şalterle uzaktan kumanda devresi |
|
Şöntü çıkarılmış paket şalterle uzaktan kumanda devresi |
Yukarıdaki devrede üç fazlı asenkron motoru sürekli çalıştıran bir uzaktan kumanda devresi verilmiştir. Uzaktan kumanda prensiplerine uygun olarak durdurma butonları (Durdurma 1 ve Durdurma 2) birbirlerine seri, başlatma butonları (Başlatma 1 ve Başlatma 2) birbirlerine paralel bağlanmıştır. Ayrıca, motorun sürekli çalışmasını sağlamak üzere başlatma butonlarına paralel bir M mühürleme kontağı kullanılmıştır.Doğru cevap A’dır.
9.Soru
Aşağıdakilerden hangisi sincap kafesli rotorun bir diğer adıdır?
|
Kısa devreli rotor
|
|
Sargılı rotor
|
|
Bilezikli rotor
|
|
Fırçalı rotor
|
|
Kolektörlü rotor
|
10.Soru
U¨ç fazlı asenkron motorun bobin uçları 1. bobin U-X 2. bobin V-Y 3. bobin W-Z olarak verilmiştir. Buna göre aşağıdaki bağlantılardan hangisi bu motoru yıldız çalıştırır?
|
U-Z, V-X, W-Y
|
|
U-V, W-X, Y-Z
|
|
U-V-X şebeke, W-Y-Z kısa devre
|
|
U-V-W şebeke, X-Y-Z kısa devre
|
|
V-X-Z şebeke, U-W-Y kısa devre
|
11.Soru
Kumanda devrelerinde Başlatma butonuna paralel kontak bağlamaya ne denir?
|
Kontaklama |
|
Devreleme |
|
Paralel bağlantı |
|
Şalterleme |
|
Mühürleme |
Kumanda devrelerinde Başlatma butonuna paralel kontak bağlamaya mühürleme denir. Doğru yanıt E seçeneğidir.
12.Soru
Aydınlatma ve priz devrelerinde sıkç¸a kullanılan ve öngörülen akımın 5 katına kadar olan değerlerde çalışan anahtarlı koruma elemanı hangisidir?
|
Termik röle
|
|
Bıçaklı sigorta
|
|
Buşonlu sigorta
|
|
G tipi otomatik sigorta
|
|
L tipi otomatik sigorta
|
13.Soru
Yıldız ve üçgen bağlantılarla ilgili verilen numaralandırılmış ifadelerden hangisi veya hangileri doğrudur? I. Faz gerilimi: herhangi bir Z empedansı üzerinde düşen gerilim, II. Hat akımı: herhangi bir terminalden geçen akım, III. Hat gerilimi: herhangi iki terminal arasındaki potansiyel farkı.
|
I
|
|
II
|
|
III
|
|
II ve III
|
|
I, II ve III
|
14.Soru
Rölelerde alternatif akımın yön ve değer değişimlerinden paletin etkilenerek titreşim yapmasını önlemek için aşağıdakileden hangisi uygulanır?
|
Nüvenin ön yüzüne açılan oluklara bakır halkalar yerleştirilir.
|
|
Demir nüve tek parçadan yapılır.
|
|
Nüvenin palete bakan kısmına plastik pullar konur.
|
|
Pistonlu zaman rölesi kullanılır.
|
|
Motorlu zaman rölesi kullanılır.
|
15.Soru
Aşağıdakilerden hangisi motor koruma için koruyucu eleman olarak kullanılamazlar?
|
Sigortalar
|
|
Aşırı akım rölesi
|
|
Gerilim koruma rölesi
|
|
Faz sırası rölesi
|
|
Faz koruma rölesi
|
16.Soru
Motoru kesik ve sürekli çalıştıran, butonla kumanda devresindeki motorun durması beklenirken çalışmaya devam etmesi problemi nasıl giderilir?
|
Yüksek gerilim koruma rölesi kullanmak
|
|
Faz sırası rölesi kullanmak
|
|
Jog butonu kullanmak
|
|
Düşük gerilim koruma rölesi kullanmak
|
|
Yardımcı röle kullanmak
|
17.Soru
Aşağıdaki zaman rölelerinin hangisinde, bobine gerilim uygulanmaya başladığı anda röle kontağı ani olarak konum değiştirir ve bobin enerjili kaldığı sürece kontak bu konumunu korur; bobine uygulanan gerilim kesildikten sonra zaman sayımı başlar ve belirlenen süre sonunda röle kontağı normal konumuna döner?
|
Düşmede Gecikmeli Tip Zaman Rölesi |
|
Çekmede Gecikmeli Tip Zaman Rölesi |
|
Bırakmada Gecikmeli Tip Zaman Rölesi |
|
Flaşör Zaman Rölesi |
|
Yıldız-Üçgen Zaman Rölesi |
Düşmede Gecikmeli Tip Zaman Rölesinde, bobine gerilim uygulanmaya başladığı anda röle kontağı ani olarak konum değiştirir ve bobin enerjili kaldığı sürece kontak bu konumunu korur. Bobine uygulanan gerilim kesildikten sonra zaman sayımı başlar ve belirlenen süre sonunda röle kontağı normal konumuna döner.
Doğru yanıt A seçeneğidir.
18.Soru
"Bir eksen etrafında dönebilen bir mil üzerine art arda dizilmiş dilimlerden oluşan çok konumlu anahtarlara denir" ifadesi aşağıdakilerden hangisini işaret etmektedir?
|
Termostat
|
|
Röle
|
|
Paket şalter
|
|
Başlatma butonu
|
|
Kontak
|
19.Soru
Aşağıda verilen özellikleri sağlayan sisteme ait kumanda devresi aşağıdakilerden hangisidir?
- Başlatma butonuna basıldığında birinci motor sürekli çalışacaktır.
- Birinci motor çalıştıktan 5 saniye sonra ikinci motor, 8 saniye sonra üçüncü motor çalışacaktır.
- Herhangi bir motora ait aşırı akım rölesi atarsa o motor duracaktır.
- Durdurma butonuna basıldığında her üç motorda duracaktır.
|
|
|
|
|
|
|
|
|
|
Verilen özellikleri sağlayan sisteme ait kumanda devresi B seçeneğindeki devredir ve çalışma prensibi şöyledir: Bu devrede Başlatma butonuna basıldığında J, M1 kontaktörleri ve ZR1, ZR2 zaman röleleri enerjilenir. Kumanda devresindeki J kontağı kapanarak mühürlemeyi sağlar. Bu arada güç devresindeki M1 kontakları kapanır ve M1 motoru çalışmaya başlar. ZR1 zaman rölesinin ayarlanan süresi sonunda (5 saniye), normalde açık gecikme ile kapanan ZR1 GK kontağı kapanır ve M2 kontaktörü bu kontak üzerinden enerjilenir. M2 kontaktörünün enerjilenmesiyle, güç devresindeki M2 kontakları kapanır ve M2 motoru çalışmaya başlar. M1 motoru çalışmaya başladıktan 8 saniye (M2 motoru çalışmaya başladıktan 3 saniye) sonra, ZR2 zaman rölesinin normalde açık gecikme ile kapanan ZR2 GK kontağı kapanır ve M3 kontaktörü bu kontak üzerinden enerjilenir. M3 kontaktörünün enerjilenmesiyle, güç devresindeki M3 kontakları kapanır ve M3 motoru çalışmaya başlar. Sistemde herhangi bir motora ait aşırı akım rölesi atarsa, o motora ait kontaktör devre dışı kalır; güç devresindeki ilgili kontaklar açılır ve o motor durur. Doğru yanıt B seçeneğidir.
20.Soru
Frekansı 200 Hz olan bir asenkron motorun senkron hızı 3000 d/d’dır. Buna göre motorun kutup sayısı nedir?
|
8
|
|
7
|
|
6
|
|
4
|
|
2
|
-
- 1.SORU ÇÖZÜLMEDİ
- 2.SORU ÇÖZÜLMEDİ
- 3.SORU ÇÖZÜLMEDİ
- 4.SORU ÇÖZÜLMEDİ
- 5.SORU ÇÖZÜLMEDİ
- 6.SORU ÇÖZÜLMEDİ
- 7.SORU ÇÖZÜLMEDİ
- 8.SORU ÇÖZÜLMEDİ
- 9.SORU ÇÖZÜLMEDİ
- 10.SORU ÇÖZÜLMEDİ
- 11.SORU ÇÖZÜLMEDİ
- 12.SORU ÇÖZÜLMEDİ
- 13.SORU ÇÖZÜLMEDİ
- 14.SORU ÇÖZÜLMEDİ
- 15.SORU ÇÖZÜLMEDİ
- 16.SORU ÇÖZÜLMEDİ
- 17.SORU ÇÖZÜLMEDİ
- 18.SORU ÇÖZÜLMEDİ
- 19.SORU ÇÖZÜLMEDİ
- 20.SORU ÇÖZÜLMEDİ