Elektromekanik Kumanda Sistemleri Final 10. Deneme Sınavı
Toplam 20 Soru1.Soru
Aşağıdakilerden hangisi düşük gerilimle yol verme yöntemi için doğrudur?
|
U¨ç fazlı rotoru sargılı asenkron motorlara uygulanır.
|
|
Bir fazlı kalkış kondansatörlü asenkron motorlara uygulanır.
|
|
Bir fazlı daimi kondansatörlü asenkron motorlara uygulanır.
|
|
Bir fazlı kalkış ve daimi kondansatörlü asenkron motorlara uygulanır.
|
|
Boşta çalışan üç fazlı sincap kafesli asenkron motorlara uygulanır.
|
2.Soru
Aşağıdakilerden hangisi koruma röle tiplerinden biri değildir?
|
Bıçaklı röle
|
|
Aşırı akım rölesi
|
|
Faz sırası rölesi
|
|
Frekans koruma rölesi
|
|
Faz koruma rölesi
|
3.Soru
Motorun var olan döndürme momentini ters yönde çevirerek motorun miline ters döndürme momenti uygulama yoluyla durdurulması hangisiyle anılır?
|
Dinamik frenleme
|
|
Mekanik frenleme
|
|
Ani frenleme
|
|
Balatalı frenleme
|
|
Zaman Röleli Frenleme
|
4.Soru
Asenkron motorlarla ilgili aşağıdaki parametrelerden hangisi motor etiketinde belirtilir?
|
Motor Çıkış Gücü
|
|
Motor Giriş Gücü
|
|
Motor Çalışma Isısı
|
|
Motor Gürültü Seviyesi
|
|
Rotor Frekansı
|
5.Soru
- Düşük gerilimle
- Dirençle veya reaktansla
- Oto transformatörüyle
- Yıldız-üçgen
Üç fazlı, sincap kafesli rotorlu asenkron motorlara yukarıdaki yöntemlerden hangileri ile yol verilir?
|
I ve II |
|
I ve III |
|
I ve IV |
|
I, II ve IV |
|
I, II, III ve IV |
Üç fazlı, sincap kafesli rotorlu asenkron motorlara düşük gerilimle yol verilir. Düşük gerilimle başlatma sadece boşta çalışan motorlara uygulanır. Yüklü çalışan motorlara düşük gerilimle yol verilmez. Düşük gerilimle yol verme yöntemi motora uygulanan gerilimin kademe kademe arttırılması prensibine dayanır. Düşük gerilimle yol verme yöntemleri üç kısımda incelenebilir:
- Dirençle veya reaktansla yol verme
- Oto transformatörüyle yol verme
- Yıldız-üçgen yol verme
Bu bilgilerden de anlaşıldığı gibi doğru cevap E’dir. “Dirençle veya reaktansla yol verme, “Oto transformatörüyle yol verme” ve “Yıldız-üçgen yol verme” düşük gerilimle yol verme kısımlarıdır bu nedenle seçeneklerin tümü üç fazlı, sincap kafesli rotorlu asenkron motorlara yol verme yöntemleridir.
6.Soru
İleri ve geri çalışan bir asenkron motorun devir yönünü değiştiren iki kontaktörün aynı anda çalışmasını önlemek için ne yapılmalıdır?
|
Fazlardan biri devre dışı bırakılmalı
|
|
Fazların hepsi sırayla yer değiştirilmeli
|
|
Mekanik kilitleme yapılmalı
|
|
İki fazın yeri kendi arasında değiştirilmeli
|
|
Gerilim azaltılmalı
|
7.Soru
I. Güçlükle yol alan motorlarda ve büyük güçteki motorlarda uygulanmaz. II. Durdurulacak motor bulunduğu yere iyice sabitlenmelidır. III. Bazı algılayıcılarla durma anı tespit edilerek motorun enerjisi kesilmelidir. Yukarıdakilerden hangileri ani frenleme için doğrudur?
|
Yalnız I
|
|
I ve III
|
|
I ve II
|
|
II ve III
|
|
I, II ve III
|
8.Soru
Elektrik akımının manyetik etkisinden yararlanılarak yapılan ve elektrik enerjisini doğrusal hareket enerjisine çeviren kumanda devre elemanı hangisidir?
|
Buton
|
|
Kontaktör
|
|
Selenoid valf
|
|
Röle
|
|
S¸alter
|
9.Soru
Aşağıdakilerden hangisi sincap kafesli asenkron motora ait düşük gerilimle yol verme yöntemlerinden biri değildir?
|
Stator devresine dirençler kademeli olarak seri bağlanır.
|
|
Stator devresine reaktanslar kademeli olarak seri bağlanır.
|
|
Oto transformatörüyle yol verme.
|
|
Yıldız-üçgen yol verme.
|
|
Rotor direnci ile yol verme.
|
10.Soru
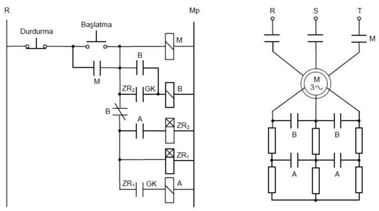
Yukarıda devre şemaları görülen yol verme ve güç devreleri aşağıdakilerden hangisine aittir?
|
Bir fazlı kalkış kondansatörlü asenkron motora butonla yol verme kumanda ve güç devresi |
|
Bir fazlı kalkış ve daimi kondansatörlü asenkron motora yol verme kumanda ve güç devresi |
|
Üç fazlı asenkron motora çift kademeli oto transformatörüyle yol verme kumanda ve güç devresi |
|
Rotoru sargılı asenkron motora çift kademe dirençle yol verme kumanda ve güç devresi |
|
Rotoru sargılı asenkron motora tek kademe dirençle yol verme kumanda ve güç devresi |
Yukarıda verilen devre şemaları “rotoru sargılı asenkron motora çift kademe dirençle yol verme kumanda ve güç devresi” ne aittir doğru cevap D’dır.
11.Soru
Aşağıdakilerden hangisi düşük gerilimle yol verme yöntemlerinden biri değildir?
|
Reaktansla yol verme
|
|
Dirençle yol verme
|
|
Direkt yol verme
|
|
Oto transformatörüyle yol verme
|
|
Yıldız-üçgen yol verme
|
12.Soru
Etiket değerleri 1.5 HP, Y/?: 380/220 V, 4.3A/7.5 A olan 3 fazlı asenkron motorun bir faz sargısı omik direnci 3.1 ? olarak ölçülmüştür. Motor yıldız bağlandığında motor sargılarına uygulanacak dinamik frenleme gerilim değeri kaçtır?
|
24.0 V
|
|
5.1 V
|
|
39.9 V
|
|
12.0 V
|
|
6.0 V
|
13.Soru
Asenkron motorlar için aşağıdakilerin hangisi doğrudur?I. Bir fazlı asenkron motorların dönüş yönünün değiştirilmesi, ana ve yardımcı sargının uçlarını değiştirmekle sağlanır.II. Üç fazlı asenkron motorların dönüş yönünü değiştirmek için, fazlardan herhangi iki fazın yerini değiştirmek yeterlidir. III. Fazların yer değiştirme işlemi kontaktör veya paket şalterle yapılır.
|
I
|
|
II
|
|
I, II
|
|
II, III
|
|
I, II ve III
|
14.Soru
Aşağıdaki hangi komut ile o anki değerin tümleyenini yığın belleğin en üst seviyesindeki değer ile lojik OR işlemine tabi tutar ve elde edilen değeri yığın belleğin en üst seviyesine yükler?
|
LOAD NOT |
|
LOAD |
|
OR NOT |
|
AND NOT |
|
AND |
OR NOT (ON) komutu o anki değerin tümleyenini yığın belleğin en üst seviyesindeki değer ile lojik OR işlemine tabi tutar ve elde edilen değeri yığın belleğin en üst seviyesine yükler.
15.Soru
PLC programında yer alan lojik işlemleri gerçekleştiren ve modüller arasındaki haberleşmeyi sağlayan ünite aşağıdakilerden hangisidir?
|
Bellek |
|
Giriş modülü |
|
CPU |
|
Çıkış modülü |
|
Güç modülü |
CPU, PLC nin en önemli ünitelerinden birisidir. PLC programında yer alan lojik işlemleri gerçekleştirir, modüller (giriş modülü, çıkış modülü, güç modülü vb.) arasındaki haberleşmeyi sağlar. S7-200 PLC’lerin farklı CPU’lara (CPU 212, CPU 214, CPU 222 vb.) sahip modelleri vardır.
16.Soru
Aşağıdakilerden hangisi yığın belleğin en üst seviyesindeki iki değeri birbiri ile lojik AND komutuna tabi tutar?
|
OR NOT Komutu |
|
OR Komutu |
|
AND BLOCK Komutu |
|
AND NOT Komutu |
|
AND Komutu |
AND BLOCK komutu yığın belleğin en üst seviyesindeki iki değeri birbiri ile lojik AND komutuna tabi tutar. Sonuç yine yığın belleğin en üst seviyesine yüklenir. Cevap C'dir.
17.Soru
Kumanda devrelerinde ileri dönüş yönü kontaktörünün bobin akımının geri yön butonunun normalde kapalı kontağından, geri dönüş yönü kontaktörünün bobin akımının da ileri yön butonunun normalde kapalı kontağından devresini tamamladığı bağlantıya ne ad verilir?
|
Mekanik kilitleme
|
|
Buton kilitleme
|
|
Elektriksel kilitleme
|
|
Sürekli ve kesik çalıştırmalı dönüş yönü değiştirme
|
|
Kalıcı paket şalter ile dönüş yönü değiştirme
|
18.Soru
Aşağıdakilerden hangi komut ile o anki kontağın değerinin tümleyeni yığın belleğin en üst seviyesine yüklenir?
|
AND Komutu |
|
LOAD Komutu |
|
LOAD NOT Komutu |
|
AND NOT Komutu |
|
OR Komutu |
LOAD NOT komutuyla o anki kontağın değerinin tümleyeni yığın belleğin en üst seviyesine yüklenir. Yığın elemanları bir kaydırılır, en son eleman silinir. Cevap C'dir.
19.Soru
Bir PLC programında TON37 tipi bir zamanlayıcı tercih edilmişse bir dakikalık bir gecikme için PT kaç alınmalıdır?
|
10 |
|
100 |
|
60 |
|
600 |
|
6000 |
T37 için çarpan değer 100 ms olduğundan ve 1 dakika 60 saniye oldğundan PT=600 alınmalıdır.
20.Soru
Yukarıdakilerden hangileri balatalı frenleme için doğrudur? I. İki adet balata aracılığı ile motor kasnağının sıkılarak durdurulması ile gerçekleşir. II. Sürtünmeden dolayı oluşan toz ve koku yüzünden daha çok insansız ortamlarda kullanılır. III. Genellikle asansör ve vinç gibi motorun kapalı ortamda frenlendiği sistemlerde tercih edilir.
|
Yalnız II
|
|
I ve III
|
|
I ve II
|
|
II ve III
|
|
I, II, III
|
-
- 1.SORU ÇÖZÜLMEDİ
- 2.SORU ÇÖZÜLMEDİ
- 3.SORU ÇÖZÜLMEDİ
- 4.SORU ÇÖZÜLMEDİ
- 5.SORU ÇÖZÜLMEDİ
- 6.SORU ÇÖZÜLMEDİ
- 7.SORU ÇÖZÜLMEDİ
- 8.SORU ÇÖZÜLMEDİ
- 9.SORU ÇÖZÜLMEDİ
- 10.SORU ÇÖZÜLMEDİ
- 11.SORU ÇÖZÜLMEDİ
- 12.SORU ÇÖZÜLMEDİ
- 13.SORU ÇÖZÜLMEDİ
- 14.SORU ÇÖZÜLMEDİ
- 15.SORU ÇÖZÜLMEDİ
- 16.SORU ÇÖZÜLMEDİ
- 17.SORU ÇÖZÜLMEDİ
- 18.SORU ÇÖZÜLMEDİ
- 19.SORU ÇÖZÜLMEDİ
- 20.SORU ÇÖZÜLMEDİ