Elektromekanik Kumanda Sistemleri Final 3. Deneme Sınavı
Toplam 20 Soru1.Soru
Aşağıdaki ifadelerden hangisi doğrudur?
|
Pimli sınır anahtarları, genelde, aygıtın hareketli kısmına bağlanır.
|
|
Makaralı sınır anahtarları, genelde, aygıtın hareketli kısmına bağlanır.
|
|
Yapılarına göre sınır anahtarları iki gruba ayrılırlar.
|
|
Mekanik sınır anahtarları makaralı olmak üzere tek çeşittir.
|
|
Manyetik sınır anahtarları üç kısımdan oluşur.
|
2.Soru
S7-200 PLC'leri programlamak için aşağıdaki yazılımlardan hangisi kullanılmaktadır?
|
Twido Suit |
|
Zelio Soft |
|
Step 7-Micro/Win |
|
CX-Programmer |
|
CODESYS |
Step 7-Micro/Win programı S7-200 PLC’leri programlamak için kullanılır.
3.Soru
Üçgen çalıştırılmak istenen üç fazlı asenkron motor, yol vermede yıldız bağlanırsa .......
|
faz gerilimi 1.73 kat azalır, yol alma akımı da yaklaşık 3 kat azalır.
|
|
faz gerilimi 1.73 kat azalır, yol alma akımı da yaklaşık 3 kat artar.
|
|
faz gerilimi 3 kat azalır, yol alma akımı da yaklaşık 1.73 kat azalır.
|
|
faz gerilimi 3 kat azalır, yol alma akımı da yaklaşık 3 kat artar.
|
|
faz gerilimi 1.73 kat azalır, yol alma akımı da yaklaşık 1.73 kat azalır.
|
4.Soru
Katı, sıvı ve gazların sıcaklık derecelerinin sabit tutulması amacıyla kullanılan kumanda elemanlarına ne ad verilir?
|
Termistör
|
|
Pako şalter
|
|
Termostat
|
|
Termik röle
|
|
Kontaktör
|
5.Soru
OUT komutuna göre Bobin girişi lojik 1 ise işlem sonucu lojik kaçtır?
|
0 |
|
1 |
|
0,1 |
|
1,1 |
|
10 |
PLC’de röleler çıkış ismini almıştır ve OUT (=) komutuyla sürülür. Bobin girişi lojik 1 ise işlem sonucu lojik 1, giriş lojik 0 ise işlem sonucu lojik 0’dır
6.Soru
S7-200 PLC'ye göre "TON TX, PT" aşağıdakilerden hangisinin komut simgesidir?
|
Reset |
|
Karşılaştırma |
|
Sayıcı |
|
Çıkış |
|
Zamanlayıcı |
TON TX, PT zamanlayıcının komut simgesidir. (S7-200)
7.Soru
Numaralandırılmış ifadelerden hangisi veya hangileri doğrudur? I. Sınır anahtarlı dönüş yönü değiştirme uygulamaları, planya, vargel, freze tezgahı gibi hareketli iş tezgahlarında sıklıkla kullanılır. II. Periyodik olarak dönüş yönü değiştirme için çift yönlü sınır anahtarları da kullanılabilir. III. Kontrol sistemlerinde; tehlikeli bir duruma sebep olmadan, genellikle de otomatik olarak motorun dönüş yönünün değiştirilmesi arzu edilir.
|
I
|
|
II
|
|
III
|
|
I ve II
|
|
I, II ve III
|
8.Soru
Aşağıdakilerden hangisi balatalı fren düzeneğinde bulunmaz?
|
Yay
|
|
Balata
|
|
Direnç
|
|
Motor kasnağı
|
|
Bobin
|
9.Soru
Asenkron motorların özellikleri, bir etiketle (plaka) gövdeleri üzerine monte edilir. Motor etiketinde genellikle numaralandırılmış bilgilerden hangisi veya hangileri yer almaktadır? I. Üretici firma II. Faz sayısı III. Gövde tipi IV. İşletme türü
|
I ve II
|
|
II ve III
|
|
III ve IV
|
|
I, II ve III
|
|
I, II, III ve IV
|
10.Soru
Numaralandırılmış ifadelerden hangisi veya hangileri doğrudur? I. Sınır anahtarlı dönüş yönü değiştirme uygulamaları, planya, vargel, freze tezgahı gibi hareketli iş tezgahlarında sıklıkla kullanılır. II. Periyodik olarak dönüş yönü değiştirme için çift yönlü sınır anahtarları da kullanılabilir. III. Kontrol sistemlerinde; tehlikeli bir duruma sebep olmadan, genellikle de otomatik olarak motorun dönüş yönünün değiştirilmesi arzu edilir.
|
I
|
|
II
|
|
III
|
|
I ve II
|
|
I, II ve III
|
11.Soru
Termostatlar yapılarına göre kaç gruba ayrılır?
|
6
|
|
5
|
|
4
|
|
3
|
|
2
|
12.Soru
Etiket değerleri 1.5 HP, Y/Δ: 380/220 V, 4.3A/7.5 A olan 3 fazlı asenkron motorun bir faz sargısı omik direnci 6Ω olarak ölçülmüştür. Motor yıldız bağlandığında eşdeğer direnç değeri ne olur?
|
4Ω
|
|
9Ω
|
|
6Ω
|
|
8Ω
|
|
10Ω
|
13.Soru
Kontaktörün tamir edilmeden yük altında yaptığı açıp kapama sayısını belirleyen karakteristik büyüklük aşağıdakilerden hangisidir?
|
Nominal Akım
|
|
Nominal İşletme Akımı
|
|
Sürekli Termik Akım
|
|
Bobin Tutma Gücü
|
|
Elektriksel Ömür
|
14.Soru
Röleler için aşağıdakilerden hangisi doğrudur?
|
Röle bobinleri sadece alternatif akımda çalışabilir.
|
|
Röle bobinleri sadece doğru akımda çalışabilir.
|
|
Rölelerde elektromıknatıs kullanılır.
|
|
Rölelerde sadece bir adet kontak bulunabilir.
|
|
Büyük güçteki elektromanyetik anahtarlardır.
|
15.Soru
CTUD sayıcıda giriş lojik 0 dan lojik 1 e değiştiğinde sayıcının değerinde aşağıdakilerden hangisi gerçekleşir?
|
1 artar |
|
1 azalır |
|
Aynı kalır |
|
10 artar |
|
Sıfırlanır |
CTUD sayıcının CTU dan farkı sayıcıya fazladan CD girişinin eklenmesidir. CTUD sayıcıda CU yukarı sayıcı girişidir, bu giriş lojik 0 dan lojik 1 e değiştiğinde sayıcının değeri 1 artar.
16.Soru
Aşağıdakilerden hangisi PLC’nin avantajlarından değildir?
|
Enerji ve bakım maliyeti düşüktür.
|
|
Montajı kolaydır.
|
|
Kolay programlanabilir.
|
|
Elektro-mekanik röle sistemleri kullanır.
|
|
Az yer tutar.
|
17.Soru
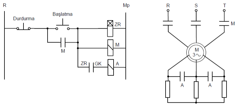
Yukarıda devre şemaları görülen yol verme ve güç devreleri aşağıdakilerden hangisine aittir?
|
Bir fazlı kalkış kondansatörlü asenkron motora butonla yol verme kumanda ve güç devresi |
|
Bir fazlı kalkış ve daimi kondansatörlü asenkron motora yol verme kumanda ve güç devresi |
|
Üç fazlı asenkron motora çift kademeli oto transformatörüyle yol verme kumanda ve güç devresi |
|
Rotoru sargılı asenkron motora çift kademe dirençle yol verme kumanda ve güç devresi |
|
Rotoru sargılı asenkron motora tek kademe dirençle yol verme kumanda ve güç devresi |
Yukarıda verilen devre şemaları “Rotoru sargılı asenkron motora tek kademe dirençle yol verme kumanda ve güç devresi” ne aittir doğru cevap E’dır.
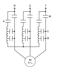
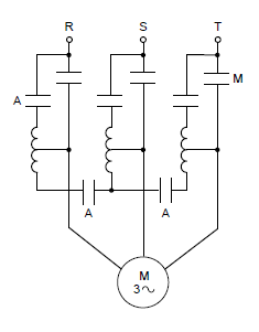
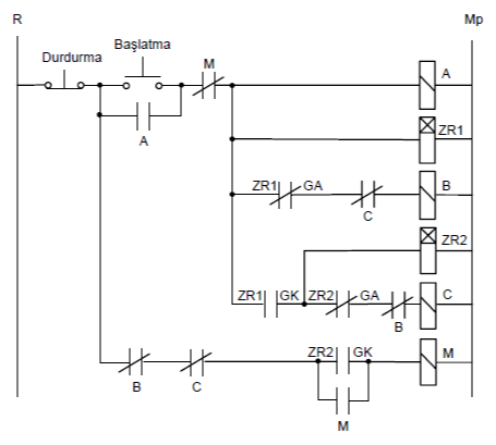
18.Soru
Yukarıda devre şeması verilen üç fazlı asenkron motora çift kademeli oto transformatörüyle yol verme kumanda devresine ait güç devresi aşağıdakilerden hangisidir?
|
|
|
|
|
|
|
|
|
|
Yukarıda verilen devrede Başlatma butonuna basıldığında, A kontaktörü, ZR1 zaman rölesi ve B kontaktörü enerjilenir. Kumanda devresindeki A kontağı kapanarak mühürlemeyi sağlar. Benzer şekilde, güç devresindeki A kontaklarının kapanmasıyla oto transformatörü şebekeye bağlanır; B kontaklarının kapanmasıyla da transformatörün %50 civarında gerilimli uçlarına bağlı motor düşük gerilimle yol almaya başlar. ZR1 zaman rölesinin ayarlanan süresi sonunda, normalde kapalı gecikme ile açılan ZR1-GA kontağı açılarak B kontaktörünü devre dışı bırakırken, normalde açık zaman gecikme ile kapanan ZR1 -GK kontağı kapanarak ZR2 zaman rölesini ve C kontaktörünü çalıştırır. B kontaktörünün devre dışı kalması ve C kontaktörünün çalışmasıyla, güç devresindeki B kontakları açılır ve C kontakları kapanır. Böylece, transformatörün %80 civarında gerilimli uçlarına bağlı motor artan gerilimle yol almaya devam eder. ZR2 zaman rölesinin ayarlanan süresi sonunda, normalde kapalı gecikme ile açılan ZR2-GA kontağı açılarak C kontaktörünü devre dışı bırakırken, normalde açık zaman gecikme ile kapanan ZR2-GK kontağı kapanarak M kontaktörünü çalıştırır. M kontaktörünün çalışmasıyla A kontaktörü, ZR1 ve ZR2 zaman röleleri devre dışı bırakılır. Güç devresindeki A ve C kontaklarının açılmasıyla oto transformatörü şebekeden ayrılır; M kontaklarının kapanmasıyla da motor normal şebeke gerilimiyle çalışmaya başlar. Doğru cevap D’dir.
19.Soru
PLC de modüller (giriş modülü, çıkış modülü, güç modülü vb.) arasındaki haberleşmeyi sağlayan birim aşağıdakilerden hangisidir?
|
RAM
|
|
ROM
|
|
CPU
|
|
Giriş modülü
|
|
CPU
|
20.Soru
Etiket değerleri 1.5 HP , Y/?: 380/220 V , 4.5A/7.8A ve faz sargısı omik direnci 8? olan 3 fazlı asenkron motor yıldız bağlandığında motor sargılaına uygulanacak dinamik frenleme gerilim değeri kaçtır?
|
43.2 V
|
|
64.8 V
|
|
21.1 V
|
|
31.2 V
|
|
62.4 V
|
-
- 1.SORU ÇÖZÜLMEDİ
- 2.SORU ÇÖZÜLMEDİ
- 3.SORU ÇÖZÜLMEDİ
- 4.SORU ÇÖZÜLMEDİ
- 5.SORU ÇÖZÜLMEDİ
- 6.SORU ÇÖZÜLMEDİ
- 7.SORU ÇÖZÜLMEDİ
- 8.SORU ÇÖZÜLMEDİ
- 9.SORU ÇÖZÜLMEDİ
- 10.SORU ÇÖZÜLMEDİ
- 11.SORU ÇÖZÜLMEDİ
- 12.SORU ÇÖZÜLMEDİ
- 13.SORU ÇÖZÜLMEDİ
- 14.SORU ÇÖZÜLMEDİ
- 15.SORU ÇÖZÜLMEDİ
- 16.SORU ÇÖZÜLMEDİ
- 17.SORU ÇÖZÜLMEDİ
- 18.SORU ÇÖZÜLMEDİ
- 19.SORU ÇÖZÜLMEDİ
- 20.SORU ÇÖZÜLMEDİ