Elektromekanik Kumanda Sistemleri Final 4. Deneme Sınavı
Toplam 20 Soru1.Soru
Aşağıdakilerden hangisi ortak uçlu butonunun sembolüdür?
|
|
|
|
|
|
|
|
|
|
A seçeneğindeki şekil çift yollu buton sembolü, C seçeneğindeki şekil durdurma butonu sembolü, D seçeneğindeki şekil başlatma butonu sembolü, E seçeneğindeki şekil ise açık anahtar sembolüdür. B seçeneğindeki şekil ise ortak uçlu buton sembolüdür. Doğru yanıt B seçeneğidir.
2.Soru
Türkiye’ de en yaygın kullanılan PLC serisi hangi şirket tarafından üretilmiştir?
|
Siemens |
|
General Elektrik |
|
Mitsubishi |
|
Toshiba |
|
LG |
Endüstride, birçok firmanın ürettiği farklı PLC’ler bulunmakla beraber, Türkiye’ de en yaygın kullanılan PLC serisi Siemens tarafından üretilen S7-200 serisi PLC’lerdir.
3.Soru
PLC’lerdeki kontrol programını saklamaya yarayan ünite aşağıdakilerden hangisidir?
|
CPU |
|
Giriş Modülü |
|
Çıkış Modülü |
|
Bellek |
|
Güç Modülü |
Bellek, PLC’lerdeki kontrol programını saklamaya yarar. PLC’lerde, PLC’ye ilişkin değişmeyen bilgilerin saklandığı sadece okunur bellek (ROM: Read Only Memory) ve kullanıcı programı, giriş çıkış lojik durumlarının bulunduğu rastgele erişimli bellek (RAM: Random Access Memory) olmak üzere iki çeşit bellek bulunur.
4.Soru
PLC’de sayıcı için adres belirteci hangisidir?
|
T
|
|
C
|
|
I
|
|
Q
|
|
W
|
5.Soru
Aşağıdakilerden hangisinde asenkron motorun senkron hızı (n), statora uygulanan gerilimin frekansı (f) ve statorun toplam kutup sayısı (P) cinsinden doğru gösterilmiştir?
|
n = 60 * f / P (d/d)
|
|
n = 120 * f / P (d/d)
|
|
n = 60 * P / f (d/d)
|
|
n = 120 * P / f (d/d)
|
|
n = f * P (d/d)
|
6.Soru
Rotoru sargılı asenkron motorların kalkış momentleri hangi motorlara göre daha yüksektir?
|
Sincap kaplı asenkron |
|
Bir fazlı asenkron |
|
Bir fazlı yardımcı sargılı asenkron |
|
Bir fazlı kalkış kondansatörlü asenkron |
|
Bir fazlı kalkış ve daimi kondansatörlü asenkron |
Rotoru sargılı asenkron motorların kalkış momentleri, sincap kafesli asenkron motorlara göre daha yüksektir. Bu yüzden, yükte kalkınması gereken yerlerde rotoru sargılı asenkron motorlar kullanılır. Bu bilgilerden de anlaşıldığı gibi doğru cevap A’dır.
7.Soru
Kumanda devrelerinde, iki kontaktörün hareketli paletlerinin bir eksen etrafında dönebilen bir çubukla birbirine bağlanmasıyla elde edilen bağlantıya ne adı verilmektedir. ?
|
Statik kilitleme
|
|
Dinamik kilitleme
|
|
Devre
|
|
Mekanik kilitleme
|
|
Asenkron kilitleme
|
8.Soru
Alternatif akım motorlarının şebeke enerjisi kesildikten sonra stator sargılarına uygun bir doğru gerilim uygulanarak durdurulması yöntemiyle yapılan frenleme şekli aşağıdakilerden hangisidir?
|
Mekanik frenleme
|
|
Balatalı frenleme
|
|
Ani frenleme
|
|
Dinamik frenleme
|
|
Faydalı frenleme
|
9.Soru
Aşağıdakilerden hangisi üzerinden geçen akım değeri öngörülen belli bir değeri belli bir süre aşması durumunda kullanılan koruma elamanıdır?
|
Buşonlu sigorta
|
|
Otomatik sigorta
|
|
Bıçaklı sigorta
|
|
Aşırı akım rölesi
|
|
Termistör
|
10.Soru
Doğru akım elektrik enerjisini dairesel mekanik enerjiye dönüştüren elektrik makinesine ne ad verilir?
|
Alternatif akım motoru
|
|
Üreteç
|
|
Motor
|
|
Güç
|
|
Doğru akım motoru
|
11.Soru
Yukarıda verilen yaylı paket şalterle kumanda devresine ait çalışma diyagramı aşağıdakilerden hangisinde doğru verilmiştir?
|
|
|
|
|
|
|
|
|
|
Bu devrede, paket şalter N konumundayken (1-2) nolu kontak açık, (3-4) nolu kontak kapalıdır. Bu konumda motor, paket şalter N konumuna gelmeden önceki çalışma şekline (çalışıyorsa çalışmaya, duruyorsa durmaya) devam eder. Paket şalterin kolu B konumuna getirildiğinde (1-2) ve (3-4) nolu kontaklar kapanır. M kontaktörü bu kontaklar üzerinden enerjilenir ve kontakları konum değiştirir. Kumanda devresindeki M kontağı kapanarak mühürlemeyi sağlar. Benzer şekilde güç devresindeki M kontakları kapanır ve motor çalışmaya başlar. Paket şalter kolu B konumundayken serbest bırakılırsa, yay nedeniyle paket şalter bu konumda kalmayıp N konumuna geçer. N konumunda (1-2) nolu kontak açılır, fakat M kontaktörü mühürleme kontağı ve (3-4) nolu kontak üzerinden enerjilenir ve motor çalışmaya devam eder. Motoru durdurmak için paket şalter kolu D konumuna getirilmelidir. Paket şalter D konumundayken (1-2) ve (3-4) nolu kontaklar açıktır, M kontaktörü enerjisiz ve kontakları normal konumundadır, motor çalışmaz. Paket şalter kolu D konumundayken serbest bırakılırsa, yay nedeniyle paket şalter bu konumda kalmayıp N konumuna geçer. Bu konumda, (1-2) nolu kontak ve M kontağı açık olduğu için motor durmaya devam eder. Doğru cevap C’dir.
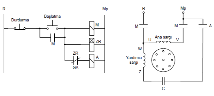
12.Soru
Yukarıda devre şemaları görülen yol verme ve güç devreleri aşağıdakilerden hangisine aittir?
|
Bir fazlı kalkış kondansatörlü asenkron motora butonla yol verme kumanda ve güç devresi |
|
Bir fazlı kalkış ve daimi kondansatörlü asenkron motora yol verme kumanda ve güç devresi |
|
Üç fazlı asenkron motora çift kademeli oto transformatörüyle yol verme kumanda ve güç devresi |
|
Rotoru sargılı asenkron motora çift kademe dirençle yol verme kumanda ve güç devresi |
|
Rotoru sargılı asenkron motora tek kademe dirençle yol verme kumanda ve güç devresi |
Yukarıda verilen devre şemaları “bir fazlı kalkış kondansatörlü asenkron motora butonla yol verme kumanda ve güç devresi” ne aittir doğru cevap A’dır.
13.Soru
Numaralandırılmış ifadelerden hangisi veya hangileri doğrudur? I. Ani frenlemede frenleme zamanı çok uzundur. II. Ani frenlemede mekanik problem olasılığı yüksektir. III. Ani frenleme, elektriksel bir frenleme yöntemidir.
|
I
|
|
II
|
|
II ve III
|
|
I ve III
|
|
I,II ve III
|
14.Soru
Rotoru sargılı asenkron motorlar ile ilgili olarak aşağıdakilerden hangileri doğrudur?I. Rotoru sargılı asenkron motorların kalkış momentleri, sincap kafesli asenkron motorlara göre daha yüksektir.II.Rotoru sargılı asenkron motorlarda rotor hızını değiştirmek için harici direnç bağlanabilir.III. Rotoru sargılı asenkron motorlarda rotor devresinin direnç değeri artırılırsa maksimum moment daha yüksek hızlarda meydana gelir.
|
Yalnız I
|
|
Yalnız II
|
|
I-II
|
|
II-III
|
|
Hepsi
|
15.Soru
S7-200’e ait temel komut listesine göre "Tümleyenine OR işlemi" nin komutu aşağıdakilerden hangisidir?
|
LD |
|
LDN |
|
O |
|
ON |
|
AN |
OR NOT Tümleyenine OR işlemi' nin komut simgesi S7-200 Komut listesi ve sembollerinde ON dur.
16.Soru
Numaralandırılmış ifadelerden hangisi veya hangileri kumanda devrelerinde kullanılan başlıca frenleme çeşitlerindendir? I. Balatalı frenleme II. Dinamik frenleme III. Ani durdurma
|
I
|
|
II
|
|
I ve III
|
|
II ve III
|
|
I, II ve III
|
17.Soru
Aşağıdakilerden hangi(leri)si asenkron motorlar için bir dönüş yönü değiştirme yöntemidir?I.Mekanik kilitlemeII.Elektriksel kilitlemeIII.Dinamik kilitleme
|
I
|
|
II
|
|
III
|
|
I ve II
|
|
I-II-III
|
18.Soru
Kumanda devrelerinde, iki kontaktörün hareketli paletlerinin bir eksen etrafında dönebilen bir çubukla birbirine bağlanmasıyla elde edilen bağlantıya ne adı verilmektedir. ?
|
Statik kilitleme
|
|
Dinamik kilitleme
|
|
Devre
|
|
Mekanik kilitleme
|
|
Asenkron kilitleme
|
19.Soru
I. Statora uygulanan gerilimin frekansı
II. Mekanik güç
III. Toplam kutup sayısı
IV. Kayma
V. Rotor giriş gücü
Yukarıdakilerden hangileri asenkron motorun rotor hızını etkileyen faktörlerdendir?
|
I, II ve V |
|
I, III ve IV |
|
II, III ve IV |
|
I, III, IV ve V |
|
I, II, III ve V |
Asenkron motorun rotor hızını etkileyen faktörler şunlardır.
• Statora uygulanan gerilimin frekansı, sf (Hz)
• Toplam kutup sayısı, P
• Kayma, s
Doğru yanıt B seçeneğidir.
20.Soru
Yıldız ve üçgen bağlı motorlarda dinamik frenleme uygulanırken sargılara uygulanacak doğru akım değeri, normal çalışma akımının kaç katı seçilmelidir?
|
0.25 ila 2 katı arasında.
|
|
0.10 ila 0.25 katı arasında.
|
|
4 ila 6 katı arasında.
|
|
2.4 ila 2.8 katı arasında.
|
|
2 ila 4 katı arasında.
|
-
- 1.SORU ÇÖZÜLMEDİ
- 2.SORU ÇÖZÜLMEDİ
- 3.SORU ÇÖZÜLMEDİ
- 4.SORU ÇÖZÜLMEDİ
- 5.SORU ÇÖZÜLMEDİ
- 6.SORU ÇÖZÜLMEDİ
- 7.SORU ÇÖZÜLMEDİ
- 8.SORU ÇÖZÜLMEDİ
- 9.SORU ÇÖZÜLMEDİ
- 10.SORU ÇÖZÜLMEDİ
- 11.SORU ÇÖZÜLMEDİ
- 12.SORU ÇÖZÜLMEDİ
- 13.SORU ÇÖZÜLMEDİ
- 14.SORU ÇÖZÜLMEDİ
- 15.SORU ÇÖZÜLMEDİ
- 16.SORU ÇÖZÜLMEDİ
- 17.SORU ÇÖZÜLMEDİ
- 18.SORU ÇÖZÜLMEDİ
- 19.SORU ÇÖZÜLMEDİ
- 20.SORU ÇÖZÜLMEDİ