Elektromekanik Kumanda Sistemleri Final 7. Deneme Sınavı
Toplam 20 Soru1.Soru
Yukarıda devre şemaları görülen yol verme ve güç devreleri aşağıdakilerden hangisine aittir?
|
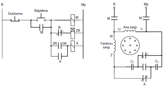
Bir fazlı kalkış kondansatörlü asenkron motora butonla yol verme kumanda ve güç devresi |
|
Bir fazlı kalkış ve daimi kondansatörlü asenkron motora yol verme kumanda ve güç devresi |
|
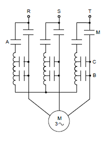
Üç fazlı asenkron motora çift kademeli oto transformatörüyle yol verme kumanda ve güç devresi |
|
Rotoru sargılı asenkron motora çift kademe dirençle yol verme kumanda ve güç devresi |
|
Rotoru sargılı asenkron motora tek kademe dirençle yol verme kumanda ve güç devresi |
Yukarıda verilen devre şemaları “Bir fazlı kalkış ve daimi kondansatörlü asenkron motora yol verme kumanda ve güç devresi” ne aittir. Doğru cevap B’dır.
2.Soru
Yukarıdaki şemada üç fazlı asenkron bir motorun direkt başlatma güç devresi görülmektedir. Bu devrede aşağıda verilen durumlardan hangisinde motor şebekeye direkt olarak bağlanır ve çalışmaya başlar?
|
R hattına bağlı M kontağı kapandığında |
|
S hattına bağlı M kontağı Kapandığında |
|
T hattına bağlı M kontağı kapandığında |
|
R, T, S hattındaki her hangi iki M kontağı kapandığında |
|
R, T, T hattındaki her üç M kontağı kapandığında |
Bu devrede, M kontakları kapandığında motor direkt olarak şebekeye bağlanır ve çalışmaya başlar; M kontakları kapalı olduğu sürece motor çalışmaya devam eder. M kontakları açıldığında, motor durur. Doğru cevap E’dir.
3.Soru
Aşağıdakilerden hangisi yanlıştır?
|
Doğru akım motorlarının dönüş yönünü değiştirmek için, endüvi veya uyartım sargısının uçları değiştirilir.
|
|
Doğru akım motorlarında endüvi uçlarının değiştirilmesi ile motorun maksimum momentle yol alması sağlanmış olur.
|
|
U¨ç fazlı asenkron motorların dönüş yönünü değiştirmek için, fazlardan herhangi iki fazın yerini değiştirmek yeterlidir.
|
|
U¨ç fazlı asenkron motorların fazlarının yerini değiştirmek için kontaktör kullanılabilir.
|
|
Doğru akım motorlarının dönüş yönünün değiştirilmesinde mekanik kilitleme kullanılmaz.
|
4.Soru
Numaralandırılmış ifadelerden hangisi veya hangileri doğrudur ? I. Doğru akım motoru alternatif akım elektrik enerjisini dairesel mekanik enerjiye dönüştüren elektrik makinesidir. II. Bir doğru akım motorunun maksimum momentle yol alması için, motorun uyartım sargısı direkt olarak şebekeye bağlı tutulur. III. Bir fazlı asenkron motorlarının en çok kullanılan tipi tek fazlı yardımcı sargılı motorlardır .
|
I
|
|
II
|
|
III
|
|
II ve III
|
|
I, II ve III
|
5.Soru
PLC'de "LDW" komutu aşağıdakilerden hangisi için kullanılmaktadır?
|
Okuma |
|
Yazma |
|
Sonlandırma |
|
Sayma |
|
Karşılaştırma |
PLC'de "LDW" komutu, karşılaştırma işlemi için kullanılmaktadır.
6.Soru
Aşağıdakilerden hangisi balatalı fren yapısında yer almaz?
|
Motor kasnağı
|
|
Yay
|
|
Bimetal
|
|
Röle bobini
|
|
Nüve
|
7.Soru
Doğru akım motorlarının yönünü değiştirmek için tam olarak ne yapılmalıdır ?
|
Endüvi sargısının uçları değiştirilerek, rotora uygulanan gerilimin polaritesi değiştirilir.
|
|
Endüvi sargısının uçları sabit tutulmalıdır.
|
|
Uyartım sargısının uçları sabit tutulmalıdır.
|
|
Rotora uygulanan gerilimin polaritesi değiştirilmelidir.
|
|
Rotora uygulanan gerilimin polaritesi sabit tutulmalıdır.
|
8.Soru
Kondansatörlü zaman rölesi, bir ....... ve buna paralel bağlanmış bir kondansatörden ibarettir. Boşluğu doldurunuz.
|
Akü
|
|
Pil
|
|
Kontaktör
|
|
Röle
|
|
Pako şalter
|
9.Soru
Aşağıdakilerden hangisi düşük gerilimle yol verme yöntemlerindendir? I. Dirençle veya reaktansla yol verme II. Oto transformatörüyle yol verme III. Yıldız-üçgen yol verme
|
I, II
|
|
II, III
|
|
I, III
|
|
III
|
|
I, II, III
|
10.Soru
Frekansı 100 Hz olan bir asenkron motorun senkron hızı 3000 d/d’dır. Buna göre, motorun kutup sayısını bulunuz.
|
8
|
|
6
|
|
5
|
|
4
|
|
3
|
11.Soru
Anlık kontak değerinin yığın belleğin en üst seviyesine yüklenmesi hangi komut ile gerçekleşir?
|
LOAD Komutu |
|
LOAD NOT Komutu |
|
OUT Komutu |
|
AND Komutu |
|
AND NOT Komutu |
LOAD komutuyla o anki kontağın değeri yığın belleğin en üst seviyesine yüklenir. Yığın elemanları bir kaydırılır, en son eleman silinir. Cevap A'dır.
12.Soru
Etiket değerleri 1.5 HP, Y/?: 380/220 V, 4.3A/7.5 A olan 3 fazlı asenkron motorun bir faz sargısı omik direnci 6.2 ? olarak ölçülmüştür. Motor yıldız bağlandığında motor sargılarına uygulanacak dinamik frenleme gerilim değeri kaçtır?
|
48.0 V
|
|
10.2 V
|
|
79.8 V
|
|
24.0 V
|
|
12.0 V
|
13.Soru
İleri ve geri çalışan bir asenkron motorun devir yönünü değiştiren iki kontaktörün aynı anda çalışmasını önlemek için ne yapılmalıdır?
|
Fazlardan biri devre dışı bırakılmalı
|
|
Fazların hepsi sırayla yer değiştirilmeli
|
|
Mekanik kilitleme yapılmalı
|
|
İki fazın yeri kendi arasında değiştirilmeli
|
|
Gerilim azaltılmalı
|
14.Soru
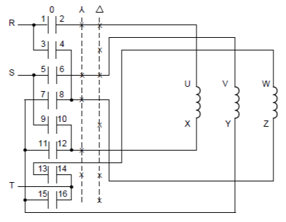
Yukarıda Üç fazlı asenkron motora paket şalterle yıldız-üçgen yol verme devresinde kullanılan paket şaltere ait çalışma diyagramı aşağıdakilerden hangisinde doğru verilmiştir?
|
|
|
|
|
|
|
|
|
|
Şekil 6.6’da üç fazlı asenkron motora üç konumlu kalıcı paket şalterle yıldız-üçgen yol verme devresi verilmiştir. Şekil 6.7’de ise bu devrede kullanılan paket şaltere ait çalışma diyagramı görülmektedir. Paket şalter 0 konumundayken tüm kontaklar açıktır. Paket şalter λ konumuna getirildiğinde, (1-2), (5-6), (7-8), (11-12) ve (13-14) nolu kontaklar kapanır ve motor yıldız olarak bağlanır. Paket şalter Δ konumuna getirildiğinde, (1-2), (3-4), (5-6), (9-10), (13-14) ve (15-16) nolu kontaklar kapanır ve motor üçgen olarak bağlanır. Doğru cevap C’dir.
15.Soru
Aşağıdakilerden hangisi Programmable Lojik Controller (PLC)'nin röleli kumanda sistemlerine göre bir üstünlüğü değildir?
|
Enerji ve bakım maliyeti yüksektir |
|
Montaj kolaylığı |
|
Her türlü elektrik-elektronik bileşenle uyumludur |
|
Her türlü elektrik-elektronik bileşenle uyumludur |
|
Az yer tutar |
PLC’nin, eskiden benzer amaçlar için kullanılan röleli kumanda sistemlerine göre birçok üstünlüğü vardır. Örneğin,
• Enerji ve bakım maliyeti düşük, montajı kolaydır.
• Her türlü elektrik-elektronik bileşenle uyumludur.
• Röleli sistemlere göre çok daha hızlı ve uzun ömürlüdür.
• Az yer tutar.
• Kolay programlanabilir.
• Kontrol edilen sistemde değişiklik olması halinde, PLC’de program değişikliği yapılarak yeni sisteme adaptasyon sağlanabilir.
16.Soru
3 fazlı asenkron motorun bir faz sargısı omik direnci 4? olarak ölçülmüştür. Motor üçgen bağlandığında elde edilen eşdeğer direnç aşağıdakilerden hangisidir?
|
2 Ohm
|
|
4 Ohm
|
|
6 Ohm
|
|
8 Ohm
|
|
10 Ohm
|
17.Soru
Yıldız ve üçgen bağlı motorlarda dinamik frenleme uygulanırken sargılara uygulanacak doğru akım değeri, pratikte normal çalışma akımının kaç katı seçilir?
|
1.2
|
|
0.25
|
|
2
|
|
2.4
|
|
4
|
18.Soru
Yukarıda verilen rotoru sargılı asenkron motora tek kademe dirençle yol verme kumanda devresine ait güç devresi aşağıdakilerden hangisidir?
|
|
|
|
|
|
|
|
|
|
Yukarıdaki devrede Başlatma butonuna basıldığında, ZR zaman rölesi ve M kontaktörü enerjilenir. Kumanda devresindeki M kontağı kapanarak mühürlemeyi sağlar. Benzer şekilde, güç devresindeki M kontaklarının kapanmasıyla motor rotor dirençleri üzerinden yol almaya başlar. ZR zaman rölesinin ayarlanan süresi sonunda, normalde açık gecikme ile kapanan ZR-GK kontağı kapanarak A kontaktörünü çalıştırır. A kontaktörünün çalışmasıyla, güç devresindeki A kontakları kapanarak rotor dirençlerini kısa devre eder ve motor rotor sargı uçları kısa devre edilmiş olarak çalışmaya devam eder. Doğru cevap D’dir.,
19.Soru
Aşağıdaki ifadelerden hangisi mühürleme kontağı için doğrudur?
|
Durdurma butonuna seri bağlanır.
|
|
Durdurma butonuna paralel bağlanır.
|
|
Başlatma butonuna paralel bağlanır.
|
|
Başlatma butonuna seri bağlanır.
|
|
Sürekli butonuna seri bağlanır.
|
20.Soru
- Motorlar yol alırken, anma akımlarından daha fazla akım çekerler.
- Yol alma akımının güvenli sınırlar içinde kalmasını sağlamak için, 4-5 KW’tan daha yüksek güçlü motorlara yol verme zorunluluğu vardır.
- Üç fazlı, sincap kafesli rotorlu asenkron motorlara düşük gerilimle yol verilir.
- Düşük gerilimle başlatma sadece boşta çalışan motorlara uygulanır.
- Yüklü çalışan motorlara düşük gerilimle yol verilmez.
Yukarıda yer alan yol verme yöntemlerine ilişkin ifadelerden hangisi/hangileri doğrudur?
|
I |
|
I ve III |
|
II, III ve V |
|
II, III, IV ve V |
|
I, II, III, IV ve V |
Motorlar yol alırken, anma akımlarından daha fazla akım çekerler. Bu fazla yol alma akımı şebekede, devrede ve motorda birçok sakınca yaratabilir. Yol alma akımının güvenli sınırlar içinde kalmasını sağlamak için, 4-5 KW’tan daha yüksek güçlü motorlara yol verme zorunluluğu vardır. Üç fazlı, sincap kafesli rotorlu asenkron motorlara düşük gerilimle yol verilir. Düşük gerilimle başlatma sadece boşta çalışan motorlara uygulanır. Yüklü çalışan motorlara düşük gerilimle yol verilmez. Bu bilgilerden de anlaşıldığı gibi yol verme yöntemlerine ilişkin seçeneklerde yer alan ifadelerin tümü doğrudur, dolayısıyla doğru cevap E’dir.
-
- 1.SORU ÇÖZÜLMEDİ
- 2.SORU ÇÖZÜLMEDİ
- 3.SORU ÇÖZÜLMEDİ
- 4.SORU ÇÖZÜLMEDİ
- 5.SORU ÇÖZÜLMEDİ
- 6.SORU ÇÖZÜLMEDİ
- 7.SORU ÇÖZÜLMEDİ
- 8.SORU ÇÖZÜLMEDİ
- 9.SORU ÇÖZÜLMEDİ
- 10.SORU ÇÖZÜLMEDİ
- 11.SORU ÇÖZÜLMEDİ
- 12.SORU ÇÖZÜLMEDİ
- 13.SORU ÇÖZÜLMEDİ
- 14.SORU ÇÖZÜLMEDİ
- 15.SORU ÇÖZÜLMEDİ
- 16.SORU ÇÖZÜLMEDİ
- 17.SORU ÇÖZÜLMEDİ
- 18.SORU ÇÖZÜLMEDİ
- 19.SORU ÇÖZÜLMEDİ
- 20.SORU ÇÖZÜLMEDİ