Elektromekanik Kumanda Sistemleri Final 8. Deneme Sınavı
Toplam 20 Soru1.Soru
Numaralandırılmış ifadelerden hangisi veya hangileri doğrudur? I. Asenkron motor, stator ve rotor olmak üzere iki ana bölümden oluşur. II. Elektrik enerjisini mekanik enerjiye dönüştüren aygıta elektrik motoru denir. III. Stator motorun duran kısmıdır. IV. Üç fazlı asenkron motorun üç faz sargı setleri sayısı o motorun çift kutup sayısını verir.
|
I ve II
|
|
I, II ve III
|
|
II, III ve IV
|
|
III ve IV
|
|
I, II, III ve IV
|
2.Soru
Motorun hareketli kısmına ne ad verilir?
|
Oluklu sac |
|
Stator |
|
Rotor |
|
Mil |
|
Klemens |
Motorun hareketli kısmına rotor denir. Doğru yanıt C seçeneğidir.
3.Soru
Aşağıdakilerden hangi(leri)si doğrudur? I. Balatalı frenleme için, motora imalat aşamasında ilgili düzeneğin eklenmesi gerekir. II. Ani frenleme mekanik bir frenleme yöntemidir. III. Dinamik frenlemede sargılara uygulanan doğru gerilim azaldıkça frenleme süresi uzar.
|
I-III
|
|
Yalnız II
|
|
I-II
|
|
Yalnız I
|
|
I-II-III
|
4.Soru
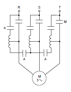
Yukarıda devre şeması verilen üç fazlı asenkron motora tek kademeli dirençle yol verme kumanda devresine ait güç devresi aşağıdakilerden hangisidir?
|
|
|
|
|
|
|
|
|
|
Bu devrede Başlatma butonuna basıldığında, M kontaktörü ve ZR zaman rölesi enerjilenir. Kumanda devresindeki M kontağı kapanarak mühürlemeyi sağlar. Benzer şekilde, güç devresindeki M kontaklarının kapanmasıyla motor dirençler üzerinden şebekeye bağlanır. Dirençler üzerindeki gerilim düşümü nedeniyle motor düşük gerilimle yol alır. ZR zaman rölesinin ayarlanan süresi sonunda, normalde açık gecikme ile kapanan ZR-GK kontağı kapanarak A kontaktörünü çalıştırır. A kontaktörünün çalışmasıyla, kumanda devresindeki normalde kapalı A kontağı açılarak ZR zaman rölesini devre dışı bırakırken normalde açık A kontağı kapanarak mühürleme yapar. Benzer şekilde, güç devresindeki normalde açık A kontakları kapanarak yol verme dirençlerini kısa devre eder. Böylece, motor normal şebeke gerilimiyle çalışmaya başlar. Doğru cevap A’dır.
5.Soru
Asenkron motorun verimi aşağıdakilerden hangisinde doğru tanımlanmıştır?
|
Verim = Giriş gücü / Mekanik güç
|
|
Verim = Mekanik güç / Giriş gücü
|
|
Verim = Çıkış gücü / Giriş gücü
|
|
Verim = Giriş gücü / Çıkış gücü
|
|
Verim = Giriş gücü * Mekanik güç
|
6.Soru
Asenkron motorlar için aşağıdakilerin hangisi doğrudur?I. Bir fazlı asenkron motorların dönüş yönünün değiştirilmesi, ana ve yardımcı sargının uçlarını değiştirmekle sağlanır.II. Üç fazlı asenkron motorların dönüş yönünü değiştirmek için, fazlardan herhangi iki fazın yerini değiştirmek yeterlidir. III. Fazların yer değiştirme işlemi kontaktör veya paket şalterle yapılır.
|
I
|
|
II
|
|
I, II
|
|
II, III
|
|
I, II ve III
|
7.Soru
Kumanda devrelerinde ileri dönüş yönü kontaktörünün normalde kapalı kontağının, geri dönüş yönü kontaktörününün bobinine ve geri dönüş yönü kontaktörünün normalde kapalı kontağının ileri dönüş yönü kontaktörünün bobinine seri bağlanmasıyla elde edilen bağlantıya ne ad verilir?
|
Mekanik kilitleme
|
|
Buton kilitleme
|
|
Elektriksel kilitleme
|
|
Sürekli ve kesik çalıştırmalı dönüş yönü değiştirme.
|
|
Kalıcı paket şalter ile dönüş yönü değiştirme
|
8.Soru
Rölelerde, demir nüve ve üzerine sarılmış bir bobin bulunan eleman aşağıdakileden hangisidir?
|
Elektromıknatıs
|
|
Palet
|
|
Kontak
|
|
Klepe
|
|
Bakır halka
|
9.Soru
Alternatif akım motorlarının şebeke enerjisi kesildikten sonra stator sargılarına uygun bir doğru gerilim tatbik edilerek durdurulması yöntemiyle yapılan frenleme aşağıdakilerden hangisidir?
|
Balatalı frenleme
|
|
Dinamik frenleme
|
|
Ani frenleme
|
|
Faydalı frenleme
|
|
Ters frenleme
|
10.Soru
Asenkron motorlara uygulanan gerilim artışı hangi değerden fazla olduğu durumda aşırı gerilim koruma rölesi devreyi açar ve motoru devre dışı bırakır?
|
%5
|
|
%8
|
|
%10
|
|
%15
|
|
%20
|
11.Soru
Elektrik enerjisiyle çalışan elektromanyetik musluklara veya vanalara ne ad verilir ?
|
Kontak
|
|
Selenoid Valf
|
|
Güç kontaktörü
|
|
İşletme
|
|
Nominal akım
|
12.Soru
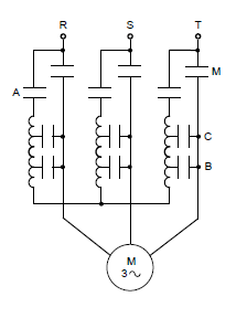
Yukarıda verilen devre aşağıdaki çalıştırma şekillerinden hangisinde kullanılır?
|
Sürekli çalıştırma |
|
Kalıcı butonla sürekli çalıştırma |
|
Kesik çalıştırma |
|
Tek kontaktörlü kesik ve sürekli çalıştırma |
|
Yardımcı röleli kesik ve sürekli çalıştırma |
Yukarıda verilen devrede, Başlatma butonuna basıldığında M kontaktörü enerjilenir ve paletini çeker. Paletin çekilmesiyle, M kontaktörünün kontakları konum değiştirir. Kumanda devresindeki M kontağı kapanarak mühürlemeyi sağlar. Benzer şekilde güç devresindeki M kontakları kapanır ve motor çalışmaya başlar. Başlatma butonu üzerindeki etki kalksa bile M kontaktörü mühürleme kontağı üzerinden enerjilenir ve motor çalışmaya devam eder. Motoru durdurmak için Durdurma butonuna basılması gerekir. Durdurma butonuna basıldığında M kontaktörü enerjisiz kalır ve kontakları normal konumuna döner. Güç devresindeki M kontakları açılır ve motor durur.Doğru cevap A’dır.
13.Soru
- Ladder (LAD)
- Statement List (STL)
- C+
- Java
PLC programlama için en çok kullanılan programa dilleri yukarıda verilenlerden hangileridir?
|
I ve II |
|
III ve IV |
|
I ve III |
|
II ve IV |
|
I, III ve IV |
STL ve LAD en çok kullnılan PLC programlama dilleridir.
14.Soru
Aşağıdakilerden hangisi rotoru sargılı asenkron motorlar için yanlıştır?
|
Kalkış momentleri, sincap kafesli asenkron motorlara göre daha yüksektir.
|
|
Rotor devresine harici direnç bağlanarak rotor hız değerini değiştirmek mümkündür.
|
|
Rotor devresinin direnç değeri artırılırsa maksimum moment daha düşük hızlarda meydana gelir
|
|
Rotor devresinin direnç değeri azaltılırsa maksimum moment daha yüksek hızlarda meydana gelir.
|
|
Yol verme sırasında bağlanan dirençler kademeli olarak devreye alınır ve sonunda devrede kalır.
|
15.Soru
I. Motorun enerjisi kesildiği anda stator sargılarındaki alternatif akım kesilir ve stator sargıları doğru akımla beslenir. II. Rotor kutuplarında indüklenen emk ile stator kutuplarının birbirini etkilemesi soncunda rotor kısa sürede durur. III. Sargılara uygulanan doğru gerilim arttıkça frenleme süresi kısalır, gerilim azaldıkça frenleme süresi uzar. Yukarıdakilerden hangileri dinamik frenleme için doğrudur?
|
Yalnız II
|
|
I ve III
|
|
I ve II
|
|
II ve III
|
|
I, II ve III
|
16.Soru
Bir kumanda devresinde butona basıldıktan 10 sn sonra lambanın yanması isteniyor. Bu sistemi gerçekleyen PLC programında, butonun I0.1 girişine, lambanın da Q1.1 girişine bağlanmıştır TON 37 tipi zamanlayıcıyı tercih edersek, gecikme zamanının 10 sn olması için PT değerinin kaç olması gerekir?
|
0 |
|
1 |
|
5 |
|
10 |
|
100 |
TON ve TONR tipi zamanlayıcılar maksimum 32767 değerine kadar sayabilir. Heriki zamanlayıcıda Preset Time (PT) ve 1 msn, 10 msn ve 100 msn lik çarpan değerler vardır. Zamanlayıcının sağladığı gecikme zamanı= PT*çarpan değer ile hesaplanır. Bir kumanda devresinde butona basıldıktan 7 sn sonra lambanın yanması isteniyor. Bu sistemi gerçekleyen PLC programında, butonun I0.1 girişine, lambanın da Q1.1 girişine bağlandığını kabul edelim. TON 37 tipi zamanlayıcıyı tercih edersek, gecikme zamanının 7 sn olması için PT=70 alınmalıdır.
17.Soru
Aşağıdakilerden hangisi PLC'yi oluşturan birimlerden değildir?
|
CPU |
|
Bellek |
|
Monitör |
|
Güç modülü |
|
Giriş/çıkış birimleri |
Monitör, PLC'yi oluşturan birimlerden değildir.
18.Soru
Motorun frenlenmesi için iki adet balata aracılığı ile motor kasnağının sıkılarak durdurulmasına ne ad verilir?
|
Mekanik frenleme
|
|
Dinamik frenleme
|
|
Ani frenleme
|
|
Sürekli frenleme
|
|
Gaz
|
19.Soru
Aşağıdaki ifadelerden hangisi doğrudur?
|
Yıldız bağlantıda hat akımı faz akımına eşittir.
|
|
Yıldız bağlantıda hat gerilimi faz geriliminin 3 katıdır
|
|
Üçgen bağlantıda hat akımı faz akımının 3 katıdır.
|
|
Üçgen bağlantıda hat gerilimi faz geriliminden büyüktür.
|
|
Üçgen bağlantıda hat akımı faz akımının 6 katıdır.
|
20.Soru
Doğru akım motorlarının yönünü değiştirmek için tam olarak ne yapılmalıdır ?
|
Endüvi sargısının uçları değiştirilerek, rotora uygulanan gerilimin polaritesi değiştirilir.
|
|
Endüvi sargısının uçları sabit tutulmalıdır.
|
|
Uyartım sargısının uçları sabit tutulmalıdır.
|
|
Rotora uygulanan gerilimin polaritesi değiştirilmelidir.
|
|
Rotora uygulanan gerilimin polaritesi sabit tutulmalıdır.
|
-
- 1.SORU ÇÖZÜLMEDİ
- 2.SORU ÇÖZÜLMEDİ
- 3.SORU ÇÖZÜLMEDİ
- 4.SORU ÇÖZÜLMEDİ
- 5.SORU ÇÖZÜLMEDİ
- 6.SORU ÇÖZÜLMEDİ
- 7.SORU ÇÖZÜLMEDİ
- 8.SORU ÇÖZÜLMEDİ
- 9.SORU ÇÖZÜLMEDİ
- 10.SORU ÇÖZÜLMEDİ
- 11.SORU ÇÖZÜLMEDİ
- 12.SORU ÇÖZÜLMEDİ
- 13.SORU ÇÖZÜLMEDİ
- 14.SORU ÇÖZÜLMEDİ
- 15.SORU ÇÖZÜLMEDİ
- 16.SORU ÇÖZÜLMEDİ
- 17.SORU ÇÖZÜLMEDİ
- 18.SORU ÇÖZÜLMEDİ
- 19.SORU ÇÖZÜLMEDİ
- 20.SORU ÇÖZÜLMEDİ