Güç Sistemleri Analizi Ara 4. Deneme Sınavı
Toplam 17 Soru1.Soru
Admittans matrisinde ne olarak ifade edilmektedir?
|
K barasının öz-reaktans değeri, |
|
K barasının öz-admitans değeri, |
|
K barasının öz-rezistans değeri, |
|
K barasının öz-endüktans değeri, |
|
K barasının öz-suseptans değeri, |
Admittans matrisinde , K barasının öz-admitans değeri olarak ifade edilmektedir.
2.Soru
Üç-fazlı sistemlerde, eşit büyüklüğe sahip, aralarında ±120° faz farkı bulunan ve saatin dönüş yönüne ters olarak sıralanmış elemanlara ne ad verilir?
|
Negatif-sıralı bileşenler
|
|
Fortescue bileşenleri
|
|
Eşdeğer devre bileşenleri
|
|
Sıfır-sıralı bileşenler
|
|
Pozitif-sıralı bileşenler
|
3.Soru
İdeal olarak kabul edildiğinde (üzerinde oluşan kayıplar ihmal edildiğinde) alternatif akımın gücünü ve frekansını değiştirmeden gerilim değerini istenilen seviyelere yükseltmeye veya alçaltmaya yarayan elektrik elemanı aşağıdakilerden hangisidir?
|
Transformatör |
|
Motor |
|
Jeneratör |
|
Sürücü |
|
Kesici |
Transformatör, ideal olarak kabul edildiğinde (üzerinde oluşan kayıplar ihmal edildiğinde) alternatif akımın gücünü ve frekansını değiştirmeden gerilim değerini istenilen seviyelere yükseltmeye veya alçaltmaya yarayan bir çeşit elektrik makinesidir. Elektrik enerjisinin alternatif akımla taşınmasında transformatörün önemli rolü vardır ve enerji sistemlerinin yapı taşlarından biridir. Doğru cevap A'dır.
4.Soru
İdeal bir transformatörün birincil (primer) sargısının sarım sayısı 500, birincil gerilimi 220 V, ikincil (sekonder) gerilimi ise 110 V olduğuna göre aşağıdakilerden hangisinde sırasıyla transformatörün dönüştürme oranı, ikincil sargısının sarım sayısı ve sarım başına endüklenen gerilim doğru verilmiştir?
|
2, 250, 0.44 V/Sarım |
|
4, 200, 0.44 V/Sarım |
|
2, 500, 0.22 V/Sarım |
|
4, 250, 0.22 V/Sarım |
|
6, 120, 0.88 V/Sarım |
Transformatörün dönüştürme oranı olarak bulunmaktadır. Buna göre ikincil sargının sarım sayısı
olarak bulunmaktadır. Böylece sarım başına endüklenen gerilim
olarak hesaplanmaktadır. Doğru cevap A'dır.
5.Soru
Aşağıdakilerden hangisi tek hat diyagramlarına örnektir?
|
|
|
|
|
|
|
|
|
|
Doğru yanıt "B" seçeneğidir.
6.Soru
Transformatör nedir?
|
Frekans alçaltıcı/yükseltici olarak kullanılan elektriksel aygıttır. |
|
Mekanik enerjiyi elektrik enerjisine çeviren elektrik makinasıdır, |
|
İdeal olarak kabul edildiğinde (üzerinde oluşan kayıplar ihmal edildiğinde) alternatif akımın gücünü ve frekansını değiştirmeden gerilim değerini istenilen seviyelere yükseltmeye veya alçaltmaya yarayan bir çeşit elektrik makinesidir, |
|
Faz açısı dönüştürmede kullanılan elektriksel bir malzemedir, |
|
Elektriksel verimliliği ölçen bir cihazdır. |
Transformatör, ideal olarak kabul edildiğinde (üzerinde oluşan kayıplar ihmal edildiğinde) alternatif akımın gücünü ve frekansını değiştirmeden gerilim değerini istenilen seviyelere yükseltmeye veya alçaltmaya yarayan bir çeşit elektrik makinesidir.
7.Soru
Kararlı durumda; senkron jeneratöre ait pozitif-sıralı jeneratör empedansına ne ad verilir?
|
Asenkron empedans |
|
Şönt empedans |
|
Karakteristik empedans |
|
Senkron empedans |
|
Jeneratör empedans |
Kararlı durumda; senkron jeneratöre ait stator dengeli üç-fazlı pozitif-sıralı akımlara sahip olduğunda, bu pozitif-sıralı akımlar tarafından üretilen net mmk , rotor ile aynı yönde ve rotor hızı ile senkron bir şekilde döner. Bu şartlarda, manyetik akının büyük bir kısmı rotor içine dağılır ve Zg1 pozitif-sıralı empedansı yüksek değere sahip olur. Kararlı durumda, pozitif-sıralı jeneratör empedansı senkron empedans olarak adlandırılır.
8.Soru
Transformatörlerde kullanılış amaçları esasına göre, aşağıdakilerden hangisi bu sınıflandırma içinde yer alır?
|
Silindirik sargı tip transformatör
|
|
Mantel tip transformatör
|
|
Yağ ile soğutulan tip transformatör
|
|
Ölçü transformatörü
|
|
Açık havada kullanılan tip transformatör
|
9.Soru
Dengeli
bağlı empedans yüke ait sıfır-sıralı akımın değeri aşağıdakilerden hangisine eşittir?
|
|
|
|
|
|
|
|
|
|
Dengeli bağlı empedans yüke ait sıfır-sıralı gerilim
'a ve sıfır-sıralı empedans ise
olarak verilir. Buna göre,
bağlı empedans yüke ait sıfır-sıralı akımın değeri
şeklinde elde edilir. Doğru cevap E'dir.
10.Soru
Kompleks güç (S) hesaplanırken, gerilim ile akımın kompleks eşleniğinin çarpılmasının sebebi nedir?
|
Kayıp gücün hesaplanması, |
|
Yükün çektiği güç ile kaynaktan çekilen güç arasındaki farkın dikkate alınması, |
|
Gerilim ve akımın frekans farklarının dikkate alınması, |
|
Gerilim ve akım arasındaki faz farkının dikkate alınması, |
|
Gerilim ve akım faz açıları toplamlarının dikkate alınması, |
Kompleks güç (S) hesaplanırken, gerilim ile akımın kompleks eşleniğinin çarpılmasının sebebi; gerilim ve akım arasındaki faz farkını dikkate almaktır.
11.Soru
Güç sistemlerindeki reaktif elemanlara bağlı olarak oluşan reaktif gücün birimi aşağıdakilerden hangisidir?
|
VAR
|
|
Watt
|
|
VA
|
|
Joule/Hz
|
|
Joule/Watt
|
12.Soru
Aşağıda verilen kompleks güç ifadelerinden hangisi doğrudur?
|
Bobin; sıfır aktif güç ve pozitif reaktif güç çeker. |
|
Kondansatör sıfır aktif, sıfır reaktif güç çeker. |
|
Direnç; pozitif gerçek güç ve negatif reaktif güç çeker. |
|
Bobin; pozitif aktif güç ve negatif reaktif güç çeker. |
|
Kondansatör pozitif aktif, pozitif reaktif güç çeker. |
13.Soru
şeklinde gösterilen fazör aşağıdakilerden hangisini ifade etmektedir?
|
a fazına ait sıfır-sıralı bileşeni |
|
a fazına ait pozitif-sıralı bileşeni |
|
c fazına ait sıfır-sıralı bileşeni |
|
a fazına ait negatif-sıralı bileşeni |
|
b fazına ait negatif-sıralı bileşeni |
a fazına ait gerilimin sıfır, pozitif ve negatif sıralı bileşenleri yazılış sırasına göre Va0, Va1 ve Va2 şeklinde ifade edilirler. Gösterimi daha sade ve anlaşılır hale getirmek için alt indis olan a kaldırılıp bu sıralı bileşenler V0 , V1 ve V2 şeklinde gösterilir.
14.Soru
Güç üçgeni ele alındığında; aktif güce ve
reaktif güce sahip bir yükün kompleks gücü aşağıdakilerden hangisidir?
|
|
|
|
|
|
|
|
|
|
Güç üçgeni ele alındığında; verilenlere göre kompleks güç aşağıdaki gibi hesaplanmaktadır:
Doğru cevap C'dir.
15.Soru
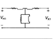
Aşağıdakilerden hangisi üç-fazlı senkron motorların ve üç-fazlı endüksiyon (asenkron) motorların sıralı devrelerine örnektir??
Aşağıdakilerden hangisi üç-fazlı senkron motorların ve üç-fazlı endüksiyon (asenkron) motorların sıralı devrelerine örnektir??
|
|
|
|
|
|
|
|
|
|
Soruda verilen örnek devresidir.
Doğru yanıt "C" seçeneğidir.
16.Soru
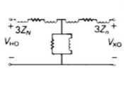
Yukarıda verilen devre örneği için aşağıdakilerden hangisi söylenebilir?
|
Birim pozitif sıralı devre |
|
Birim sıralı devre |
|
Transpoze devre |
|
Birim sıralı kompleks devre |
|
Birim negatif sıralı devre |
Verilen örnekteki devre birim pozitif sıralı devre örneğidir.
Doğru yanıt "A" seçeneğidir.
17.Soru
İdeal, çift sargılı, tek-fazlı bir transformatöre ait sekonder anma gerilimi 400 V ve primer anma gerilimi 200 V ise, bu transformatörle ilgili aşağıdaki ifadelerden hangisi doğrudur?
|
Alçaltıcı tip, sarım oranı 0,5 dir.
|
|
Alçaltıcı tip, sarım oranı 2 dir.
|
|
Yükseltici tip, sarım oranı 0,5 dir
|
|
Yükseltici tip, sarım oranı 0,25 dir
|
|
Yükseltici tip, sarım oranı 2 dir.
|