Teknolojinin Bilimsel İlkeleri 2 Ara 1. Deneme Sınavı
Toplam 20 Soru1.Soru
Şekildeki sistemde A-B noktaları arasında eşdeğer sığa kaç µF olur?
|
10 |
|
12 |
|
20 |
|
34 |
|
44 |
CAB = (4 + 6 + (3.6/3+6)) µF = 12 µF’dır. Çünkü 3 µF ve 6 µF’lık kondansatörler orta bölümde seri bağlıdır. Bu iki kondansatörün eşdeğer sığası da 4 µF ve 6 µF’lık kondansatörlere paralel bağlıdır.
2.Soru
Aşağıdakilerden hangisi skaler bir büyüklüktür?
|
Manyetik alan |
|
Manyetik moment |
|
Manyetik kuvvet |
|
Hız |
|
Yük |
Manyetik alan, manyetik moment, manyetik kuvvet ve hız yönlü yani vektörel büyüklüklerdir. Ancak yük skaler bir büyüklüktür.
3.Soru
Çıkış voltajı VS’nin giriş voltajı VP’den büyük olduğu transformatörlere ……………… transformatör, VS’nin VP’den küçük olacak şekilde elde edildiği transformatörlere ise ……………….. transformatörler denilmektedir.
Yukarıdaki bırakılan boşluğa gelecek uygun ifadeler sırasıyla aşağıdakilerden hangileridir?
|
Düşürücü-yükseltici |
|
Alçaltıcı-indirici |
|
İyi-kötü |
|
Yükseltici-düşürücü |
|
İndirici-artırıcı |
Boşluklara sırasıyla yükseltici-düşürücü gelmelidir.
4.Soru
Kısa kenarı 2 m uzun kenarı 3 m olan dikdörtgen şeklinde ve toplam direnci R=4Ω olan bir iletken tel çerçeve düzgün bir manyetik alan içerisine, yüzeyi manyetik alan çizgilerine dik olacak biçimde yerleştirilmiştir. Manyetik alanın değerinin 3 s içerisinde 2 T’ den 5T’ ye çıkması halinde halkada oluşacak indüksiyon emk büyüklüğü kaç volttur?
|
-18 |
|
18 |
|
0 |
|
-6 |
|
6 |
Emk değeri -6 V olmasına rağmen büyüklüğü 6 V’tur.
5.Soru
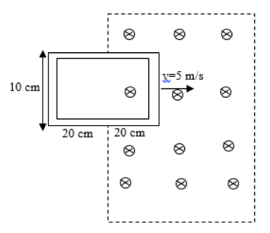
Boyutları 10 cm ve 40 cm olan şekildeki 2Ω dirençli tel çerçeve 2 T şiddetindeki manyetik alan içine 5 m/s hızla girmektedir. Telde oluşan indüksiyon akımı kaç A’dır?
|
1/4 |
|
1/2 |
|
1 |
|
2 |
|
4 |
I= ε/R’dir. Tel çerçevenin tamamı verilen manyetik alan çizgilerinin içine girene kadar indüksiyon emk’sı oluşacaktır. Telin harekete paralel kenarlarında yani 40 cm’lik boyutlar için manyetik akı değişimi yoktur. Bu nedenle telin 10 cm’lik boyutunda oluşacak emk hesaplanmalıdır. ε=Bvl=(2)(5)(10.10-2)=1 V I= ε/R=1/2 A olarak bulunur.
6.Soru
3T değerinde bir manyetik alanda 104m/s hızla manyetik alana paralel olarak giren protona etkiyen manyetik kuvvetin değeri nedir? (Protonun yükü, q=1,6.10-19 C)
|
4,8.10-15 N |
|
-4,8.10-15 N |
|
3.104 N |
|
0 |
|
-3.104 N |
Yüklü parçacık manyetik alan çizgilerine paralel hareket ediyor ise yani hız vektörüyle manyetik alan çizgileri arasında kalan acı 0° veya 180° ise, sinα değeri bu acılar için sıfır olacağından yüklü parçacığa manyetik kuvvet etki etmez.
7.Soru
Aşağıdakilerden hangisi tek kullanımlık pillerden birisidir?
|
Li-Ion Pil (Li-Ion) |
|
Alkalin pil |
|
Nikel-Kadmiyum pil |
|
Nikel-Metal Hidrit pil |
|
Akümülatör |
Alkalin piller tekrar şaz edilemez olup, tek kullanımlık pillerdendir.
8.Soru
Manyetik akının birimi aşağıdakilerden hangisidir?
|
Tesla |
|
Weber |
|
Gauss |
|
Amper |
|
Volt |
Manyetik akının birimi Weber (Wb) ile ifade edilir.
9.Soru
En temel işlevlerinden bir tanesi elektrik enerjisini üretildikleri yerlerden uzak noktalara kaybın en az düzeyde olacak şekilde taşınması olan araç aşağıdakilerden hangisidir?
|
Transistör |
|
Jeneratör |
|
Transformatör |
|
Doğru akım motoru |
|
Alternatif akım motoru |
En temel işlevlerinden bir tanesi elektrik enerjisini üretildikleri yerlerden uzak noktalara kaybın en az düzeyde olacak şekilde taşınması olan araç transformatördür.
10.Soru
Yükü 3.10-20 C ve kütlesi 15.10-27 kg değerinde olan bir parçacık bir B manyetik alan bölgesine giriyor ve yarıçapı 10 mm olan dairesel bir yörünge izliyor. Parçacığın hızı 104 m/s ve manyetik alanla arasındaki açı 90ͦ olduğuna göre manyetik alanın değeri kaç T'dir?
|
0,5 |
|
1 |
|
2 |
|
5 |
|
10 |
B= mV / qr olduğundan; B=(15.10-27)(104)/(3.10-20)(10.10-3)=0,5 T’dir.
11.Soru
Düzlemde sabit tutulan iletken bir halkanın tam tepe noktasından bir mıknatıs serbest bırakılıyor. Mıknatıs çembere yaklaşırken oluşacak durumlar için aşağıdakilerden hangisi söylenebilir?
|
Manyetik alan çizgi sayısı azalır. |
|
İndüksiyon manyetik alanı aşağı yönlüdür. |
|
Sağ el başparmağı aşağı olacak şekilde kural uygulanır. |
|
Sağ el kuralına göre parmaklar indüksiyon akımın yönünü gösterir. |
|
Manyetik akı azalacaktır. |
Mıknatıs çembere yaklaştıkça çemberin sınırlandırdığı dairesel bölgeden gecen manyetik alan çizgi sayısı artacaktır. Kısacası manyetik akı artacaktır. Lenz Yasası manyetik akı artışı söz konusu olduğunda indüksiyon akımının oluşturacağı manyetik alanın yönünün ilk manyetik alana ters yönde olması gerektiğini söyler. Şu halde indüksiyon manyetik alanı yukarı yönde olmalıdır. Sağ el başparmağımız yukarıyı gösterecek şekilde halka sağ el avuç içine alınırsa dört parmak indüksiyon akımının yönünü verir.
12.Soru
Bir transformatörün primer gerilimi 40 V olup primer ve sekonder akımları arasındaki oran 0,25’dür. Buna göre transformatörün sekonder gerilimi kaç volt’tur?
|
5 V |
|
10 V |
|
15 V |
|
20 V |
|
25 V |
IP/IS= VS /VP
0,25= VS/40
VS= 10 V
13.Soru
3µC’luk bir yükten 9 mm uzaklıktaki elektriksel potansiyeli kaç volttur?
|
4.106 |
|
8.103 |
|
3.106 |
|
3.103 |
|
8.106 |
q yüküne sahip bir parçacıktan r kadarlık uzaklıkta oluşan elektrik potansiyel; V=k(q/r) bağıntısıyla verilmektedir. Burada k = 9.109 Nm2/C2 alınacak bir sabittir. Böylece elektriksel potansiyelin büyüklüğü;
V = 9.109 Nm2/C2 (3.10-6 C / 9.10-3 m) gerekli kısaltmalar yapıldıktan sonra, V=3.106 volt bulunur.
14.Soru
Kapalı bir devrede bulunan 5 W’luk bir direnç üzerinden 4 A’lik akım geçirilmek isteniyorsa, uygulanması gereken potansiyel kaç volttur?
|
5 |
|
10 |
|
20 |
|
25 |
|
32 |
Ohm yasası düzenlendiğinde; V=I.R denklemi yardımıyla,
V = (4 A) (5 W )= 20 volt bulunur.
15.Soru
Aşağıda verilen şekilde G ile gösterilen galvanometreye bağlı B halkasına mıknatıs yaklaştırılıp uzaklaştırıldığında halka üzerinde bir akım oluşmuş ve galvanometre bu akımı okuyarak ibresi sapmıştır. Galvanometrenin okuduğu bu akıma ne denir?
|
İndüksiyon akımı |
|
Solenoid akım |
|
Primer akım |
|
Sekonder akım |
|
AC akım |
Bu şekilde oluşan akıma indüklenmiş akım ya da indüksiyon akımı denir. Çünkü bu akım sisteme pil veya akü gibi doğrudan bağlı bir güç kaynağı tarafından üretilmemiştir.
16.Soru
Aralarında 30 cm mesafe olan, birbirine paralel, doğrusal ve çok uzun 3 A’lik akım taşıyan iki iletken tel için birim uzunluk başına etkiyen manyetik kuvvetin büyüklüğü nedir? ( μo=4π 10-7 T.m/A)
|
3.10-6 N/m |
|
4.10-6 N/m |
|
6.10-6 N/m |
|
8.10-6 N/m |
|
9.10-6 N/m |
F/L=( μoI1 I2)/(2πr)
F/L=((4π 10-7 T.m/A)(3A)(3A))/((2π)(0.3m))
F/L=6.10-6 N/m
17.Soru
Yarıçapı r=3 m olan bir çember telden geçen akım ilmeğinin manyetik dipol momentinin 540 A.m2 olması için çemberin tel kaç A akım taşımalıdır?
|
5 A |
|
10 A |
|
15 A |
|
20 A |
|
25 A |
I=μ/S=μ/(πr2)=(540 A.m2)/((3).(32 m2))
I=20 A
18.Soru
Bir cismin elektrik yükü ile yüklü olup olmadığını anlamaya yarayan basit düzenek aşağıdakilerden hangisidir?
|
Elektroskop |
|
Ossiloskop |
|
Ohmmetre |
|
Kapasitansmetre |
|
Multimetre |
Elektroskop bir cismin elektrik yükü ile yüklü olup olmadığını anlamaya yarayan basit düzenektir.
19.Soru
İletken bir çerçevedeki indüksiyon akımının dolayısıyla indüksiyon emk’ sının yönünü belirlememizi sağlayan kuram aşağıdakilerden hangisidir?
|
Faraday yasası |
|
Lenz yasası |
|
Snell Yasası |
|
Hooke yasası |
|
Ohm Yasası |
Faraday Yasası bize iletken bir çerçeve üzerinde manyetik akı değişimine bağlı olarak bir indüksiyon elektromotor kuvveti ve indüksiyon akımı oluşacağını söyler. Alman fizikçi Heinrich Lenz (1804-1865) tarafından ortaya konan ve Lenz Yasası olarak bilinen yasa ise, çerçevedeki bu indüksiyon akımının dolayısıyla indüksiyon emk’ sının yönünü belirlememizi sağlar.
20.Soru
Bir iletkenin direnci aşağıda verilen değişkenlerden hangisine bağlı değildir?
|
İletkenin uzunluğu |
|
İletkenin yapıldığı maddenin cinsi |
|
İletkenin kesit alanı |
|
Sıcaklık |
|
Uygulanan voltaj |
Bir iletkenin direnci, bu iletkenin yapıldığı maddenin cinsine, kesit alanına ve uzunluğuna bağlıdır. İletkenlerin direnci sıcaklıkla değişmektedir.
-
- 1.SORU ÇÖZÜLMEDİ
- 2.SORU ÇÖZÜLMEDİ
- 3.SORU ÇÖZÜLMEDİ
- 4.SORU ÇÖZÜLMEDİ
- 5.SORU ÇÖZÜLMEDİ
- 6.SORU ÇÖZÜLMEDİ
- 7.SORU ÇÖZÜLMEDİ
- 8.SORU ÇÖZÜLMEDİ
- 9.SORU ÇÖZÜLMEDİ
- 10.SORU ÇÖZÜLMEDİ
- 11.SORU ÇÖZÜLMEDİ
- 12.SORU ÇÖZÜLMEDİ
- 13.SORU ÇÖZÜLMEDİ
- 14.SORU ÇÖZÜLMEDİ
- 15.SORU ÇÖZÜLMEDİ
- 16.SORU ÇÖZÜLMEDİ
- 17.SORU ÇÖZÜLMEDİ
- 18.SORU ÇÖZÜLMEDİ
- 19.SORU ÇÖZÜLMEDİ
- 20.SORU ÇÖZÜLMEDİ