aof.sorular.net
Devre Analizi
Devre Analizi Deneme Sınavı
Devre Analizi Deneme Sınavı Sorusu #1266583
Devre Analizi Deneme Sınavı Sorusu #1266583
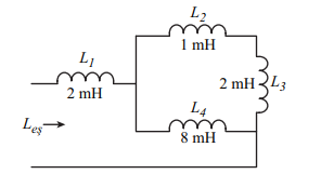
Şekildeki devrenin eşdeğer endüktansı ( Leş ) nedir?
|
4,18.10-3 H |
|
2,18.10-3 H |
|
2.10-3 H |
|
3.10-3 H |
|
8.10-3 H |
Yanıt Açıklaması:
Yorumlar
- 0 Yorum