Elektromekanik Kumanda Sistemleri Final 6. Deneme Sınavı
Toplam 20 Soru1.Soru
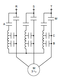
Yukarıda devre şeması verilen üç fazlı asenkron motora çift kademeli dirençle yol verme kumanda devresine ait güç devresi aşağıdakilerden hangisidir?
|
|
|
|
|
|
|
|
|
|
Bu devrede Başlatma butonuna basıldığında, M kontaktörü ve ZR1 zaman rölesi enerjilenir. Kumanda devresindeki M kontağı kapanarak mühürlemeyi sağlar. Benzer şekilde, güç devresindeki M kontaklarının kapanmasıyla motor iki kademe direnç üzerinden şebekeye bağlanır. Dirençler üzerindeki gerilim düşümü nedeniyle motor düşük gerilimle yol alır. ZR1 zaman rölesinin ayarlanan süresi sonunda, normalde açık gecikme ile kapanan ZR1-GK kontağı kapanarak A kontaktörünü çalıştırır. A kontaktörünün çalışmasıyla, kumanda devresindeki A kontağı kapanır ve ZR2 zaman rölesini çalıştırır. Benzer şekilde, güç devresindeki A kontakları kapanarak yol verme dirençlerinin birinci kademesini devreden çıkartır. Böylece motora uygulanan gerilim artar ve motor yol almaya devam eder. ZR2 zaman rölesinin ayarlanan süresi sonunda, normalde açık gecikme ile kapanan ZR2 -GK kontağı kapanarak B kontaktörünü çalıştırır. B kontaktörünün çalışmasıyla, kumanda devresindeki normalde kapalı B kontağı açılarak ZR1 zaman rölesini, A kontaktörünü ve ZR2 zaman rölesini devre dışı bırakırken normalde açık B kontağı kapanarak mühürleme yapar. Benzer şekilde, güç devresindeki B kontakları kapanarak tüm yol verme dirençlerini kısa devre yapar. Böylece, motor normal şebeke gerilimiyle çalışmaya başlar. Doğru cevap B’dir.
2.Soru
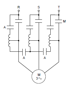
Aşağıdakilerden hangisi yukarıda verilen devreyi tanımlar?
|
Tek kademeli oto transformatörüyle yol verme güç devresidir.
|
|
Çift kademeli dirençle yol verme güç devresidir.
|
|
Çift kademeli reaktansla yol verme kumanda devresidir.
|
|
Yıldız-üçgen yol verme güç devresidir.
|
|
Çift kademeli oto transformatörüyle yol verme güç devresidir.
|
3.Soru
Kontaktör ile ilgili bilgilerden hangisi yanlıştır?
|
Kontaktör devreyi çok sık açıp kapamaya elverişlidir.
|
|
Kontaktör termik röle ile birlikte kullanıldığında devreyi aşırı yüke karşı korur.
|
|
Kontaktördeki güç kontakları, kumanda devresinin akımını taşırlar.
|
|
Kontaktör bobinleri de doğru veya alternatif akımla çalışabilirler.
|
|
Nominal Frekans kontaktörün bağlanacağı şebekenin frekansıdır
|
4.Soru
Aşağıdakilerden hangisi doğrudur?
|
Ani frenleme mekaniksel bir frenleme yöntemidir.
|
|
Motorun miline, sahip olduğu döndürme momentine ters yönde döndürme momenti uygulanması yoluyla yapılan frenlemeye balatalı frenleme denir.
|
|
Dinamik frenlemede motorun enerjisi kesildiği anda stator sargıları doğru akımla beslenmeye başlar.
|
|
Dinamik frenleme mekaniksel bir frenleme yöntemidir.
|
|
Balatalı frenleme ters akımla frenleme olarak da adlandırılır.
|
5.Soru
Numaralandırılmış ifadelerden hangisi veya hangileri doğrudur? I. Uzaktan kumanda edilebilen devrelerde, motorlar birden fazla yerden kumanda edilebilir. II. Uzaktan kumanda kuralına göre bu devrelerde durdurma butonları birbirine paralel bağlanmalıdır. III. Uzaktan kumanda kuralına göre bu devrelerde başlatma butonları birbirine paralel bağlanmalıdır.
|
I
|
|
I ve III
|
|
I ve II
|
|
III
|
|
I, II ve III
|
6.Soru
Aşağıdakilerden hangisi yanlıştır?
|
Doğru akım motorlarının dönüş yönünü değiştirmek için, endüvi veya uyartım sargısının uçları değiştirilir.
|
|
Bir fazlı asenkron motorların dönüş yönünün değiştirilmesi, ana ve yardımcı sargının uçlarını değiştirmekle sağlanır.
|
|
Üç fazlı asenkron motorların dönüş yönünü değiştirmek için, fazlardan herhangi iki fazın yerini değiştirmek yeterlidir.
|
|
Üç fazlı asenkron motorların dönüş yönünün değiştirilmesinde bir kısa devreyi önlemek için, kilitleme yöntemleri kullanılır.
|
|
Asenkron motorlarda dönüş yönü değiştirilirken, motor bir yönde çalışırken kumanda devresinin diğer yönde çalışmayı engellemesi beklenmez.
|
7.Soru
Aşağıdakilerden hangi(leri)si asenkron motorlar için bir dönüş yönü değiştirme yöntemidir?I.Mekanik kilitlemeII.Elektriksel kilitlemeIII.Dinamik kilitleme
|
I
|
|
II
|
|
III
|
|
I ve II
|
|
I-II-III
|
8.Soru
Normalde kapalı kontaklı buton hangisidir?
|
Stop butonu
|
|
Seçici buton
|
|
Start butonu
|
|
Ani temaslı buton
|
|
Jog buton
|
9.Soru
Rotoru sargılı asenkron motorun maksimum döndürme momentiyle yol almasını sağlamak için, aşağıdakilerden hangisi rotor sargılarına bir veya daha çok kademeli bağlanır?
|
Yol verme direnci
|
|
Yol verme bobini
|
|
Yol verme kondansatörü
|
|
Yol verme direnci ve bobinin her ikisi
|
|
Yol verme direnci ve kondansatörün her ikisi
|
10.Soru
Kumanda devrelerinde ileri dönüş yönü kontaktörünün bobin akımının geri yön butonunun normalde kapalı kontağından, geri dönüş yönü kontaktörünün bobin akımının da ileri yön butonunun normalde kapalı kontağından devresini tamamladığı bağlantıya ne ad verilir?
|
Mekanik kilitleme
|
|
Buton kilitleme
|
|
Elektriksel kilitleme
|
|
Sürekli ve kesik çalıştırmalı dönüş yönü değiştirme
|
|
Kalıcı paket şalter ile dönüş yönü değiştirme
|
11.Soru
Zaman röleleri çalışma şekillerine göre ikiye ayrılır. Bunlar; Hangisi doğrudur?
|
Dakika zaman rölesi Saat zaman rölesi
|
|
Çekmede Gecikmeli Tip (Düz) Zaman Rölesi Düşmede Gecikmeli Tip (Ters) Zaman Rölesi
|
|
Yanlış 4'e ayrılır
|
|
Gece zaman rölesi Gündüz zaman rölesi
|
|
Optik zaman rölesi Dijital zaman rölesi
|
12.Soru
Etiket değerleri 1.5 HP, Y/?: 380/220 V, 4.3A/7.5 A olan 3 fazlı asenkron motorun bir faz sargısı omik direnci 3.1 ? olarak ölçülmüştür. Motor üçgen bağlandığında motor sargılarına uygulanacak dinamik frenleme gerilim değeri kaçtır?
|
8.0 V
|
|
1.7 V
|
|
13.3 V
|
|
4.0 V
|
|
2.0 V
|
13.Soru
Kumanda sistemlerindeki röleli kontrol diyagramına benzer grafiksel gösterime sahip bir programlama dili aşağıdakilerden hangisidir?
|
Merdiven (Ladder) dili |
|
Deyimsel (Boolean) dili |
|
Lojik kapılarla programlama |
|
LAD |
|
CPU |
LAD, kumanda sistemlerindeki röleli kontrol diyagramına benzer grafiksel gösterime sahip bir programlama dilidir. STL ise deyimsel komutlar kullanılarak boolean dilinde yazılır. Ancak, yaygın olarak kullanılan STL’nin en büyük dezavantajı her firmanın ürettiği PLC’ye ait komut listesinin farklı olmasıdır.
14.Soru
Biri normalde kapalı, diğeri normalde açık iki adet kontağı olan buton aşağıdakilerden hangisidir? I. Başlatma ButonuII. Durdurma ButonuIII. Çift Yollu ButonIV. Jog Buton
|
Yalnız I
|
|
Yalnız II
|
|
I ve II
|
|
III ve IV
|
|
Yalnız IV
|
15.Soru
I. Zaman kaybı II. Sistem verimliliğinin azalması III. İş kazaları Yukarıdaki hangi nedenlerden dolayı fren düzeneklerinin işletmelerde kullanılması gerekli hale gelmiştir?
|
Yalnız II
|
|
I ve III
|
|
I ve II
|
|
II ve III
|
|
I, II ve III
|
16.Soru
Kumanda devrelerinde iki kontaktörün hareketli paletlerinin bir eksen etrafında dönebilen bir çubukla birbirine bağlanmasıyla elde edilen bağlantıya ne ad verilir?
|
Mekanik kilitleme
|
|
Buton kilitleme
|
|
Elektriksel kilitleme
|
|
Sürekli ve kesik çalıştırmalı dönüş yönü değiştirme
|
|
Kalıcı paket şalter ile dönüş yönü değiştirme
|
17.Soru
Kullanılabilmesi için düzeneğinin motora imalat aşamasında eklenmiş olması gereken frenleme yöntemi aşağıdakilerden hangisidir?
|
Mekanik frenleme
|
|
Ani frenleme
|
|
Elektriksel frenleme
|
|
Balatalı frenleme
|
|
Ters akımla frenleme
|
18.Soru
Aşağıdakilerden hangisi yanlıştır?
|
Doğru akım motorlarının dönüş yönünü değiştirmek için, endüvi veya uyartım sargısının uçları değiştirilir.
|
|
Bir fazlı asenkron motorların dönüş yönünün değiştirilmesi, ana ve yardımcı sargının uçlarını değiştirmekle sağlanır.
|
|
Üç fazlı asenkron motorların dönüş yönünü değiştirmek için, fazlardan herhangi iki fazın yerini değiştirmek yeterlidir.
|
|
Üç fazlı asenkron motorların dönüş yönünün değiştirilmesinde bir kısa devreyi önlemek için, kilitleme yöntemleri kullanılır.
|
|
Asenkron motorlarda dönüş yönü değiştirilirken, motor bir yönde çalışırken kumanda devresinin diğer yönde çalışmayı engellemesi beklenmez.
|
19.Soru
Sıcaklıkla direnci değişen yarı iletken eleman aşağıdakilerden hangisidir?
|
Termistör
|
|
Kontaktör
|
|
Termik röle
|
|
Termostat
|
|
Isıtıcı direnç
|
20.Soru
Aşağıdaki yol verme yöntemlerinden hangisi diğer yol verme yöntemlerine göre daha pahalı ama daha randımanlıdır?
|
Dirençle veya reaktansla |
|
Oto transformatörüyle |
|
Yıldız-üçgen |
|
Paket Şalterle Yıldız-Üçgen |
|
Otomatik Yıldız-Üçgen |
Oto transformatörüyle yol verme, diğer yol verme yöntemlerine göre daha pahalı ama daha randımanlıdır, dolayısıyla doğru cevap B’dir
-
- 1.SORU ÇÖZÜLMEDİ
- 2.SORU ÇÖZÜLMEDİ
- 3.SORU ÇÖZÜLMEDİ
- 4.SORU ÇÖZÜLMEDİ
- 5.SORU ÇÖZÜLMEDİ
- 6.SORU ÇÖZÜLMEDİ
- 7.SORU ÇÖZÜLMEDİ
- 8.SORU ÇÖZÜLMEDİ
- 9.SORU ÇÖZÜLMEDİ
- 10.SORU ÇÖZÜLMEDİ
- 11.SORU ÇÖZÜLMEDİ
- 12.SORU ÇÖZÜLMEDİ
- 13.SORU ÇÖZÜLMEDİ
- 14.SORU ÇÖZÜLMEDİ
- 15.SORU ÇÖZÜLMEDİ
- 16.SORU ÇÖZÜLMEDİ
- 17.SORU ÇÖZÜLMEDİ
- 18.SORU ÇÖZÜLMEDİ
- 19.SORU ÇÖZÜLMEDİ
- 20.SORU ÇÖZÜLMEDİ