Devre Analizi Final 8. Deneme Sınavı
Toplam 20 Soru1.Soru
Devrede oluşan doğal tepki ve zorlanmış tepkinin toplamı --------- olarak adlandırılır. İfadesindeki boşluğa aşağıdakilerden hangisi gelmelidir?
|
Doğal tepki |
|
Zorlanmış tepki |
|
Tüm tepki |
|
Basamak tepki |
|
Birim basamak tepki |
Devrede oluşan doğal tepki ve zorlanmış tepkinin toplamı tüm tepki olarak adlandırılır.
2.Soru
Gerilim veya akım kaynağı tarafından beslenen bir elektrik devresi olan direnç-bobin devresi aşağıdakilerden hangisiyle gösterilir?
|
V |
|
DA |
|
RC |
|
C |
|
RL |
Direnç-bobin devresi (RL devresi) direnç ve bobinden oluşan, gerilim veya akım kaynağı tarafından beslenen bir elektrik devresidir.
3.Soru
Şekildeki devredeki anahtar t=0 anında açılmaktadır. Anahtar açıldıktan 1 saniye sonra devredeki akım kaç amper olur?
|
0,315 A |
|
0,736 A |
|
1,472 A |
|
0,367 A |
|
1,367 A |
Zaman sabiti;
? = L/R formülü ile ifade edilir. Bu durumda değerler yerine konduğunda;
? = 5/5 = 1 olarak bulunur.
Anahtar yeterli süre kapalı kaldığında bobin kısa devre olarak davranır ve tüm akım üzerinden geçer.
Bobinin başlangıç akımı 2A olarak bulunur.
Bu durumda bobin akımının zamana bağlı formülü;
iL(t) = 2.e-t A olarak ifade edilir. t yerine 1 saniye konulduğunda ise anahtar açıldıktan 1 saniye sonra devreden geçen akım bulunur.
iL(1) = 2.e-1 = 0,736 A olarak bulunur.
4.Soru
Üzerindeki gerilim V = 6 ?30° Volt olan bir devre elemanının üzerinden geçen akım I = 8 ?60° Amper ; tükettiği güç kaç VA'dır ?
|
12 (3)1/2 + j 12 |
|
12 – j 12 (3)1/2 |
|
12 + j 12 (3)1/2 |
|
12 (3)1/2 – j 12 |
|
12 – j 12 (3)1/2 |
a = 30 – 60 = 30° ; = (1/2) (VT IT) (cos a + j sin a) = 0.5 . 6 . 8 . (((3)1/2) / 2 + j 0.5) = 12 (3)1/2 – j 12 . sf. 209. Doğru cevap D'dir.
5.Soru
Bir seri RLC devresinde direnç 4 ? , kondansatör 20 mF, bobin 8 µH ise rezonans frekansı kaç rad/sn’dir?
|
2,5 Krad / sn |
|
3,5 Krad / sn |
|
1,5 Krad / sn |
|
4,5 Krad / sn |
|
0,5 Krad / sn |
6.Soru
Şekildeki devrede t < 0 süresince kapalı bulunan anahtar t = 0 anında açıldığına göre t = 100 msn anında i¬L akımının aldığı değer aşağıdakilerden hangisidir?
|
1,5 A |
|
2,1 A |
|
2,8 A |
|
3,2 A |
|
4 A |
t < 0 durumu için aktif olan devrede
Olarak elde edilir. t ? 0 durumunda ise, devrenin voltaj kaynağı ile bağlantısı devam ettiğinden devrenin tüm tepkisi bulunur. iL(t) akımının bulunması için IL0 akımının yanında iL (?) akımının da hesaplanması gerekir. Bunun için öncelikle Thevenin eşdeğer direnci hesaplanır.
RTH = R1 + R2 = 15 + 5 = 20 ?
t->?için bobin kısa devre olacağından,
Devrenin zaman sabiti ise, olarak bulunur.
şeklinde bulunur. Buna göre;
olarak bulunmaktadır.
7.Soru
Şekildeki devrede t<0 süresince kapalı olan anahtar, t=0 anında açıldıgına göre t≥0 için iL(t) ifadesi aşağıdakilerden hangisidir?
|
0,3e-250t A |
|
0,3e-500t A |
|
0,3e-750t A |
|
0,2e-250t A |
|
0,2e-500t A |
t<0 nında bu devrede yukarıdaki şekildeki durum söz konusu olmaktadır. Bobin kısa devre gibi davranmakta olup 2 Ω'luk ve 3 Ω'luk paralel dirençlerin üzerinden geçen akım dirençleri ile ters orantılı biçimde olacaktır. Buna göre 2 Ω'luk direncin üzerinden geçen akım aynı zamanda bobinin üzerinden geçmektedir ve bu akım A olmaktadır. Bobin üzerinden geçen akımın ani değişim göstermediği bilindiğine göre
olmaktadır. Anahtar açıldıktan sonra devre aşağıdaki şekildeki gibi olmaktadır.
Anahtar t = 0 anında açıldığında devre yukarıdaki gibi olup, seri bağlı 2 Ω'luk ve 3 Ω'luk dirençler ve L = 20 mH'lik bobinden oluşmaktadır. Bu devrenin zaman sabiti msn olmaktadır. Böylelikle iL(t) akımının zamana göre ifadesi
A olmaktadır. Doğru cevap A'dır.
8.Soru
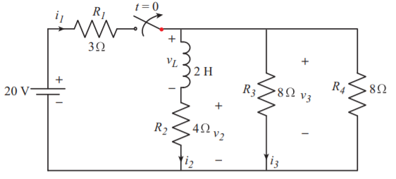
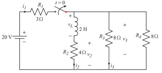
(7., 8. ve 9. sorular aşağıda verilen elektrik devresine göre cevaplanacaktır.)
Şekildeki devrede anahtar t = 0 da 1 konumundan 2 konumuna alınmıştır.
i(t)=?
|
2e-25t A |
|
3e-100t A |
|
6e-5t A |
|
6e-20t A |
|
600e-5t A |
Endüktans üzerinde depolanan alan 6A’lik Sabit akım kaynağı ile aynı yönde akım geçirecektir. Bobin için akımın boşalma denklemi iL(t)= iL(0) e-t/Tşeklindedir. Zaman sabiti T=L/R dir. Böylece anahtarın 1 konumunda 6A değerine dolan bobin için anahtar 2 konumuna getirildiğinde( t > 0) çözüm aşağıdaki şekildedir;
i=I(0)e-Rt/L=6e-20t A
9.Soru
Aşağıdakilerden hangisi bobinin endüktansını etkileyen faktörlerden değildir?
|
manyetik geçirgenliği |
|
sarım sayısı |
|
nüve kesit alanı |
|
nüve sıcaklığı |
|
tel uzunluğu |
Nüve sıcaklığı, bobinin endüktansını etkileyen faktörlerden değildir.
10.Soru
Yukarıda elektronların örnek bir atom yapısı içinde dizilişi verilmiştir. Soru işaretiyle gösterilen tanım aşağıdakilerden hangisidir?
|
Akım |
|
Yörüngeler |
|
Gerilim |
|
Direnç |
|
Proton |
11.Soru
Şekilde bir RC devresinde, deşarj sırasında kondansatör gerilimin değişimi gösterilmiştir. Şekildeki soru işareti ile gösterilen gerilim aşağıdakilerden hangisidir?
|
0,17 Vs |
|
0,23 Vs |
|
0,3 Vs |
|
0,37 Vs |
|
0,63 Vs |
RC devrelerinde şarj/deşarj esnasında kondansatör enerjisinin %63 değişim göstermesi için gereken süre devrenin zaman sabitine eşittir. Buna göre deşarj esnasında başlangıçta kondansatör üzerindeki gerilim Vs'ye eşit olduğundan soru işareti ile gösterilen voltaj 0,37 Vs olmalıdır. Doğru cevap D'dir.
12.Soru
Aşağıdakilerden hangisi kapasite değişimine göre kondansatör çeşidi değildir?
|
Sabit değerlikli kondansatörler |
|
Ayarlanabilir kondansatörler |
|
Trimmer kondansatörler |
|
Varyabl kondansatörler |
|
Mikalı kondansatörler |
Kondansatörler, kapasite değerlerinin değişimine göre sabit değerlikli kondansatör ve
ayarlanabilir kondansatör olmak üzere ikiye ayrılır.
Sabit değerlikli kondansatörler: Kapasite değerinin üretim aşamasında belirlendiği ve
bu değerde değişiklik yapmanın mümkün olmadığı kondansatörler sabit değerlikli kondansatörler olarak adlandırılır.
Ayarlanabilir kondansatörler: Önceden belirlenmiş sınırlar içerisinde, kapasitesi çeşitli
yöntemlerle değiştirilebilen kondansatörlere ayarlanabilir kondansatörler denir. En yaygın çeşitleri varyabl kondansatör ve trimmer kondansatör’dür.
• Varyabl kondansatörler: Kapasite değerinin elle ayarlandığı, dielektrik madde olarak hava ve ender olarak mika ya da fiber kullanılan bir kondansatör türüdür. Bu
kondansatörler radyoların ve telsizlerin frekans ayarlarında kullanılmaktadır.
• Trimmer kondansatörler: Sığanın tornavida gibi yardımcı bir aletle ayarlanabildiği
boyutları ve kapasite değeri küçük kondansatör türüdür.
13.Soru
Referans olan alternatif akıma negatif faz eklenerek ifade edilen akım, referans olan akımdan belirtilen açı kadar sonra olduğunu gösterir. Bu duruma nedir?
|
Etkin Değer |
|
Geri Faz |
|
Periyot |
|
İleri Faz |
|
Genlik |
Referans olan alternatif akıma negatif faz eklenerek ifade edilen akım, referans olan akımdan belirtilen açı kadar sonra geliyor demektir. İşte bu negatif faz yani geri faz olarak tanımlanır.
14.Soru
Şekildeki devrenin t ? 0 için durumu aşağıdakilerden hangisidir?
|
|
|
|
|
|
|
|
|
|
Şekildeki devrenin t ? 0 için durumu;
15.Soru
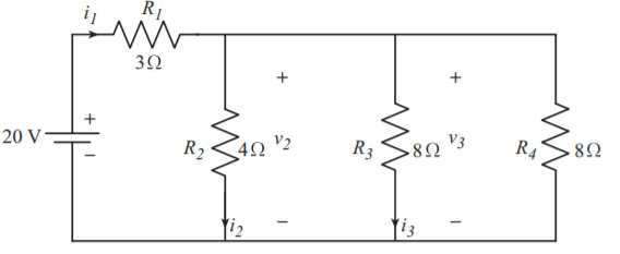
Şekildeki devrede R1 = 2 ?, R2 = 2 ?, R3 = 3 ?, gerilim kaynağının değeri V1 = 14 V ve akım kaynağının değeri k=1 olarak verilmiştir. R3 direnci üzerinden geçen akımın değeri nedir?
|
1 A |
|
2 A |
|
3 A |
|
4 A |
|
5 A |
R3 direnci üzerindeki akım (I2), Kirchhoff’un akım yasası kullanılarak bulunabilir.
I + I1 + I2 = 0
I1 ve I akımları 8. ve 9. sorularda elde edildi. Bu değerler kullanılarak;
I2=-I1-I=5-2=3 A, olarak bulunur.
16.Soru
Aşağıda verilen işlemlerden hangisi ya da hangileri kondansatör kapasitesini artırmaktadır. I- Kondansatörün plakalarının yüzey alanın artırması. II- Kondansatörün plakaları arasındaki mesafenin artırılması. III- Kondansatörün plakaları arasındaki yalıtkan maddenin, dielektrik katsayısı daha yüksek bir madde ile değiştirmesi.
|
Yalnız I |
|
I, II |
|
I, III |
|
II, III |
|
I, II, III |
Burada C, kondansatörün kapasitesini (F); A, plaka yüzey alanını (m2); d,
levhalar arasındaki uzaklığı (m); ε0 boşluğun dielektrik katsayısını (F/m), εr
ise kullanılan yalıtkanın dielektrik katsayısının havanın dielektrik katsayısına oranlanmasıyla bulunan bağıl dielektrik katsayısını ifade etmektedir.
Buna göre, Kondansatörün plakalarının yüzey alanı artarsa kondansatörün kapasitesi artar. Kondansatörün kapasitesi plakaları arasındaki mesafeyle ters orantılıdır. Dolayısıyla kondansatörün plakaları arasındaki mesafe artarsa kondansatörün kapasitesi azalır. Kondansatörün kapasitesi, levhalar arasındaki dielektrik madde ile doğrudan ilgilidir. Bir maddenin dielektrik katsayısı ne kadar büyük ise o madde o kadar iyi yalıtkan demektir. Dolayısıyla kondansatörlerin kapasitesi de kullanılan yalıtkan maddenin dielektrik katsayısı ile doğru orantılıdır. I ve III ifadeleri doğru, II ifadesi yanlıştır. Sorunun doğru cevabı C seçeneğidir.
17.Soru
R=5Ω, C=40µF olan direnç ve kondansatör birbirine seri bağlanmış olup VS=5V değerinde bir doğru akım kaynağı ile beslenmektedir. Buna göre kondansatör, kaynağa ilk bağlandıktan sonra ne kadar zamanda tam olarak dolar?
|
10µsn |
|
1msn |
|
10msn |
|
1sn |
|
1µsn |
Kondansatörün şarj olma süresi 5RC’dir. Buna göre dolum süresi 1msn bulunur (5x5x40x10-6=10-3).
18.Soru
100mH kaç nH'dir?
|
10-4 nH |
|
10-8 nH |
|
104 nH |
|
108 nH |
|
109 nH |
100mH=0,1H olur. 1H=109 nH olduğundan 0,1H=108 nH olur.
19.Soru
Şekilde verilen AA sinyal formları aşağıdaki seçeneklerden hangisinde doğru olarak verilmiştir?
|
Üçgen dalga – Sinüs dalga |
|
Kare dalga – Sinüs dalga |
|
Karmaşık yapılı dalga – üçgen dalga |
|
Kare dalga – karmaşık yapılı dalga |
|
Üçgen dalga – karmaşık yapılı dalga |
İlk verilen şekilde AA sinyal üçgen dalga formundadır. Sağdaki şekilde ise sinyal sinüs dalga formundadır.
20.Soru
Aşağıdakilerden hangisi kirchhoff gerilim yasasının bir uygulamasıdır?
|
Düğüm noktası yöntemi |
|
Kaynak dönüşümü yöntemi |
|
Süperpozisyon yöntemi |
|
Çevre akımı yöntemi |
|
Gerilim kaynağı yöntemi |
Çevre akımı yöntemi Kirchhoff gerilim yasasının bir uygulamasıdır. Seçilen çevre akımları kullanılarak gerilim denklemleri oluşturulur.
-
- 1.SORU ÇÖZÜLMEDİ
- 2.SORU ÇÖZÜLMEDİ
- 3.SORU ÇÖZÜLMEDİ
- 4.SORU ÇÖZÜLMEDİ
- 5.SORU ÇÖZÜLMEDİ
- 6.SORU ÇÖZÜLMEDİ
- 7.SORU ÇÖZÜLMEDİ
- 8.SORU ÇÖZÜLMEDİ
- 9.SORU ÇÖZÜLMEDİ
- 10.SORU ÇÖZÜLMEDİ
- 11.SORU ÇÖZÜLMEDİ
- 12.SORU ÇÖZÜLMEDİ
- 13.SORU ÇÖZÜLMEDİ
- 14.SORU ÇÖZÜLMEDİ
- 15.SORU ÇÖZÜLMEDİ
- 16.SORU ÇÖZÜLMEDİ
- 17.SORU ÇÖZÜLMEDİ
- 18.SORU ÇÖZÜLMEDİ
- 19.SORU ÇÖZÜLMEDİ
- 20.SORU ÇÖZÜLMEDİ