Devre Analizi Ara 2. Deneme Sınavı
Toplam 20 Soru1.Soru
Verilen devrede 17 ?’luk direnç üzerine düşen gerilim 34 Volt ise kaynak gerilimi olan V değeri kaçtır?
|
18 |
|
26 |
|
32 |
|
36 |
|
42 |
Direnç üzerindeki gerilim ve direnç değeri belli olduğu için bu bilgiler kullanılarak devreden geçen akım bulunur.
I = V /R = 34/17 = 2 A
Reş = 2 + 3 + 2 + 5+ 4= 16 ?
Kirchhoff ’un Gerilim Yasasına göre; -V + V6? + V4? + V3? = 0’dır.
Bu durumda, V = V2? + V3? + V2? + V4?+ V5? olur. Veya; V = I . Reş = 2 . 16 = 32 V olur
2.Soru
Şekildeki devrede R1 = 1 ?, R2 = 4 ?, R3 = 2 ?, gerilim kaynağı değeri V =10 V ve akım kaynağının değeri I = 4 A olarak verilmiştir. Gerilim kaynağı üzerinde harcanan güç ne kadardır?
|
4 W |
|
6 W |
|
8 W |
|
10 W |
|
15 W |
Buradan VA = 12 V olarak bulunur. R3 üzerindeki akım;
olarak bulunur.
Gerilim kaynağı üzerinde harcanan güç = 1 A x 10 V = 10 Watt’tır.
3.Soru
Yukarıda verilen devrenin R1 direnci 10 ? ve R2 direnci 6 ? olup, kaynak gerilimi ise 32 Volt’dur. Verilenlere göre aşağıdaki şıklardan hangisinde devrenin eşdeğer direnci, çekilen akım ve R1 direncinden harcanan güç sırasıyla doğru olarak verilmiştir?
|
16,2,20 |
|
16,2,12 |
|
16,4,32 |
|
32,4,20 |
|
32,4,12 |
Reş=R1+R2=10+6=16
V=I.R=32=I.16
I=2 bulunur. R1 direnci üzerinden harcanan güç ise P=10.2=20 bulunur.
4.Soru
İki düğüm arasında kalan ve aynı akımın geçtiği parça aşağıdakilerden hangisidir?
|
Devre |
|
Çevre |
|
Göz |
|
Düğüm |
|
Kol |
Kol: İki düğüm arasında kalan ve aynı akımın geçtiği devre parçasıdır.
5.Soru
Boyu 1m ve kesiti 4mm2, özdirenci 0,012 ohm.mm2/metre olan bakır telin iletkenliği kaçtır?
|
222,2 S |
|
245,3 S |
|
0,3 S |
|
33,3 S |
|
333,3 S |
Direnç değeri R=?.(l/S) formülü kullanılarak R=0.012.(1/4) =0.003 ? olarak bulunur. Direnç değerinin tersi ise bize iletkenliği verir. Bu durumda G=1/R=1/0.003=333,3 S’dir.
6.Soru
Aşağıdakilerden hangisi bir düğüm noktasına gelen akımların toplamının, bu noktadan giden akımların toplamına eşit olduğunu ifade eder?
|
Kirşof akımlar kanunu |
|
Kirşof gerilimler yasası |
|
Ohm kanunu |
|
Kol akımı |
|
Çevre akımı |
Kirşof akımlar kanunu bir dügüm noktasına gelen akımların toplamının, bu noktadan giden akımların toplamına eşit olduğunu ifade eder.
7.Soru
Yukarıdaki devreye göre I24 ? gerilimi kaç A’dir
|
0,1 |
|
0,5 |
|
0,625 |
|
0,650 |
|
1,250 |
8.Soru
Yukarıdaki şekle göre V2 düğüm noktası için akım formülü aşağıdakilerden hangisinde verilmiştir?
|
|
|
|
|
|
|
|
|
|
Doğru formül
9.Soru
Verilen devrede bulunan göz akımları yönlerine göre IA ve Ib olarak verilmiştir. Buna göre Ib kaç Amperdir?
|
-3 |
|
-1 |
|
0 |
|
1 |
|
3 |
Her bir göz için denklemler şu şekildedir:
- göze ait denklem: –16 + 8 . IA + 2 . (IA – IB) = 0
- göze ait denklem: –20 + 4 . IB + 2 . (IB – IA) = 0
Denklemler düzenlenerek tekrar yazılırsa aşağıdaki denklemler elde edilir:
10 . IA – 2 . IB = 16
–2 . IA + 6 . IB = 20
Yukarıda elde edilen iki bilinmeyenli denklemler çözüldüğünde,
IA = 1 A ve IB = 3A olarak elde edilir.
10.Soru
Yukarıdaki devreye göre Norton eşdeğer devresi aşağıdakilerden hangisidir?
|
|
|
|
|
|
|
|
|
|
11.Soru
Dört kaynaklı bir devrede süperpozisyon teoremi kullanılarak bir dirençten geçen akımın bulunması istenmektedir. Devrede her bir kaynak ile yapılan çözümler sonucu elde edilen akım değerleri ve yönleri yandaki şekilde verilmektedir. Buna göre dirençten geçen akımın değerin kaç Amper’dir?
|
2 |
|
4 |
|
6 |
|
8 |
|
10 |
Süperpozisyon teoremi kullanılarak yapılan devre çözümünde, her kaynak için bulunan sonuçlar akım yönleri dikkate alınarak toplanır. Burada I1 ve I3 aynı yönde, I2 I4 ters yön olduğundan,
(I1 + I3) – (I2 + I4) = (8 + 12) – (6+10) = 4 A sonucu elde edilir.
12.Soru
Yukarıdaki devreye göre I12? akım değeri kaçtır?
|
1 A |
|
2 A |
|
3 A |
|
4 A |
|
5 A |
13.Soru
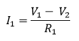
Yukarıdaki şekle göre Akım denklemi nasıl yazılır?
|
I1 = V1 / R1 |
|
I1 = V1 * R1 |
|
I1 = V1 + R1 |
|
I1 = V1 - R1 |
|
I1 = R1 / V1 |
Verilen devre parçasındaki düğüm (V1) için akım denklemi, I1 = V1 / R1 olarak yazılır.
14.Soru
Yukarıdaki devreye göre 5 V’luk gerilim kaynağı devrede, 10 V’luk gerilim kaynağı kısa devre, 5 A’lik akım kaynağı açık devre yapılarak 6? dan geçen akım kaçtır?
|
0,2 A |
|
0,5 A |
|
0,6 A |
|
0,7 A |
|
0,9 A |
15.Soru
Devrede R1=5 Ω , R2=R3=R4=R5=3 Ω , R6=2 Ω , R7=1 Ω ve kaynak gerilimi V=24 Volt olarak verilmektedir. Buna göre devrenin eşdeğer direnç değeri kaç Ω’dur?
|
2 Ω |
|
4 Ω |
|
5 Ω |
|
8 Ω |
|
10 Ω |
Şekilde görüldüğü gibi R2, R3 ve R4 dirençleri üçgen formdadır. Devrenin eşdeğer direncinin hesaplanabilmesi için üçgen form yıldız forma çevrilir. Üçgen devreyi oluşturan dirençlerin hepsi eşit olduğu için yıldız devrenin dirençlerinin her biri
Rλ =RΔ /3 Rλ =3 /3 Rλ = 1 Ω
Re ş1 = 1 + R5 = 1 + 3 = 4 Ω
Re ş2 = 1 + R6 + R7 = 1 + 2 + 1 = 4 Ω olarak bulunur.
Bu devrede 4Ω ve 4 Ω paraleldir. İki direncin paralelliği ile bulunan Reş3 direnci ise 1 Ω ve R1 dirençleri ile seri bağlıdır.
Reş3 = 4.4 / (4+4) = 2 Ω
Devrenin eşdeğer direnci,
Reş = R1 + 1 + 2 = 5 + 1 + 2 = 8 Ω olur.
Sorunun doğru cevabı D seçeneğidir.
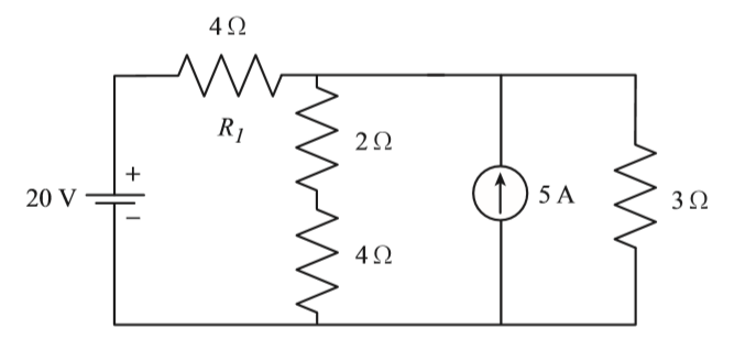
16.Soru
Aşağıdaki devre için I akım kaynağı 8A, V gerilim kaynağı 24V, dirençler ise sırası ile R1=4?, R2=6? veR3=12? olarak verilmiştir. Verilen devre elemanlarına göre VA düğüm geriliminin değeri kaç volttur?
|
10V |
|
20V |
|
30V |
|
40V |
|
50V |
Kirchhoff’un akım yasasına göre
-I+I1+I2=0 dır. I değeri akım kaynağının değeri olan 8 olup, denklem VA gerilimine göre tekrar düzenlenir ise; -8+ VA/R2 + (VA-V)/R3=0 dır. Denklemde verilenler yerlerine yerleştirilip çözüm yapılırsa VA=40 volt değeri bulunur.
17.Soru
Yukarıdaki şekle göre Kirchhoff’un akım yasasına göre I1 = 1 A ve I4= 2 A ise I2 ve I3 toplamı kaçtır?
|
1 A |
|
2 A |
|
3 A |
|
4 A |
|
5 A |
Burada I1 ve I4 akımları A düğümüne gelen akımlar, I2 ve I3 akımları ise A düğümünden giden akımlardır. Düğüm noktası yönteminde, Kirchhoff’un akım yasası seçilen her bir düğüme uygulanarak akım denklemleri yazılır ve bu denklemlerin çözümü gerçekleştirilir. Yazılan denklemlerde değişkenler belirlenen düğüm noktaları arasındaki gerilimlerdir. Kirchhoff’un akım yasasına göre düğüm noktasına gelen ve düğüm noktasından giden akımlarının cebirsel toplamı sıfırdır. Bir başka deyişle düğüme gelen akımların toplamı düğümden giden akımların toplamına eşittir.
18.Soru
I. Pil
II. Alternatör
III.Dinamo
Yukarıdakilerden hangisi veya hangileri doğru akım kaynağıdır
|
Yalnız I |
|
I ve II |
|
I ve III |
|
II ve III |
|
I, II ve III |
Pil ve Dinamo
19.Soru
Bir elektrik devresinde ikiden fazla ucun birleştiği yere ne denir?
|
Düğüm noktası |
|
Çevre |
|
Göz akımı |
|
Kol akımı |
|
Gerilim direnci |
Bir elektrik devresinde ikiden fazla ucun birleştiği yere düğüm noktası denir.
20.Soru
Şekildeki devrede R1 =10 ohm, R2 =5 ohm, R3 =2 ohm ve kaynak gerilimi (V) 30 Volt’dur. R1 üzerindeki gerilim kaçtır?
|
1 |
|
1.5 |
|
2 |
|
2.5 |
|
3 |
VR 1= I . R1 = 2,5 . 10 = 2.5 V’dur.
-
- 1.SORU ÇÖZÜLMEDİ
- 2.SORU ÇÖZÜLMEDİ
- 3.SORU ÇÖZÜLMEDİ
- 4.SORU ÇÖZÜLMEDİ
- 5.SORU ÇÖZÜLMEDİ
- 6.SORU ÇÖZÜLMEDİ
- 7.SORU ÇÖZÜLMEDİ
- 8.SORU ÇÖZÜLMEDİ
- 9.SORU ÇÖZÜLMEDİ
- 10.SORU ÇÖZÜLMEDİ
- 11.SORU ÇÖZÜLMEDİ
- 12.SORU ÇÖZÜLMEDİ
- 13.SORU ÇÖZÜLMEDİ
- 14.SORU ÇÖZÜLMEDİ
- 15.SORU ÇÖZÜLMEDİ
- 16.SORU ÇÖZÜLMEDİ
- 17.SORU ÇÖZÜLMEDİ
- 18.SORU ÇÖZÜLMEDİ
- 19.SORU ÇÖZÜLMEDİ
- 20.SORU ÇÖZÜLMEDİ